Рельсовые цепи на участках с автономной тягой
Тема лекции 9
Рельсовые цепи на участках с автономной тягой
На неэлектрифицированных линиях по рельсовым цепям протекает лишь сигнальный ток: мешающее действие тягового тока здесь отсутствует. Ввиду этого на таких линиях могут быть применены рельсовые цепи любого типа: постоянного или переменного тока, с непрерывным или импульсным питанием. Практически на линиях с автономной тягой (тепловозная, паровая) широко применяют рельсовые цепи постоянного тока, которые наиболее просты по устройству и потребляют малую мощность.
К достоинствам рельсовых цепей постоянного тока следует отнести возможность их резервного электропитания от аккумуляторов, что особенно важно для участков с ненадежным электроснабжением. Аппаратуру располагают в релейных шкафах, а источники питания (выпрямители и аккумуляторы) — в батарейных, устанавливаемых рядом с релейными.
В рельсовой цепи с непрерывным питанием используют нейтральное путевое реле АНШ2-2 с сопротивлением обмоток 2 Ом. Ток срабатывания реле АНШ2-2 равен 135 мА, ток отпускания —55 мА, коэффициент возврата —0,407, мощность срабатывания —36,5 мВт. Рельсовая цепь получает питание от выпрямителя ВАК-14. Для резервного питания предусмотрен аккумулятор АБН-72, работающий в режиме среднего тока.
В качестве ограничителя применен регулируемый резистор 6 Ом. Для действия устройств автоматической локомотивной сигнализации схема допускает возможность ее кодирования с питающего или релейного конца.
Для контроля замыкания изолирующих стыков предусматривают чередование полярности тока в смежных рельсовых цепях. В случае замыкания изолирующих стыков токи смежных цепей компенсируются и путевые реле обеих свободных рельсовых цепей отпускают свои якоря, чем контролируется исправность изолирующих стыков. Для лучшей компенсации сигнальных токов в смежных цепях по обе стороны изолирующих стыков размещают питающие или релейные концы.
Рекомендуемые материалы
Если изолирующие стыки замыкаются при занятой рельсовой цепи, то создается возможность подпитки путевого реле от источника смежной рельсовой цепи, в то время как свой источник питания зашунтирован. Таким образом, контроль замыкания изолирующих стыков отсутствует как раз в тот момент, когда он более всего необходим. К недостаткам рельсовых цепей постоянного тока с непрерывным питанием следует отнести также малую предельную длину (до 1500 м), отсутствие защиты от блуждающих токов, в том числе от обратных токов вагонного освещения и отопления при центральном источнике электроснабжения пассажирских поездов.
Рельсовые цепи постоянного тока с непрерывным питанием используются только на станциях участков, не подверженных влиянию блуждающих токов.
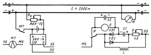
На перегонах при автоблокировке применяют импульсные рельсовые цепи (рис. 1). Периодическое замыкание (импульс) и размыкание (интервал) цепи питания производятся контактом непрерывно работающего маятникового трансмиттера. В качестве путевого реле И служит импульсное поляризованное реле ИМШ-0,3. Ток срабатывания реле равен 280 мА, отпускания—135 мА; мощность срабатывания 24,4 мВт. Контакты импульсного реле вследствие их непрерывного переключения не могут быть использованы в цепях контроля свободности блок-участков и включения ламп светофоров, поэтому на релейном конце дополнительно устанавливают его повторитель — реле П, работающее от конденсаторного дешифратора и удерживающее якорь непрерывно притянутым при импульсной работе реле И.

Рис. 1. Схема импульсной рельсовой цепи постоянного тока
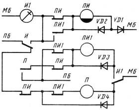
При проектировании и строительстве автоблокировки используют схему релейного дешифратора (рис. 2). В нем используют дополнительные реле: повторитель импульсного реле И1 типа ИМШ1-1700, медленнодействующий повторитель ПИ типа АНШМ2-760 и его повторитель ПИ1 типа АНШ2-700 и основное реле П типа АНШ2-700. Кремневые диоды VD2, VD3 и VD4 обеспечивают замедление реле на отпускание, а диод VD1 исключает попадание циркулирующих через диод VD2 и обмотку реле ПИ токов в другие цепи.

Рис. 2. Схема релейного дешифратора
Схема релейного дешифратора сложна, но она обеспечивает более высокую устойчивость работы за счет исключения электролитических конденсаторов, параметры которых могут изменяться от продолжительности их работы и температуры окружающей среды. В этой схеме достигается более стабильное время отпускания якоря путевого реле (в пределах 0,9—1 с), благодаря чему обеспечивается удовлетворительный режим подачи кодовых сигналов АЛС при вступлении на рельсовую цепь поезда.
Схема релейного дешифратора отвечает всем требованиям безопасности, которые были рассмотрены выше применительно к конденсаторному дешифратору, в том числе при обрывах и замыканиях диодов и обмоток реле, а также при замыкании (сваривании) всех трех контактов импульсного реле.
Импульсная рельсовая цепь по сравнению с рельсовой цепью непрерывного питания имеет более высокую чувствительность к шунту и излому рельса, так как отпускание якоря реле П будет обеспечено, если ток в обмотке реле И снизится до тока непритяжения якоря. Отпускание якоря реле И гарантируется в интервале между импульсами, поэтому предельная длина импульсной цепи равна 2600 м.
В импульсных рельсовых цепях постоянного тока путевое реле всегда размещают на выходном конце блок-участка, т. е. импульсы для питания реле посылаются по ходу поезда. Это позволяет использовать контакты путевого реле для включения кодов АЛС при вступлении поезда, предварительного зажигания светофоров и подачи извещений на станцию и переезд о приближении поезда. Кроме того, такое размещение приборов исключает мешающее действие импульсов постоянного тока на локомотивные приемные устройства АЛС.
Ложная работа импульсного реле от тока смежной цепи при замыкании изолирующих стыков исключается чередованием полярностей тока в смежных рельсовых цепях. Импульсное путевое реле ИР 1-0,3 или ИМШ-0,3 срабатывает только от импульсов тока собственной цепи. При попадании тока другой полярности в его обмотку от источника смежной цепи под действием тока обратной полярности усилие на якорь будет направлено в сторону замыкания тылового контакта.
Достоинствами рельсовых цепей постоянного тока являются их простота, надежное резервирование питания от аккумуляторных батарей и малое потребление электроэнергии. Мощность, потребляемая рельсовой цепью, составляет примерно 19 В×А с учетом потерь в выпрямителе.
Однако эти рельсовые цепи имеют ряд недостатков. Хотя импульсная рельсовая цепь исключает возможность ложного срабатывания от блуждающих токов, но наличие этих токов приводит к отпусканию якоря путевого реле П. На путевом светофоре появляется красный огонь вместо разрешающего при свободном блок-участке, что может привести к задержкам в движении. Блуждающие токи могут иметь и импульсный характер. В этом случае не исключается возможность ложного возбуждения путевого реле. Поэтому при систематическом влиянии блуждающих токов, например от электрического транспорта, применять импульсные рельсовые цепи постоянного тока не представляется возможным; в этом случае необходимо использовать рельсовые цепи переменного тока. Другим недостатком импульсных рельсовых цепей постоянного тока является влияние так называемых токов аккумуляторного эффекта, особенно на участках с железобетонными шпалами.
Эти токи являются следствием действия электрохимических процессов, протекающих в верхнем строении пути. Рельсовая линия как бы запасает энергию, накопленную в течение импульса. В интервале, когда импульсное реле должно отпускать якорь за счет тока аккумуляторного эффекта, оно удерживает его притянутым, и нормальное действие автоблокировки при этом нарушается. Для защиты реле от мешающего действия токов аккумуляторного эффекта применяют специальные схемы защиты. Например, питание осуществляется импульсами чередующейся полярности, когда вместо интервала посылают ток обратной полярности, компенсирующий ток аккумуляторного эффекта. Это усложняет схему.
Применяемые для резервного питания аккумуляторы критичны к изменению температуры окружающей среды. Для их размещения необходимы специальные батарейные шкафы, требующие тщательного ухода и частого осмотра. Емкость аккумуляторов не обеспечивает возможности действия АЛС при резервном питании, что снижает эффективность применения АЛС на линиях с автономной тягой. Аппаратуру рельсовых цепей постоянного тока необходимо размещать непосредственно у пути, допустимая длина соединительного кабеля составляет несколько десятков метров.
Указанные недостатки ухудшают эксплуатационно-технические показатели системы автоблокировки постоянного тока с импульсными рельсовыми цепями. На участках с автономной тягой при новом проектировании и строительстве, как правило, применяют рельсовые цепи переменного тока.
На линиях, подлежащих электрификации, применяют рельсовые цепи переменного тока, аналогичные рельсовым цепям для участков с электротягой, но без дроссель-трансформаторов. На средних и крупных станциях, как правило, применяют рельсовые цепи переменного тока.
9.2. Рельсовые цепи переменного тока
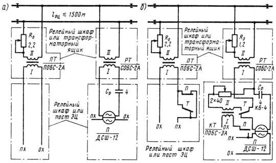
Фазочувствительные рельсовые цепи переменного тока 50 Гц. с путевыми реле ДСР-12 или ДСШ-12 (рис. 3, а) применяют на станциях участков с автономной тягой, подлежащих электрификации. В качестве питающего используют трансформатор ПОБС-2А, ограничителем является резистор Rо=2,2 Ом. Согласование высокого сопротивления (600 Ом) путевой обмотки реле ДСШ с низким входным сопротивлением рельсовой цепи (примерно 1 Ом) осуществляется релейным трансформатором СОБС-2А. С помощью конденсатора Ср, включенного последовательно с путевой обмоткой реле, достигается сдвиг фазы напряжения на путевой обмотке по отношению к напряжению местной обмотки на угол примерно 90°, необходимый для нормальной работы фазочувствительного реле. Предельная длина рельсовой цепи 1500 м, потребляемая мощность при предельной длине 80 В×А (максимальная— 100 В×А). Дублирование жил кабеля между релейным трансформатором и путевым реле не требуется при длине кабеля до 2000 м.

Рис. 3. Фазочувствительная рельсовая цепь переменного тока 50 Гц
Фазочувствительная рельсовая цепь допускает наложение кодирования с питающего и релейного концов (рис. 3, б). Для кодирования с релейного конца в качестве кодового используют трансформатор ПОБС-3А и дополнительно включают резистор Rз= 1,2 Ом. При шунтировании входного конца рельсовой цепи ток АЛС в рельсах должен быть не менее 1,2 А. После освобождения рельсовой цепи в большом интервале кода срабатывает путевое реле, и рельсовая цепь переходит из режима кодирования в нормальный.
Для исключения срабатывания путевого реле от тока смежной цепи при замыкании изолирующих стыков в смежных цепях вторичные обмотки путевых трансформаторов включают так, чтобы обеспечивалось чередование мгновенных полярностей тока. Первичные обмотки включают в одну и ту же фазу. При этих условиях в случае замыкания изолирующих стыков от источника смежной цепи через путевую обмотку будет протекать ток, противоположный по фазе (сдвинут на угол 180°). Под действием этого тока создается отрицательный вращающий момент, стремящийся повернуть сектор реле вниз, к упорному ролику. Этим исключается срабатывание путевого реле от источника смежной цепи.
Для этой же цели при кодировании с релейного конца мгновенную полярность кодового тока устанавливают противоположной полярности тока питания смежной рельсовой цепи.
Замыкание изолирующих стыков при свободных рельсовых цепях контролируется за счет взаимной компенсации сигнальных токов смежных рельсовых цепей. При этом фиксируется занятость одной или обеих смежных рельсовых цепей.
В случае перевода участка на электротягу на обоих концах рельсовой цепи устанавливают дроссель-трансформаторы ДТ-0,2; трансформатор РТ и резистор Rз снимают, а питающий трансформатор ПОБС-2А и резистор Ro заменяют соответственно на ПОБС-3А и РОБС-3А.
При новом проектировании и строительстве на станциях участков с автономной тягой, как правило, применяют рельсовые цепи переменного тока 25 Гц с фазочувствительными путевыми реле.
Кодовые рельсовые цепи переменного тока 50 Гц без дроссель-трансформаторов (рис. 4) применяют на перегонах участков без электротяги с учетом последующей электрификации или там, где не предусмотрен переход на электротягу, но имеется надежный источник электроснабжения переменного тока 50 Гц от основной и резервной линий.

Рис. 4. Кодовая рельсовая цепь переменного тока 50 Гц без без дроссель-трансформаторов
В качестве питающего используют трансформатор ПОБС-2А, конденсатор Ск=4 мкФ и резистор Rк=47 Ом служат для искрогашения на контактах трансмиттерного реле Т ограничителем является реактор Zo типа РОБС-4А. Импульсное реле ИМВШ-110 подключают через трансформатор РТ типа СТ-4, согласующий высокое сопротивление реле (200 Ом) с низким входным сопротивлением рельсовой цепи. Для защиты аппаратуры от перенапряжений, которые могут возникнуть при грозовых разрядах, на обоих концах цепи установлены керамические выравниватели ВК-10, обладающие нелинейной вольт-амперной характеристикой.
Рельсовые цепи регулируют изменением напряжений на путевом трансформаторе таким образом, чтобы при шунтировании поездом входного (релейного) конца ток АЛС был не менее 1,2 А при минимальном сопротивлении изоляции. Такая регулировка в нормальном режиме на путевом реле вызывает перенапряжение, которое гасится на резисторе Rд.
Кодовую рельсовую цепь используют для контроля свободности и занятости участка, увязки между показаниями смежных светофоров и работы АЛС.
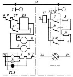
Управление показаниями путевых светофоров и действие АЛС осуществляются с помощью кодовых сигналов КЖ, Ж и 3 (рис. 6).

Рис. 6. Принципиальная схема работы кодовой рельсовой цепи
С питающего конца рельсовой цепи контактом реле Т посылается кодовый сигнал КЖ, Ж или 3, в зависимости от показания светофора 1. При зеленом огне светофора возбуждены сигнальные реле Ж и 3, и реле Т подключается к контакту 3 трансмиттера КПТШ, при желтом огне — к контакту Ж и при красном — к контакту КЖ.
Ещё посмотрите лекцию "Манифольд фонтанных скважин" по этой теме.
Кодовые сигналы при свободной рельсовой цепи воспринимает импульсное реле И, воздействующее на дешифраторную ячейку ДЯ, на выходе которой включены сигнальные реле Ж и 3. При приеме кодового сигнала КЖ возбуждается реле Ж, а при приеме сигналов Ж или 3 — сигнальные реле Ж и 3. Контакты реле Ж и 3 управляют сигналами путевого светофора и выбирают кодовые сигналы, посылаемые в смежную рельсовую цепь.
В случае занятого блок-участка прекращается импульсная работа реле И, реле 3 и Ж обесточиваются, и на светофоре 3 включается лампа красного огня. Кодовые сигналы при этом воспринимаются приемными устройствами АЛС (приемными катушками, подвешенными над рельсами перед первой колесной парой локомотива).
После освобождения поездом блок-участка в рельсовую цепь от светофора 1 будет посылаться кодовый сигнал КЖ, начинают работать реле И и дешифратор ДЯ, возбуждается сигнальное реле Ж, и на светофоре 3 включается лампа желтого огня. Таким образом, одни и те же кодовые сигналы используют для работы автоблокировки (при свободной рельсовой цепи) и действия АЛС (при вступлении поезда). Кодовые сигналы всегда передаются навстречу движению поезда.
Применяемое в схеме одноэлементное импульсное реле с выпрямителем ИМВШ-110 не реагирует на фазу принимаемого сигнала. Поэтому защитить реле от тока смежной цепи при замыкании изолирующих стыков не представляется возможным, т. е. реле И при замыкании изолирующих стыков будет срабатывать от тока смежной цепи.
Для исключения ложного возбуждения сигнальных реле Ж и 3 при работе реле И от тока смежной цепи в дешифраторе применяют схемную защиту, принцип действия которой основан на отключении цепи возбуждения реле Ж и 3 при работе реле И от источника питания смежной цепи, когда реле И и 3Т начинают работать синхронно. Для нормальной работы рельсовой цепи (это обеспечивается при асинхронной работе реле И и 3Т) в смежных цепях применяют трансмиттеры с различной длительностью кодовых циклов (КПТШ-5 и КПТШ-7), обеспечивающие асинхронную передачу сигналов в смежные РЦ.
Предельная длина рельсовой цепи, при которой обеспечиваются все режимы, составляет 2600 м. Мощность, потребляемая рельсовой цепью предельной длины в нормальном режиме,—150 В×А, в режиме короткого замыкания (при шунтировании питающего кольца) она возрастает до 200 В·А.




















