Характеристики тяговых аккумуляторных батарей
Характеристики тяговых аккумуляторных батарей
К электрохимическим аккумуляторным батареям, используемым на транспортных средствах, предъявляют следующие требования:
– высокая удельная энергоемкость;
– минимальный саморазряд;
– высокий КПД при заряде и разряде;
– малое внутреннее сопротивление;
– широкий диапазон рабочих температур;
– минимум токсичных газовыделений;
Рекомендуемые материалы
– взрыво- и пожаробезопасность в эксплуатации;
– простота в обслуживании;
– механическая прочность, и надежность,
– длительный срок службы и хранения;
– минимальные массогабаритные и стоимостные показатели и др.
Тяговые аккумуляторные батареи (ТАБ) – весьма сложная электрохимическая система с непрерывно меняющимися параметрами. За период разряда аккумуляторов в них происходит распад исходных и образование новых химических соединении, перераспределение плотностей электролита, газовыделение и т.д. Поэтому параметры ТАБ могут изменяться в функции времени, режима разряда, температуры и пр.
В условиях эксплуатации ТАБ работают в неустановившихся прерывистых режимах разряда (а при наличии рекуперативного торможения – и кратковременных подзарядов) с изменяющимся значением разрядного (зарядного) тока. В связи с этим аналитические выражения, связывающие параметры ТАБ (ток, время разряда, емкость, напряжение батареи и др ), найти весьма сложно, их можно получить только для конкретных типов аккумуляторов и определенных режимов и условий их работы в неудобной для практического применения форме. Поэтому для ТАБ целесообразно пользоваться схемой замещения и графическими зависимостями.

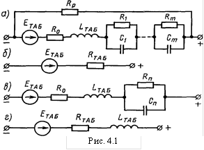
Наиболее общей является схема замещения ТАБ, показанная на рис. 4.1, а, где ЕТАБ – ЭДС ТАБ, изменяющаяся в функции степени разряженности Qр аккумуляторов; R0– активное сопротивление ТАБ, зависящее от степени разряженности аккумуляторов и температуры t электролита, LТАБ– собственная индуктивность ТАБ, имеющая тенденцию к снижению при высокочастотных импульсных режимах разряда вследствие поверхностного эффекта; R1C1,…, RmCm – цепи, характеризующие ЭДС поляризации аккумуляторов и ее изменение (значение ЭДС зависит от степени разряженности ТАБ и температуры электролита, а характер и скорость ее изменения – от тока iТАБ); Rp– сопротивление, характеризующее процесс саморазряда аккумуляторов и зависящее от времени разряда, температуры электролита и срока службы аккумуляторов. Пользоваться такой схемой весьма трудно, но на ее основании можно определить расчетную схему замещения батареи для каждого характерного режима разряда.
Электродвижущаяся сила ТАБ большинства известных электрохимических аккумуляторов не зависит от температуры электролита и окружающей среды и за время полного разряда батареи снижается на 10…15 % от начальной величины.
Значением R0 в ряде случаев можно пренебречь ввиду его малости (
Ом на элемент). Однако, если сопротивление нагрузки соизмеримо или меньше R0, этот параметр необходимо учитывать, так как он в большой мере обусловливает КПД разряда и заряда аккумуляторов. Для всех типов ТАБ сопротивление R0 увеличивается с возрастанием степени разряженности батареи и снижением температуры электролита.
В импульсном режиме ТАБ пульсация ее выходного напряжения определяет полное внутреннее сопротивление, модуль которого
,
где
,
и
– активное, индуктивное и емкостное сопротивления ТАБ.
Индуктивное сопротивление обусловлено геометрией ТАБ и пространственной ориентацией токопроводящих элементов, образующих контуры с индуктивностью 0,2…1 мкГн на один элемент. Емкостное сопротивление определяется процессами поляризации электролита. Падение напряжения на сопротивлении
называется ЭДС поляризации, составляющей 3…10 % от ЕТАБ. Время полного установления ЭДС поляризации достигает нескольких десятков секунд. Однако практически при токах ТАБ свыше 200. А уже через 1 с отклонение ЭДС поляризации от установившегося значения не превышает 3…5 %.
Следует учитывать явление непрерывного саморазряда ТАБ, происходящего вследствие выделения кислорода на положительном электроде и из за конечного значения сопротивления изоляции. За первые сутки хранения в заряженном состоянии при температуре окружающей среды 20 °С за счет саморазряда запасенная энергия ТАБ уменьшается приблизительно на 5 %. При дальнейшем хранении скорость саморазряда падает
Для ТАБ наиболее важными являются внешние характеристики
при различных значениях степени заряженности Q (рис.4.2). Эти характеристики конкретного типа ТАБ не зависят от режима разряда. Энергия, отдаваемая ТАБ, напротив, обусловлена режимами разряда.

Она в общем случае определяется согласно
, а при
– 

Отношение полезной энергии
, отданной батареей за время ее полного разряда, к начальному запасу энергии
есть КПД разряда ТАБ:
,
где
– потери энергии на внутреннем сопротивлении батареи.
Люди также интересуются этой лекцией: Проблема социально-психической адаптации личности.
Поскольку при любом разрядном токе степень заряженности аккумуляторной батареи с течением времени падает, то внешние характеристики ТАБ целесообразно давать в пространственной системе координат (см. рис. 4.3).
Полезная мощность батареи
является функцией разрядного тока и формы его кривой, степени разряженности, температуры электролита и определяется выражением
. (4.1)
На рис. 4.4 представлены зависимости
при различной степени заряженности для ТАБ типа 72ЭЖНТ-160У2.Дифференцируя (1.1) и приравнивая результат нулю, получим предельный максимальный пусковой ток, соответствующий наибольшей мощности 
.
Так как по мере разряда батареи уменьшается ЭДС и возрастает внутреннее сопротивление, то максимальный пусковой ток следует вычислять для Q = 20…25 %. Например, для батареи указанного типа максимальный пусковой ток не должен превышать 420 А.





















