Запоминающие устройства
3. Запоминающие устройства
3.1. Роль ЗУ в системах управления. Классификация.
Освоение производства ЗУ в виде ИС оказало большое влияние на развитие различных систем управления, микропроцессорной техники и ЭВМ.
Роль ЗУ в системах обработки информации и в системах управления весьма существенна. ЗУ используются как при аппаратной реализации СУ, так и на базе микропроцессоров и ЭВМ. Важным является применение ЗУ в системах программного управления, в том числе станками, где на их базе выполняются накопители информации, поступающей от управляющей ЭВМ. ЗУ могут также с успехом применяться в различных устройствах электроавтоматики, значительно увеличивая возможности устройства управления (устройства адаптивного управления, устройства контроля состояния инструмента на многооперационных станках, устройства цикловой автоматики и т.д.).
Исключительно важное значение отводится ЗУ в системах управления реализованных на базе МП, микропроцессорных комплексов и ЭВМ, в которых объем памяти и её быстродействие во многом определяют возможности такой системы управления в целом.
Под ЗУ понимают совокупность технических средств, предназначенных для приема, хранения и считывания информации, представленной двоичными кодами.
|
|
Наиболее распространённой является полупроводниковая память, которая подразделяется на оперативную (ОЗУ) и постоянную (ПЗУ). По технологии изготовления полупроводниковые ЗУ делятся на биполярные и униполярные – МДП, выполненные по технологии ЭСЛ, ТТЛШ, ТТЛ, И2Л, р-МОП, МДП, КМДП.
ОЗУ позволяют записывать информацию и считывать её в процессе выполнения программы. ПЗУ позволяют только считывание информации. В ходе выполнения программы содержимое памяти остаётся
Рекомендуемые материалы
Рис. 3.1 Классификация ЗУ
неизменным. Основным преимуществом постоянных ЗУ (ПЗУ) перед ОЗУ является сохранение информации при снятии энергопитания.
Основные характеристики полупроводниковой памяти
Емкость памяти определяется числом бит хранимой информации. Емкость кристалла обычно выражается также в битах. Важной характеристикой кристалла является информационная организация кристалла памяти MxN, где M — число слов, N — разрядность слова. При одинаковом времени обращения память с большей шириной выборки обладает большей информационной емкостью.
Временные характеристики памяти.
Время доступа - временной интервал, определяемый от момента, когда центральный процессор выставил на шину адреса адрес требуемой ячейки памяти и послал по шине управления приказ на чтение или запись данных, до момента осуществления связи адресуемой ячейки с шиной данных.
Время восстановления - это время, необходимое для приведения памяти в исходное состояние после того, как ЦП снял с ША адрес, с ШУ сигнал «чтение» или «запись» и с ШД данные.
Прочие характеристики.
Удельная стоимость запоминающего устройства определяется отношением его стоимости к информационной емкости, т.е. определяется стоимостью бита хранимой информации.
Потребляемая энергия (или рассеиваемая мощность) приводится для двух режимов работы кристалла: режима пассивного хранения информации и активного режима, когда операции записи и считывания выполняются с номинальным быстродействием.
Плотность упаковки определяется площадью запоминающего элемента и зависит от числа транзисторов в схеме элемента и используемой технологии. Наибольшая плотность упаковки достигнута в кристаллах динамической памяти.
Допустимая температура окружающей среды обычно указывается отдельно для активной работы, для пассивного хранения информации и для нерабочего состояния с отключенным питанием. Указывается тип корпуса, если он стандартный, или чертеж корпуса с указанием всех размеров, маркировкой и нумерацией контактов, если корпус новый. Приводятся также условия эксплуатации: рабочее положение, механические воздействия, допустимая влажность и другие.
Схемотехника и классификация ПЗУ
В настоящее время применяются (Рис. 3.1):
1. Программируемые масочные ПЗУ (ПЗУМ) (Рис. 3.3) программируются изготовителем. Масочные ПЗУ строятся на основе диодов, биполярных и МДП-транзисторов.
2. Программируемые пользователем ПЗУ (ППЗУ) являются более универсальными и, следовательно, более дорогими приборами. Они представляют собой матрицы биполярных приборов, связи которых с адресными и разрядными шинами разрушаются при занесении на специальных программирующих устройствах соответствующих кодовых комбинаций. Возможность программирования пользователем сделала ПЗУ этого типа чрезвычайно удобными при разработке ЭВМ.
3. Один из вариантов реализации ПЗУ ориентирован на программирование заданных логических функций. Такие ПЗУ называют программируемыми логическими матрицами (ПЛМ).
|
|
Рис. 3.1. Структурная схема масочного ПЗУ

Рис. 3.2. Структурная схема запоминающего элемента РеПЗУ
4. Перепрограммируемые ПЗУ (РЕПЗУ) (Рис 3.2) - это ПЗУ с изменяемым содержимым. Все перепрограммируемые ПЗУ представляют собой МОП-приборы. РЕПЗУ различаются по принципу стирания информации на:
- перепрограммируемые ПЗУ со стиранием информации ультрафиолетовым излучением (РеППЗУ-УФ) - основа ячейки памяти микросхемы данного типа - МОП-транзистор с полностью изолированным «плавающим» затвором. При программировании окисел пробивается и на затворе накапливается заряд, который сохраняется там пока микросхема не будет подвергнута УФ-облучению, под его действием окисел становится проводящим. Сопротивление канала транзистора зависит от заряда на затворе и будет определять бит, записанный в ячейку;
- электрически стираемые ПЗУ (РЕПЗУ-ЭС, EEPROM) устроены аналогично предыдущим, но стирание происходит, как и запись, при подаче импульсов напряжения, это самый дорогой, но и самый удобный тип ПЗУ.
Микросхемы с электрическим стиранием получили большее распространение, чем с ультрафиолетовым стиранием из-за простоты стирания и большим количеством циклов программирования (100000 раз и более). На многих микросхемах с электрическим стиранием напряжение программирования снижено до напряжения питания микросхемы, что позволяет перепрограммировать их без специальных приспособлений (программаторов) непосредственно в плате.
- FLASH-память — наиболее популярная в настоящее время (имеет некоторые конструктивные отличия по сравнению с РЕПЗУ-ЭС). Она таже построена по принципу электрической перепрограммируемости, т.е. допускает многократное стирание и запись информации.
Применение РЕПЗУ и FLASH существенно увеличивает жизненный цикл и повышает гибкость микропроцессорных систем, так как позволяет вносить изменения в программу микропроцессора, как на этапе разработки системы, так и в процессе его работы в реальном устройстве.
Схемотехника и классификация ОЗУ
По принципу хранения информации полупроводниковые ЗУ делятся на динамические и статические. Наибольшее быстродействие обеспечивают биполярные статические ЗУ, но они обладают меньшей информационной ёмкостью, а по энергопотреблению одной ячейки превосходят все виды ЗУ.
Ячейки памяти статического ЗУ выполняются на биполярных транзисторах в виде двух инверторов с перекрёстными обратными связями (триггерах) и объединяются в матрицу.
3.2. Схемотехника и технология БИС ОЗУ
Для примера на рисунке показана функциональная схема БИС КР 537 РУ 8, имеющей информационную емкость 2Кх 8 бит (рис.3.1).
|
|
Рис. 3.1. Структурная схема микросхемы статического
ОЗУ со словарной организацией.
Она включает матрицу накопителя с 128 х 128 ЭП, регистры и дешифраторы кода адресов строк и столбцов, усилители записи-считывания, устройство управления и устройство ввода-вывода.
Накопитель разбит на восемь секций по 128 х 16 ЭП в каждой. Четыре младших разряда кода адреса Ао - Аз выбирают по одному столбцу в каждой секции и коммутируют их с УВВ.
Управление устройством ввода-вывода осуществляют сигналы CS, OE и W/R, предварительно обработанные устройством управления. В зависимости от значений управляющих сигналов микросхема может работать в одном из трех режимов: записи, считывания и хранения.
В режиме записи информация 8-разрядным кодом через УВВ и усилители записи-считывания поступает в выбранную ячейку памяти. При считывании информация из выбранной ячейки памяти поступает на УВВ и через него на выходы. В режиме хранения (ОЕ=1) потребляемая микросхемами от источника питания мощность снижается более чем в 1000 раз.
Таким образом, управляя адресными шинами, шинами W/R, «выбор микросхем» (CS), закрытие выходов (ОЕ) можно обращаться к ОЗУ как с целью извлечения содержимого ОЗУ, так и для занесения в него чисел.
Запоминающим элементом динамических ЗУ служит конденсатор. Информация хранится в форме наличия или отсутствия его заряда. Каждая операция записи/чтения сопровождается утечкой заряда с конденсатора, что требует его восстановления (регенерации). Период регенерации может достигать нескольких миллисекунд. По этой причине динамические ЗУ медленнее статических. Однако ячейка динамического ЗУ проще, ОЗУ данного типа дешевле. Также благодаря более компактному размещению элементов памяти, информационная ёмкость таких ЗУ выше.
Динамическая БИС ЗУ включает в себя накопительную матрицу, дешифраторы строк и столбцов, устройство управления и т.п. На рис. 3.2 приведена структурная схема оперативного запоминающего устройства динамического типа ёмкостью 16384 бит с организацией 16384×1 бит (микросхема К565РУ3).
|
|
Рис. 3.2. Структурная схема микросхемы динамического ЗУ
Память организована в виде двух блоков по 8 кбит, которые образуют единую матрицу 128×128 бит. Для выбора одной из ячеек памяти на семиразрядный адресный регистр подаётся в мультиплексированном режиме четырнадцати разрядный код. Код адреса строки (А0-А6) фиксируется на адресном регистре строк при помощи первого синхронизирующего сигнала
(сигнал выборки строки). Код адреса столбца (А7-А13) фиксируется по адресам регистра столбцов при помощи второго синхронизирующего сигнала
(сигнала выборки столбцов).
Современные типы динамического ЗУ
В настоящее время при проектировании ЭВМ наиболее широко распространены SDRAM.
Synchronous Dynamic Random Access Memory — синхронная динамическая память с произвольным доступом. Под «синхронностью» обычно понимается строгая привязка управляющих сигналов и временных диаграмм функционирования памяти к частоте системной шины. Так, отправка команд и чтение/запись данных может осуществляться на каждом такте шины памяти (по фронту, либо и по фронту и по срезу синхросигнала).

Рис.6. Сравнение различных типов памяти
Основными параметрами модуля SDRAM являются:
Емкость модуля — максимальный объем информации, который данный модуль способен в себя вместить. В мегабайтах или гигабайтах.
Ширина модуля — это разрядность интерфейса его шины данных, которая соответствует разрядности шины данных контроллера памяти и для всех современных типов контроллеров памяти SDRAM (SDR, DDR и DDR2) составляет 64 бита.
Глубина модуля – характеристика емкости модуля памяти, выраженной в количестве «слов» определенной ширины, (деление полного объема модуля (выраженного в битах) на его ширину (разрядность внешней шины данных, также выраженную в битах)). Так, типичный модуль памяти емкостью 512МБ SDR/DDR/DDR2 SDRAM имеет глубину, равную 512МБайт * 8 (бит/байт) / 64 бита = 64М. Соответственно, произведение ширины на глубину дает полную емкость модуля и определяет его организацию, или геометрию, которая в данном примере записывается в виде «64Мx64».
На каждую операцию считывания/записи данных из памяти и ее регенерацию требуется время, образуются задержки в работе модуля, называемые таймингами. Они характеризуют быстродействие модуля и измеряются в тактах или наносекундах.
После выдачи команды RAS для выбора нужной строки требуется время на ее активацию, которое обычно составляет 2-5 тактов. Данную задержку принято называть RAS-to-CAS Delay (RCD). После этого ожидания контроллер памяти инициирует команду выбора столбца и по прошествии времени, равного задержке CAS, считывает данные. Этот параметр принято называть CAS Latency (CL), на практике он обычно так же варьируется от 2 до 5 тактов. После получения информации происходит восстановление заряда на прочитанных ячейках выбранной строки, на которое требуется время, равное RAS Precharge (RP). Еще один важный параметр - это RAS Active to Precharge Delay (TRAS), который означает количество тактов, в течение которых строка должна быть активной, перед тем как будет выдана команда на подзарядку.
Существуют и другие временные параметры памяти, но мы не станем на них подробно останавливаться. При покупке модулей памяти указывается характеристика вида 4-4-4-15 это значения таймингов, предусмотренных производителем, указанных в следующем порядке: CL-RCD- RP-TRAS. Эти величины влияют на латентность памяти, то есть на суммарное время ожидания процессором передачи данных, находящихся в оперативной памяти, измеряется в тактах или в наносекундах. Чем меньше задержки, тем ниже латентность, тем быстрее происходит работа с памятью тем больше общая производительность ЭВМ. Однако чрезмерное снижение таймингов может повлечь за собой нестабильность работы системы.
Производительность зависит не только от латентности, не меньшую роль играет параметр, характеризующий количество данных, которые память способна передавать (читать или записывать) за единицу времени. Он называется пропускной способностью памяти (ПСП). Чем больше ПСП, тем лучше рассматриваемый модуль. У производителей есть два пути улучшения этого параметра: увеличение разрядности внешней шины данных модуля и повышение его тактовой частоты. Первый влечет за собой большее число проводящих контактов, что значительно усложняет разводку печатных плат и требует серьезных материальных вложений. Второй путь менее ресурсоемок, и именно с его помощью производители памяти добиваются более высоких результатов. Каким образом производится повышение тактовой частоты работы модуля?
Для ответа на этот вопрос сравним принципы передачи данных в микросхемах динамической памяти разных поколений. Начнем с SDR SDRAM (DIMM). Внутренняя частота функционирования микросхем совпадает с частотой внешней шины данных, а ширина внутренней шины данных (от ячеек ЗУ до буферов ввода-вывода) совпадает с шириной внешней шины данных. Данные передаются только по фронту синхросигнала.
У DDR SDRAM (DDR) частоты работы и ширина шин совпадают. В то же время, по интерфейсу данных памяти типа DDR данные передаются дважды за один такт — как по положительному перепаду синхросигнала («фронту»), так и по отрицательному («срезу»). За счет этого достигается расширение в 2 раза внутренней шины данных (по сравнению с внешней). Модули памяти DDR имеют в 2 раза большую по сравнению с DIMM скорость передачи данных. Внутренняя частота работы микросхем при этом (по сравнению с частотой внешней шины) остается неизменной. Таким образом, потребляемая мощность и тепловыделение остаются на том же уровне.
Архитектура, применяемая в DDR, называется архитектурой «2n-предвыборки» (2n-prefetch). В этой архитектуре доступ к данным осуществляется «попарно» — каждая одиночная команда чтения/записи данных приводит к отправке по внешней шине данных двух элементов.
Следующее поколение устройств DDR2 SDRAM являются логическим продолжением развития архитектуры «2n-prefetch», применяемой в устройствах DDR SDRAM и именуется «4n-prefetch». Ширина внутренней шины данных в четыре раза больше по сравнению с шириной внешней шины данных. Такое «уширение» внутренней шины данных позволяет достичь вдвое большую частоту работы модуля по сравнению с частотой работы микросхем DDR — при равной внутренней частоте функционирования самих микросхем.
Основной принцип, лежащий в основе перехода от DDR2 к DDR3, в точности повторяет рассмотренную выше идею. DDR3 —та же DDR SDRAM, но микросхемы передают по 8 бит данных за каждый такт. Ширина внутренней шины данных в 8 раз больше по сравнению с шириной их внешней шины (8n-prefetch). Преимущества при переходе от DDR2 к DDR3 те же, что и при переходе от DDR к DDR2. Помимо этого предоставляется возможность дальнейшего наращивания тактовой частоты и теоретической пропускной способности при сохранении прежнего уровня «внутренней» частоты работы компонентов. Однако дальнейший разрыв между «внутренней» и «внешней» частотой шин компонентов памяти будет приводить к еще большим задержкам в их работе. Таким образом эффект от наращивания будет снижен.
Flash - память
Бытует мнение, что название FLASH применительно к типу памяти переводится как «вспышка». На самом деле это не совсем так. Одна из версий его появления говорит о том, что впервые в 1989-90 году компания Toshiba употребила слово Flash в контексте «быстрый, мгновенный» при описании своих новых микросхем. Вообще, изобретателем считается Intel, представившая в 1988 году флэш-память с архитектурой NOR. Годом позже Toshiba разработала архитектуру NAND, которая и сегодня используется наряду с NOR.
Рассмотрим организацию flash памяти типа NOR. Схема логического элемента, собственно давшего ей название (NOR — Not OR — в булевой математике обозначает отрицание «ИЛИ»), приведена на рисунке.
|
|
|
С помощью нее осуществляется преобразование входных напряжений в выходные, соответствующие «0» и «1». Схема запоминающей ячейки и принцип ее работы аналогичен РЕПЗУ рассмотренному ранее.
В NOR архитектуре к каждому транзистору подводится индивидуальный контакт.
Это является недостатком, так как нельзя уменьшать площадь чипов путем уменьшения размеров транзисторов. Объем NOR-флэш обычно не превышает десятка мегабайт.
Эта проблема решена у флэш-памяти с архитектурой NAND.
| NAND — Not AND — в той же булевой математике обозначает отрицание «И». Отличается такая память от предыдущей разве что логической схемой. |
|
Устройство и принцип работы ячеек у нее такой же, как и у NOR. В отличие от архитектуры NOR, здесь имеется контактная матрица, в пересечениях строк и столбцов которой располагаются транзисторы. Такая организация несколько лучше — площадь микросхемы можно значительно уменьшить за счет размеров ячеек.
Недостатки заключаются в более низкой по сравнению с NOR скорости работы в операциях побайтового произвольного доступа.
Архитектуры NOR и NAND на сегодняшний день выпускаются на равных и практически не конкурируют между собой, потому как в силу своих качеств находят применение в разных областях хранения данных.
Адресное пространство NOR-памяти позволяет работать с отдельными байтами или словами (2 байта). В NAND ячейки группируются в небольшие блоки (по аналогии с кластером жесткого диска). Из этого следует, что при последовательном чтении и записи преимущество по скорости будет у NAND. Однако с другой стороны NAND значительно проигрывает в операциях с произвольным доступом и не позволяет напрямую работать с байтами информации.
Поэтому, а также из-за возможностей увеличения объема памяти без увеличения размеров микросхемы, NAND-флэш нашел применение в качестве хранителя больших объемов информации и для ее переноса. Наиболее распространенные сейчас устройства, основанные на этом типе памяти, это флэшдрайвы и карты памяти. Что касается NOR-флэша, то чипы с такой организацией используются в качестве хранителей программного кода (BIOS, RAM карманных компьютеров, телефонов и т.п. У существующих сегодня микросхем памяти для ячеек характерно время хранения информации, измеряемое годами и число циклов чтения/записи — от 100 тысяч до нескольких миллионов.
Внешние запоминающие устройства.
Кроме перечисленных ЗУ используются и внешние ЗУ. ВЗУ - это устройства большого объема (сотни тысяч байт и более), предназначенные для длительного хранения данных, создания архива данных (в том числе и на съемных носителях) и обмена этими данными с оперативными запоминающими устройствами микропроцессорных систем. К ВЗУ относятся: накопители на гибких магнитных дисках (НГМД), накопители на оптических дисках, накопители на магнитооптических дисках и т.д.
По способу организации обмена информацией между отдельными ЗУ системы памяти и МП различают ЗУ:
· с произвольной выборкой (ЗУПВ),
· с последовательным обращением,
· с последовательно-параллельной организацией обмена.
ОЗУ, ПЗУ, ППЗУ относятся к классу ЗУПВ.
3.3. Адресное пространство микропроцессорного устройства (АП)
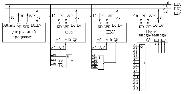
Ознакомимся со структурной схемой простейшего микропроцессорного устройства (рис.3.4). Микропроцессоры после включения питания и выполнения процедуры сброса всегда начинают выполнение программы с определённого адреса, чаще всего нулевого. Эта программа должна храниться в памяти, которая не стирается при выключении питания, то есть в ПЗУ. Для того, чтобы нулевая ячейка ПЗУ оказались расположенной по нулевому адресу адресного пространства микропроцессора, старшие разряды шины адреса должны быть равны 0.
Любой МПС необходима память, поэтому устанавливают одну или несколько микросхем ОЗУ. И, наконец, так как все МПС предназначены для обработки данных, поступающих извне, то в ней должны присутствовать порты ввода-вывода.

Рис. 3.4. Структурная схема подключения микропроцессорных устройств к
системной шине
При подключении различных устройств к системной шине возникает вопрос - как различать эти устройства между собой? Единственный способ сделать это - использовать индивидуальный адрес для каждого устройства, подключенного к системной шине микропроцессора. Так как адресация производится к каждой ячейке устройства индивидуально, то возникает понятие адресного пространства, занимаемого каждым устройством и адресного пространства микропроцессорного устройства в целом.
Другими словами – адресное пространство определяет число возможных отличных друг от друга кодовых комбинаций (адресов), которое может поддерживать МПС. Адресное пространство определяет потенциальные возможности системы – максимальное число программнодоступных элементов, которые могут присутствовать в ней.
Адресное пространство микропроцессорного устройства чаще всего изображается графически прямоугольником, одна из сторон которого представляет разрядность адресуемой ячейки этого микропроцессора, а другая сторона - весь диапазон доступных адресов для этого же микропроцессора (рис 3.5 б) (или числовой осью рис 3.6 а). Обычно в качестве минимально адресуемой ячейки памяти выбирается восьмиразрядная ячейка памяти (байт).


а) б)
Рис. 3.5. Способы изображения адресного пространства
Диапазон доступных адресов микропроцессора определяется разрядностью шины адреса системной шины. При этом минимальный номер ячейки памяти (адрес) будет равен 0, а максимальный определяется из формулы:

Для шестнадцатиразрядной шины это будет число 65535 (64K).
Понятие адресного пространства позволяет также наглядно представить размещение в нём адресов различных программно-доступных объектов. Пример распределения адресного пространства реальной ЭВМ показан на рис. 3.7:
В адресном пространстве размещены адреса принадлежащие ОЗУ и ПЗУ.
Ø Зона 2К-8К – не занята.
Ø Зона С 16К отведена для расширения адресного пространства методом «окна».
Ø Последние 8К ячеек отведены для адресации регистров контроллеров, входящих в микро-ЭВМ, и, возможно регистров самого процессора. Эта зона может быть в основном свободной.

Рис. 3.6. Распределение памяти МПС с шестнадцатиразрядной шиной адреса.
3.4. Способы расширения адресного пространства
Адресное пространство микро-ЭВМ размером, например, 64К для некоторых пользователей оказывается слишком тесным. Это связано с:
- расширением сферы применения микро-ЭВМ и переходом к классу задач, решаемых обычно с помощью мини-ЭВМ;
- развитием микропроцессорной системы
- с повышением уровней языков программирования;
Очевидным способом расширения адресного пространства является увеличение числа адресных линий. Так, введение 17й адресной линии увеличивает адресное пространство до 128К, ещё одна линия позволит адресовать 256К и т.д. Однако такой подход не является радикальным и лишь временно отодвигает на второй план проблему расширения адресного пространства. Более того, при таком подходе теряется преемственность моделей микро-ЭВМ одного класса, подвергается изменению система команд, растёт число выводов БИС и т.д.
По этой причине разработаны различные методы расширения адресного пространства, из которых наиболее распространены следующие:
- страничный;
- метод окна;
- метод базовых регистров (сегментов);
- метод банков;
- метод виртуальной памяти.
Метод расширения адресного пространства, при котором адрес ячейки памяти разделяется на адрес страницы и адрес ячейки на странице называется страничным методом.

Рис. 3.8. Структура страничного адресного пространства

Рис. 3.9. Формирование адреса с использованием переключателя страниц
Метод страничной адресации прост в реализации и при формировании адреса физической памяти не приводит к дополнительным временным задержкам, но при использовании многозадачного режима работы процессора для каждой активной задачи выделяется целая страница в системной памяти микропроцессора. При такой работе в системной памяти процессора остаётся много неиспользуемых областей. Решить возникшую проблему позволяет метод сегментной организации памяти.
При сегментном методе организации памяти для расширения адресного пространства используется базовый регистр, относительно которого производится адресация команд или данных в программе. Разрядность базового регистра обычно выбирают равной разрядности счётчика команд. Адресное пространство при использовании сегментного метода адресации приведено на рис. 3.10. Для формирования физического адреса используется операция суммирования содержимого базового регистра и содержимого счётчика команд. Суммирование производится со смещением содержимого базового регистра влево на несколько бит относительно счётчика команд (рис.3.11). В результате максимальный размер сегмента определяется разрядностью программного счётчика, а максимальная неиспользуемая область памяти – смещением базового регистра относительно программного счётчика.

Рис. 3.10. Пример адресного пространства с разделением на сегменты
Количество сегментов определяется количеством базовых регистров. Сегменты могут перекрываться в адресном пространстве, и тем самым может регулироваться размер памяти, который отводится под каждый конкретный сегмент памяти. В компьютерах семейства IBM PC имеются четыре базовых регистра, определяющих сегмент данных, сегмент программы, сегмент стека и дополнительный сегмент.

Рис. 3.11. Формирование адреса при сегментной адресации
Ещё одним распространённым способом увеличения адресного пространства является применение окон. При использовании окон производится расширение не всего адресного пространства, а только его части. Внутри адресного пространства выделяется некоторая область, которая называется окном. В это окно может отображаться часть другого адресного пространства.
При использовании окон может быть использован как страничный метод отображения адресного пространства, так и сегментный метод отображения адресного пространства в окно.
Принцип построения оконной адресации при отображении страниц показан на рис. 3.12.

Рис. 3.12. Применение окна для расширения адресного пространства.
Оконная адресация часто используется при развитии микропроцессорных семейств, когда размера областей памяти, отведённых для конкретных задач в младших моделях семейства, не хватает для старших моделей семейства, а при этом нужно поддерживать аппаратную совместимость с младшими моделями семейства. В качестве примера можно привести микросхемы I81c96 фирмы INTEL или TMS320c5410 фирмы Texas Instrument, где для расширения области регистров специальных функций используется оконная адресация.
Метод банков – метод, при котором АП делится на банки (области с фиксированным размером, например 64К). В процессе записи/чтения можно обратиться к любой ячейке памяти внутри банка, задавая номер банка и адрес ячейки внутри банка. Процесс очистки содержимого ячейки невозможен, очистить можно только целиком весь банк (такой метод расширения АП применяют при работе с Flash-накопителями (РеПЗУ)).
Метод виртуальной памяти состоит в том, что в случае заполнения ОЗУ часть информации перемещается на внешнее ЗУ (например, на жестком диске ЭВМ организуется специальная область называемая «Swap» или «Файл подкачки»), и извлекается оттуда при необходимости. Преимущества данного метода в том, что увеличение АП можно производить во много раз (пределом может служить только объем жесткого диска, или ограничения на размер «файла подкачки», накладываемое пользователем). Но из-за того, что скорость обмена информацией с внешним ЗУ существенно ниже, чем ОЗУ – значительно увеличивается время загрузки данных из виртуальной памяти, что снижает быстродействие системы в целом.
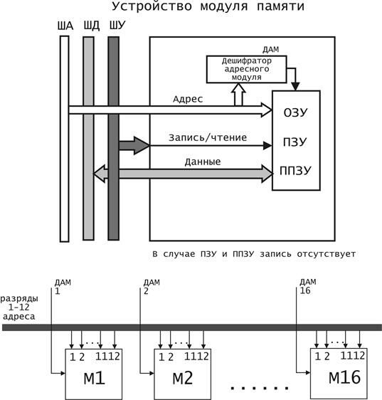
Память может быть организована из нескольких модулей, тогда адрес ячейки памяти состоит из (рис. 3.13):
- адреса модуля (4 бит);
- адреса для выбора ячейки внутри модуля.

Рекомендация для Вас - 10 - Системы типовых гидросистем.
Рис. 3.13. Модульный принцип организации памяти МПС
3.5. Условно-графическое обозначение ЗУ
Примеры условно-графического обозначения ЗУ приведены на рис. 3.14




Рис. 3.14. Примеры УГО ЗУ






























