ДЗ 2: Вариант 4 - ТР №2 вариант 4
Описание
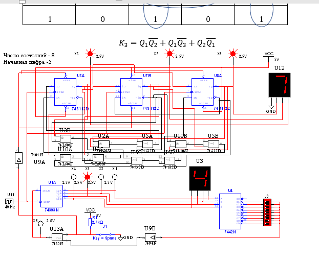
Дз-2 по Элтеху, Васильев, зачтено на максимум, в архиве само дз + файл мультисим со схемой
Спасибо за покупку! Я буду очень рад, если поставишь справедливую оценку купленному файлу :3 Вводи мой промокод VALEROK в личном кабинете и получи 150 баллов, с помощью которых ты сможешь оплатить любой файл на сайте!
Спасибо за покупку! Я буду очень рад, если поставишь справедливую оценку купленному файлу :3 Вводи мой промокод VALEROK в личном кабинете и получи 150 баллов, с помощью которых ты сможешь оплатить любой файл на сайте!
Характеристики домашнего задания
Предмет
Учебное заведение
Семестр
Номер задания
Вариант
Просмотров
65
Размер
341,34 Kb
Список файлов
дз2 элтех 4 вар
ДЗ-2 ФН4-71Б.docx
Установка JK ФН4-71Б.ms14
Комментарии
Нет комментариев
Стань первым, кто что-нибудь напишет!
МГТУ им. Н.Э.Баумана
















