Для студентов МГТУ им. Н.Э.Баумана по предмету Теория механизмов и машин (ТММ)Проектирование и исследование механизмов плунжерного насосаПроектирование и исследование механизмов плунжерного насоса
5,0057
2013-08-212025-04-07СтудИзба
Курсовая работа 36: Проектирование и исследование механизмов плунжерного насоса вариант А
-50%
Описание
Проектирование и исследование механизмов плунжерного насоса
Содержание
- Реферат
- Техническое задание
- Краткое описание работы плунжерного насоса
- Исходные данные
- Проектирование основного механизма и звена приведения.
- Определение основных размеров механизма
- Нахождение силы сопротивления
- Определение передаточных функций скоростей
- Выбор динамической модели механизма и вывод формул приведения
- Определение суммарного приведенного момента инерции маховика
- Определение суммарного приведенного момента сил сопротивления
- Построение графика суммарной работы А и нахождение среднего движущего момента
- Определение момента инерции дополнительной маховой массы
- Построение графика угловой скорости
- Силовой расчет механизма
- Исходные данные для силового расчета механизма
- Построение плана скоростей
- Построение плана ускорений
- Пределение главных векторов и главных моментов сил инерции
- Силовой расчет механизма
- Силовой расчет группы звеньев 2-3
- Силовой расчет начального звена 1
- Проектирование зубчатых передач планетарного редуктора
- Построение профиля зуба колеса, изготовляемого реечным инструментов
- Расчет параметров зубчатой передачи
- Построение станочного зацепления
- Построение проектируемой зубчатой передачи
- Расчет планетарного редуктора
- Проектирование кулачкового миеханизма
- Построение кинематических диаграмм методом графического интегрирования
- Определение основных размеров кулачкового механизма
- Построение профиля кулачка
- Заключение
- Список использованной литературы
Реферат
В курсовом проекте выполнено проектирование и исследование механизмов плунжерного насоса. Проведено:- проектирование основного механизма и определение закона движения звена приведения;
- силовой расчет кривошипно-ползунного механизма;
- проектирование цилиндрической эвольвентной зубчатой передачи и двухрядного планетарного редуктора;
- проектирование кулачкового механизма с поступательно движущимся толкателем.
1.Техническое задание
1.1. Краткое описание работы плунжерного насоса.
Плунжерные насосы предназначаются для перекачки различного рода жидкостей. Схема плунжерного насоса представлена на рис. 1.Привод насоса осуществляется от электродвигателя 10 через планетарный редуктор 9 и пару зубчатых колёс Z5 и Z6. C зубчатым колесом Z6 жестко связан кривошипный вал 1 (ось О), движение от которого передаётся на шатун 2, который заставляет колебаться коромысло 3 вокруг оси D. Шатун 4 передаёт движение плунжеру 5 гидравлического цилиндра 6. Шестизвенный механизм OABDС является основным механизмом плунжерного насоса. Рабочий процесс в цилиндре 6 насоса, т.е. всасывание и нагнетание жидкости, осуществляется за двойной ход плунжера 5, чему соответствует один оборот кривошипа 1.

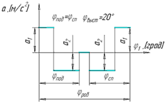
Смазка механизмов насоса выполняется плунжерным масляным насосом кулачкового типа. Кулачок 7 приводит в движение толкатель 8 (плунжер насоса). При проектировании кулачкового механизма необходимо осуществить заданный закон изменения ускорения толкателя (рис. 2).

При проектировании и исследовании механизма плунжерного насоса считать известными параметры, приведенные в таблице 1.
1.2. Исходные данные.
Таблица 1№ п/п | Параметр | Обозначение | Размерность | Значение |
1. | Координаты центра вращения О кривошипа | a b | м м | 0,135 0,225 |
2. | Длина звеньев l3 и l4 | BD | м | 0,185 |
3. | Положение центра тяжести S2 | - | 0,3 | |
4. | Положение центра тяжести S4 | - | 0,3 | |
5. | Крайние положения звена (отсчет от горизонтальной прямой) | g1 g2 | град град | 30 60 |
6. | Диаметр плунжерного насоса | d | м | 0,05 |
7. | Число оборотов кривошипа 1 | N1 | Об/мин | 100 |
8. | Число оборотов вала эл. Двигателя | Ng | Об/мин | 975 |
9. | Давление жидкости в циллиндре при нагнетании (по ходу плунжера - постоянное) | P | Па | 25*106 |
10. | Вес шатуна 2 | G2 | кг | 20 |
11. | Вес шатуна 4 | G4 | кг | 16 |
12. | Вес ползунка с плунжером | G5 | кг | 50 |
13. | Момент инерции шатуна 2 | J2S | кг*м2 | 0,06 |
14. | Момент инерции шатуна 4 | J4S | кг*м2 | 0,05 |
15. | Момент инерции кривошипного вала | J10 | кг*м2 | 0,01 |
16. | Маховой момент электродвигателя | кг*м2 | 0,3 | |
17. | Маховой момент редуктора, колеса Z5 и кулачка, приведенный к валу О | GD2 | кг*м2 | 1,6 |
18. | Коэффициент неравномерности вращения кривошипного вала | d | - | 1/10 |
19. | Координата для силового расчёта | j1 | град | 30 |
20. | Угол рабочего профиля кулачка | dраб | град | 240 |
21. | Ход плунжера масляного насоса | h | м | 0,016 |
22. | Угол давления в кулачковом механизме | aдоп | град | 30 |
23. | Внеосность | e | м | 0,007 |
24. | Соотношение между ускорениями толкателя | n = | - | 3 |
25. | Числа зубьев колёс 5 и 6 | Z5 Z6 | - - | 12 25 |
26. | Модуль зубчатых колёс 5 и 6 | m | м | 5 |
27. | Число сателлитов в редукторе 9 | k | - | 3 |
Чертежи
Лист 1 - Определение закона движения ![]()
Лист 2 - Силовой расчет ![]()
Лист 3 - Проектирование зубчатой передачи ![]()
Лист 4 - Проектирование кулачкового механизма ![]()
Характеристики курсовой работы
Учебное заведение
Семестр
Номер задания
Вариант
Программы
Просмотров
590
Качество
Идеальное компьютерное
Размер
2,13 Mb
Список файлов
Проектирование и исследование механизмов плунжерного насоса
Лист 1.frw
Лист 2.frw
Лист 3.cdw
Лист 4.frw
Маткад - Лист 1 +2.xmcd
Маткад - Лист 1.xmcd
Маткад - Лист 3 - 1.xmcd
Маткад - Лист 3 - 2.xmcd
Маткад - Лист 4.xmcd
РПЗ.docx

Вам все понравилось? Получите кэшбэк - 40 рублей на Ваш счёт при покупке. Поставьте оценку и напишите положительный комментарий к купленному файлу. После Вы получите деньги на ваш счет.