Для студентов МГТУ им. Н.Э.Баумана по предмету Управление техническими системами (УТС)Вариант 28 - ДЗ №1 и №2Вариант 28 - ДЗ №1 и №2
2021-01-262021-01-26СтудИзба
ДЗ: Вариант 28 - ДЗ №1 и №2 вариант 28
Описание
Вариант 28
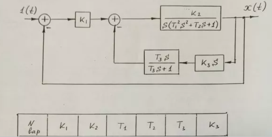
1.1) Структурные преобразования
1.2) Разложение на элементарные множители -> типовые множители
1.3) ЛАЧХ и ФЧХ
1.4) Главная передаточная функция замкнутой системы и передаточная функция по ошибке
2.1) Определение установившейся ошибки при входном сигнале g=N+0.1Nt
2.2) Исследование устойчивости замкнутой системы с помощью критерия Гурвица
2.3) Исследование устойчивости замкнутой системы с помощью критерия Найквиста и определение запаса устойчивости
2.4) Определение вида установившегося сигнала при подаче на вход разомкнутой системы и замкнутой системы гармонического сигнала g=sin(2pi*f*t), f= 0.1N
1.1) Структурные преобразования
1.2) Разложение на элементарные множители -> типовые множители
1.3) ЛАЧХ и ФЧХ
1.4) Главная передаточная функция замкнутой системы и передаточная функция по ошибке
2.1) Определение установившейся ошибки при входном сигнале g=N+0.1Nt
2.2) Исследование устойчивости замкнутой системы с помощью критерия Гурвица
2.3) Исследование устойчивости замкнутой системы с помощью критерия Найквиста и определение запаса устойчивости
2.4) Определение вида установившегося сигнала при подаче на вход разомкнутой системы и замкнутой системы гармонического сигнала g=sin(2pi*f*t), f= 0.1N
Характеристики домашнего задания
Учебное заведение
Семестр
Вариант
Теги
Просмотров
47
Качество
Фото рукописных листов
Размер
2,75 Mb
МГТУ им. Н.Э.Баумана
kecha_sudarev



















