Для студентов МГТУ им. Н.Э.Баумана по предмету Учебно-технологическая практика (УТП)Обработка отверстийОбработка отверстий
5,0051
2022-07-312024-08-31СтудИзба
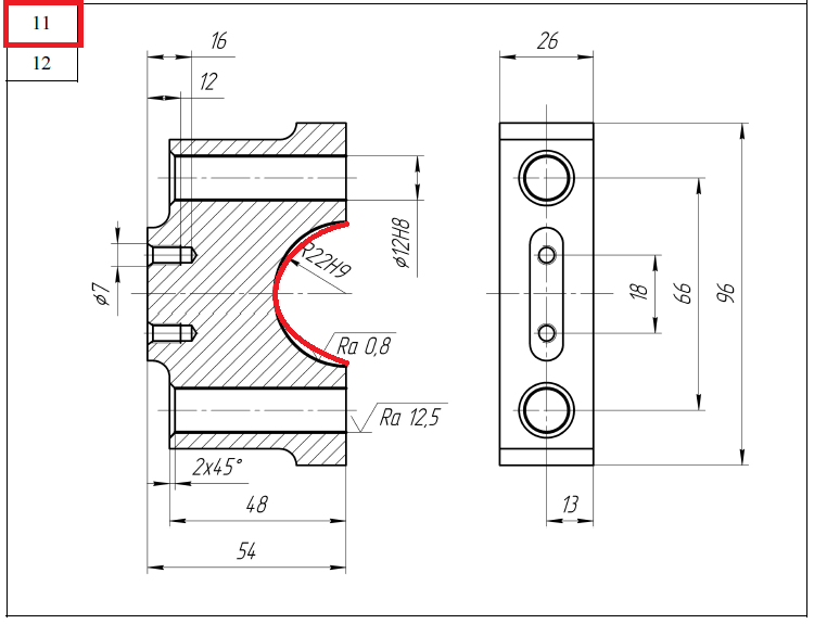
Лабораторная работа 6: Обработка отверстий вариант 11
-52%
Описание
Файлы условия, демо
Характеристики лабораторной работы
Учебное заведение
Семестр
Номер задания
Вариант
Просмотров
8
Качество
Идеальное компьютерное
Размер
1,3 Mb
Список файлов
(1).jpg
(2).jpg
(3).jpg
(4).jpg

Вам все понравилось? Получите кэшбэк - 40 рублей на Ваш счёт при покупке. Поставьте оценку и напишите положительный комментарий к купленному файлу. После Вы получите деньги на ваш счет.