Для студентов МГТУ им. Н.Э.Баумана по предмету Учебно-технологическая практика (УТП)Обработка отверстийОбработка отверстий
5,0053
2022-07-312024-08-31СтудИзба
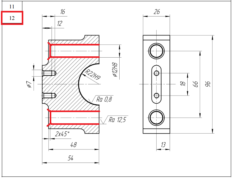
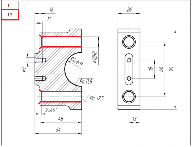
Лабораторная работа 6: Обработка отверстий вариант 12
Бестселлер
-52%
Описание
Файлы условия, демо
Характеристики лабораторной работы
Учебное заведение
Семестр
Номер задания
Вариант
Просмотров
13
Качество
Идеальное компьютерное
Размер
1,31 Mb
Список файлов
(1).jpg
(2).jpg
(3).jpg
(4).jpg

Вам все понравилось? Получите кэшбэк - 40 рублей на Ваш счёт при покупке. Поставьте оценку и напишите положительный комментарий к купленному файлу. После Вы получите деньги на ваш счет.