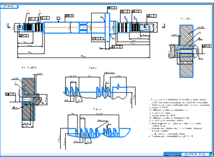
Для студентов МГТУ им. Н.Э.Баумана по предмету Турбомашины низкотемпературной техникиТурбодетандер ДТ- 0.75/20- 1Турбодетандер ДТ- 0.75/20- 1
4,9951114
2024-03-202024-03-20СтудИзба
Курсовая работа: Турбодетандер ДТ- 0.75/20- 1
Описание
Характеристики курсовой работы
Учебное заведение
Программы
Теги
Просмотров
18
Размер
151,84 Kb
Список файлов
gidrav20
kp-turboditander-dt1.cdw

Спасибо за покупку! Я буду очень рад, если поставишь справедливую оценку купленному файлу