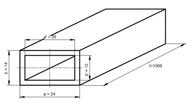
Для студентов МГТУ им. Н.Э.Баумана по предмету Термовакуумные процессы и оборудование (МТ-11)Задача 2 вариант 76. Обмотка электрогенератора выполнена в виде медной шины сечением 24х14 мм и длиной 1,5 м.Задача 2 вариант 76. Обмотка электрогенератора выполнена в виде медной шины сечением 24х14 мм и длиной 1,5 м.
5,0051
2022-05-312022-05-31СтудИзба
Задача 2: Задача 2 вариант 76. Обмотка электрогенератора выполнена в виде медной шины сечением 24х14 мм и длиной 1,5 м. вариант 76
Описание
Не только копировать, а нужно понимать!
Задание 2: Обмотка электрогенератора выполнена в виде медной шины сечением 24х14 мм и длиной 1,5 м. При прохождении тока в шине мощность внутренних источников теплоты =106 [Вт/м3]. Внутри шины имеется канал прямоугольного сечения 20х10 мм, по которому движется охлаждающий воздух со скоростью = 50м/с. Температура воздуха на входе в канал = 30⁰С, давление = 3,1∙105Па. Рассчитать коэффициент теплоотдачи от шины к воздуху в канале и среднюю температуру стенки канала, считая, что вся теплота от шины отводится воздухом.

Характеристики решённой задачи
Учебное заведение
Семестр
Номер задания
Вариант
Программы
Теги
Просмотров
12
Качество
Идеальное компьютерное
Размер
81,96 Kb
Список файлов
2.docx

Привет всем! Я автор на Студизбе. Я надеюсь что, не только дам Вам файлы с ответом но и знание. Не только копировать, а нужно понимать! Вставьте 5 звезд и позитивные комментарии сразу дам Вам подарок