📝Инженерные системы зданий и сооружений (Теплоснабжение и вентиляция) Темы 1-8
Описание
УЧЕБНЫЕ МАТЕРИАЛЫ
Тема 1. Основные виды теплообмена
Тема 2. Теплоснабжение промышленных и гражданских зданий
Тема 3. Системы отопления
Тема 4. Отопительные приборы и трубопроводы
Тема 5. Регулирование тепловой нагрузки систем теплоснабжения
Тема 6. Микроклимат и устройство систем вентиляции
Тема 7. Оборудование вентиляционных систем
Тема 8. Приборы контроля и энергоэффективность отопительных и вентиляционных систем
В особо опасных местах (с точки зрения возможности поражения электротоком) необходимо работать с электроинструментом с напряжением питания не более:
12 В
36 В
42 В
При какой массе перемещаемого груза необходимо использовать грузоподъемные механизмы?
более 30 кг
более 50 кг
любого груза
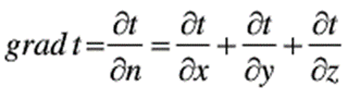
Барометрическое давление атмосферного воздуха определяется выражением ...
ρ = М / V
pб = pс.в. + pв.п
pв.п = dpб / (621 + d)
p = p₁ + p₂ + p₃ + … + pi = Σpi (i=1..n)
В процессе … возможно поражение электротоком.
калибровки шкалы мегаомметра
подготовки цифрового мультиметра к выполнению работ
измерения температуры тепловизором
измерения сопротивления изоляции мегаомметром
Единица измерения абсолютной температуры в системе СИ — это…
градус Цельсия
кельвин (К)
градус Фаренгейта
градус Реомюра
Закон Стефана – Больцмана описывает тепловые потоки для случая ...
передачи тепла через плоскую стенку
радиации
конвекции
передачи тепла через цилиндрическую стенку
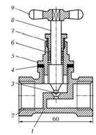
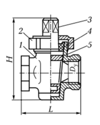
Запорная арматура, представленная на рисунке, называется ...
задвижкой
вентилем
пробковым краном
дроссельным регулирующим краном
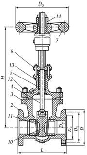
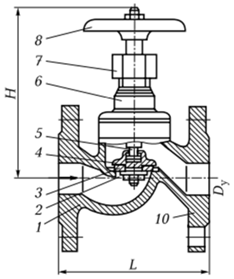
Запорная арматура, представленная на рисунке, называется ...
задвижкой
вентилем
пробковый кран
дроссельным регулирующим краном
Запорная арматура, представленная на рисунке, называется ...
задвижкой
вентилем
пробковый кран
дроссельным регулирующим краном
Запорная арматура, представленная на рисунке, называется...
задвижкой
вентилем
пробковым краном
дроссельным регулирующим краном
Затраты теплоты на нагревание воздуха, удаляемого из помещений жилых и общественных зданий при естественной вытяжной вентиляции, не компенсируемые подогретым приточным воздухом равны ...
10 Вт на 1 м2
Nэл⋅kо
G м⋅c⋅(tв −tм)β
0,28⋅Lп⋅ρ⋅с⋅(tв −tн)⋅K
Затраты теплоты на нагревание холодных материалов и транспортных средств, въезжающих в производственные помещения равны ...
10 Вт на 1 м2
Nэл⋅kо
G м⋅c⋅(tв −tм)β
0,28⋅Lп⋅ρ⋅с⋅(tв −tн)⋅K
Значение коэффициента теплоотдачи наружной поверхности чердачного перекрытия для зимних условий в северной климатической зоне ...
23 Вт/(м2⋅°С
17 Вт/(м2⋅°С
12 Вт/(м2⋅°С
6 Вт/(м2⋅°С
Значение коэффициента теплоотдачи поверхности наружных стен для зимних условий в северной климатической зоне ...
23 Вт/ (м2⋅°С)
17 Вт/(м2⋅°С)
12 Вт/(м2⋅°С)
6 Вт/(м2⋅°С)
Значение коэффициента теплоотдачи поверхности перекрытия над неотапливаемыми подвалами без световых проемов в стенах, для зимних условий в северной климатической зоне ...
23 Вт/(м2⋅°С
17 Вт/(м2⋅°С
12 Вт/(м2⋅°С
6 Вт/(м2⋅°С
Значение коэффициента теплоотдачи поверхности перекрытия над холодным подвалом, сообщающимся с наружным воздухом для зимних условий в северной климатической зоне ...
23 Вт/(м2⋅°С
17 Вт/(м2⋅°С)
12 Вт/(м2⋅°С
6 Вт/(м2⋅°С
Изменение тепловой нагрузки, путем изменения длительности работы, называется ...
количественным регулированием
качественно-количественным регулированием
качественным регулированием
регулированием пропусками
Изменение тепловой нагрузки, путем изменения расхода и температуры сетевой воды, называется ...
качественно-количественным регулированием
качественным регулированием
автоматическим регулированием
регулированием пропусками
Изменение тепловой нагрузки, путем изменения расхода сетевой воды, называется ...
количественным регулированием
качественно-количественным регулированием
качественным регулированием
регулированием пропусками
Изменение тепловой нагрузки, путем изменения температуры сетевой воды, называется ...
количественным регулированием
качественно-количественным регулированием
качественным регулированием
регулированием пропусками
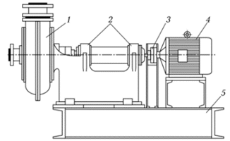
Какое устройство показано на рисунке?
вентилятор
одноходовой калорифер
пылеуловитель
приточная камера
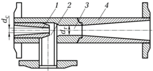
Какое устройство показано на рисунке?
вентилятор
многоходовой калорифер
пылеуловитель
приточная камера
Какой из приведенных ниже терминов относится к теплотехническим?
стоимость
тепловая мощность
внешний вид
коррозионная стойкость
Количество теплоты, передаваемое от насыщенного пара к нагреваемой воде, рассчитывается по формуле ...
Q = k (τ – tcp) z
Q = k S ∆t z
y = f (Dpаб / Dpс)
∆t = 0,5(τ1+τ2)-0,5 (t1+ t2)
Количество теплоты, передаваемое от теплоносителя тепловой сети к нагреваемой воде, рассчитывается по формуле ...
Q = k (τ – tcp) z
Q = k S ∆t z
y = f (Dpаб / Dpс)
∆t = 0,5(τ1+τ2)-0,5 (t1+ t2)
Коэффициент пропорциональности, который характеризует физические способности тела к пропусканию тепла, называется...
коэффициентом теплоотдачи
коэффициентом теплопередачи
коэффициентом объемного расширения
коэффициентом теплопроводности
Коэффициент теплоотдачи между движущейся жидкостью и твердой поверхностью не зависит от ...
скорости и направления потока жидкости
геомет¬рических размеров и формы поверхности,
положения поверхности по отношению к вектору силы тяжести
толщины стенки твердой поверхности
Критерий, который определяет подобие температурных и скоростных полей в потоке жидкости и учитывает влияние физических свойств теплоносителя на теплоотдачу, называется ...
критерием Прандтля
критерием Рейнольдса
критерием Грасгофа
критерием Нусселъта
Критерий, характеризующий отношение величины конвективного теплового потока, передаваемого по нормали к твердой стенке к кондуктивному тепловому потоку, передаваемому в тех же условиях, называется ...
критерием Рейнольдса
критерием Нусселъта
критерием Грасгофа
критерием Прандтля
Критерий, характеризующий отношение сил инерции и сил вязкости (вязкостного трения) в потоке движущейся жидкости, называется ...
критерием Грасгофа
критерием Прандтля
критерием Рейнольдса
критерием Нуссельта
Критерий, являющийся мерой соотношения архимедовой выталкивающей силы, вызванной неравномерным распределением плотности жидкости, газа в неоднородном поле температур, и силами вязкости, называется ...
критерием Рейнольдса
критерием Грасгофа
критерием Нусселъта
критерием Прандтля
Множитель Fi в уравнении, определяющий потери теплоты i ограждающей конструкцией Qi = Fi ki (tв −tн) n,называется ...
расчетной площадью i-й ограждающей конструкции
коэффициентом теплопередачи i-й ограждающей конструкции
расчетной температурой наружного воздуха
расчетной температурой воздуха рабочей зоны помещения
Множитель ki в уравнении, определяющий потери теплоты i ограждающей конструкцией Qi = Fi ki (tв −tн) n,называется ...
расчетной площадь i-й ограждающей конструкции
коэффициентом теплопередачи i-й ограждающей конструкции
расчетной температурой наружного воздуха
расчетной температурой воздуха рабочей зоны помещения
На рисунке изображен ...
пористый фильтр
электрический пылеуловитель
орошаемый фильтр
циклон
На рисунке изображен ...
пористый фильтр
электрический пылеуловитель
орошаемый фильтр
циклон
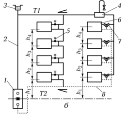
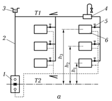
На рисунке изображена система отопления ...
с естественным побуждением при незаглубленном котле
однотрубная, с естественным побуждением
двухтрубная, с естественным побуждением
с принудительным побуждением
На рисунке изображена система отопления ...
с естественным побуждением при незаглубленном котле
однотрубная, с естественным побуждением
двухтрубная, с естественным побуждением
с принудительным побуждением
На рисунке изображена система отопления ...
с естественным побуждением при незаглубленном котле
однотрубная, с естественным побуждением
двухтрубная, с естественным побуждением
с принудительным побуждением
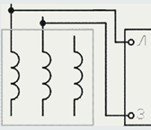
На рисунке изображена схема для ...
измерения сопротивления изоляции между каждой фазой и корпусом
измерения сопротивления изоляции между каждой фазой и другими заземленными фазами
измерения сопротивления изоляции между фазами
На рисунке изображена схема для ...
измерения сопротивления изоляции между каждой фазой и корпусом
измерения сопротивления изоляции между каждой фазой и другими заземленными фазами
измерения сопротивления изоляции между фазами
На рисунке изображена схема для ...
измерения сопротивления изоляции между каждой фазой и корпусом
измерения сопротивления изоляции между каждой фазой и другими заземленными фазами
измерения сопротивления изоляции между фазами
На рисунке показан температурный график регулирования отопительной нагрузки методом ...
качественного регулирования
количественного регулирования
качественно-количественного регулирования
регулирования пропусками.
На рисунке показан температурный график регулирования отопительной нагрузки методом...
качественного регулирования
количественного регулирования
качественно-количественного регулирования
регулирования пропусками.
На рисунке показан температурный график регулирования тепловой нагрузки методом ...
качественного регулирования
количественного регулирования
качественно-количественного регулирования
регулирования пропусками
На этом рисунке изображен ...
воздухосборник
кран двойной регулировки
циркуляционный насос
водоструйный элеватор
На этом рисунке представлен ...
воздухосборник
кран двойной регулировки
циркуляционный насос
водоструйный элеватор
Нормативный температурный перепад между температурой внутреннего воздуха и температурой внутренней поверхности ограждающей конструкции для наружных стен жилых зданий составляет ...
2 °С
8 °С
4 °С
6 °С
Нормативный температурный перепад между температурой внутреннего воздуха и температурой внутренней поверхности ограждающей конструкции для наружных стен производственных зданий с сухим режимом составляет ...
12 °С
10 °С
8 °С
6 °С
Нормативный температурный перепад между температурой внутреннего воздуха и температурой внутренней поверхности ограждающей конструкции для чердачных перекрытий больничных зданий составляет ...
2 °С
8 °С
4 °С
6 °С
Нормативный температурный перепад между температурой внутреннего воздуха и температурой внутренней поверхности ограждающей конструкции для чердачных перекрытий производственных зданий с сухим режимом составляет ...
2 °С
8 °С
4 °С
6 °С
Оптимальный диапазон относительной влажности воздуха в рабочей зоне - ...
20-40%
40-60%
60-80%
80-100%
Оптимальный диапазон температуры воздуха в рабочей зоне для категории работ средней тяжести - ...
16-18°С
17-20°С
21-23°С
22-25°С
Оптимальный диапазон температуры воздуха в рабочей зоне для легкой категории работ - ...
16-18°С
17-20°С
21-23°С
22-25°С
Оптимальный диапазон температуры воздуха в рабочей зоне для тяжелой категории работ ...
16-18°С
17-20°С
21-23°С
22-25°С
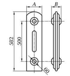
Отопительный прибор, изображенный на рисунке, называется ...
стальным штампованным радиатором
секцией чугунного радиатора
электрорадиатором
конвектором
Отопительный прибор, изображенный на рисунке, называется ...
стальным штампованным радиатором
секцией чугунного радиатора
ребристой чугунной трубой
конвектором
Отопительный прибор, изображенный на рисунке, называется ...
стальным штампованным радиатором
секцией чугунного радиатора
регистром из стальных труб
конвектором
Отопительный прибор, изображенный на рисунке, называется ...
стальным штампованным радиатором
секцией чугунного радиатора
регистром из стальных труб
конвектором
Отопительный прибор, изображенный на рисунке, называется ...
стальным штампованным радиатором
секцией чугунного радиатора
регистром из стальных труб
конвектором
Отопительный прибор, изображенный на рисунке, называется ...
стальным штампованным радиатором
секцией чугунного радиатора
регистром из стальных труб
конвектором
Парциальное давление водяного пара определяется выражением ...
ρ = М / V
pб = pс.в. + pв.п
pв.п = dpб / (621 + d)
p = p₁ + p₂ + p₃ + … + pi = Σpi (i=1..n)
Плотность влажного воздуха определяется выражением ...
ρ = М / V
pб = pс.в. + pв.п
pв.п = dpб / (621 + d)
p = p₁ + p₂ + p₃ + … + pi = Σpi (i=1..n)
Прибор, изображенный на рисунке называется ...
цифровой мультиметр
аналоговый мультиметр
мегаомметр
тепловизор
Прибор, изображенный на рисунке называется ...
цифровой мультиметр
аналоговый мультиметр
мегаомметр
тепловизор
Прибор, изображенный на рисунке называется ...
цифровой мультиметр
аналоговый мультиметр
мегаомметр
тепловизор
Прибор, изображенный на рисунке называется ...
цифровой мультиметр
аналоговый мультиметр
мегаомметр
тепловизор
Процесс передачи энергии от одного тела к другому называется ...
сублимацией
конвекцией
теплообменом
испарением
Система отопления, изображенная на рисунке, называется...
система с естественным побуждением при незаглубленном котле
система однотрубная, с естественным побуждением
система двухтрубная, с естественным побуждением
система с принудительным побуждением
Системы теплоснабжения, в которых вода, циркулирующая в трубопроводе, используется только как теплоноситель, и не забирается из системы для нужд обеспечения горячего водоснабжения, называются ...
закрытыми системами
зависимыми системами
открытыми системами
независимыми системами
Системы теплоснабжения, в которых отопительное оборудование потребителей изолировано гидравлически от производителя тепла, а для теплоснабжения потребителей используют дополнительные теплообменники центральных тепловых пунктов называются ...
закрытыми системами
зависимыми системами
открытыми системами
независимыми системами
Системы теплоснабжения, в которых разбор горячей воды для нужд потребителя происходит непосредственно из теплосети, называются ...
закрытыми системами
зависимыми системами
открытыми системами
независимыми системами
Системы теплоснабжения, в которых теплоноситель по трубопроводу попадает сразу в систему отопления потребителя без промежуточных теплообменников, называются ...
закрытыми системами
зависимыми системами
открытыми системами
независимыми системами
Способность системы поддерживать заданный гидравлический режим определяется выражением ...
Q = k (τ – tcp) z
Q = k S ∆t z
y = f (∆pаб / ∆pс)
∆t = 0,5(τ1+τ2)-0,5 (t1+ t2)
Средний температурный напор определяется выражением ...
Q = k (τ – tcp) z
Q = k S ∆t z
y = f (∆pаб / ∆pс)
∆t = 0,5(τ1+τ2)-0,5 (t1+ t2)
Сумма парциальных давлений газовых компонентов смеси определяется выражением ...
ρ = М / V
pб = pс.в. + pв.п
pв.п = dpб / (621 + d)
p = p₁ + p₂ + p₃ + … + pi = Σpi (i=1..n)
Схема, представленная на рисунке, позволяет измерить ...
сопротивление
силу тока
напряжение
температуру
Схема, представленная на рисунке, позволяет измерить ...
сопротивление
силу тока
напряжение
емкость
Схема, представленная на рисунке, позволяет измерить ...
сопротивление
силу тока
напряжение
уклон
Температуру приточного воздуха, подаваемого системами кондиционирования воздуха, tп, °С, при наружном воздухе, нагретом в воздухонагревателе на ∆t3, определяют по формуле ...
tп =tн − ∆t1 + 0,001p
tп =tн − ∆t2 + 0,001p
tп =tн − ∆t1 − ∆t2 + 0,001p
tп =tн + ∆t3 + 0,001p
Температуру приточного воздуха, подаваемого системами кондиционирования, при наружном воздухе, охлажденном на ∆t1, °С, циркулирующей водой по адиабатному циклу, определяют по формуле ...
tп =tн − ∆t1 + 0,001p
tп =tн − ∆t2 + 0,001p
tп =tн − ∆t1 − ∆t2 + 0,001p
tп =tн + 0,001p
Температуру приточного воздуха, подаваемого системами кондиционирования, при наружном воздухе, охлажденном циркулирующей водой, и местном доувлажнении, определяют по формуле ...
tп =tн − ∆t1 + 0,001p
tп =tн − ∆t2 + 0,001p
tп =tн − ∆t1 − ∆t2 + 0,001p
tп =tн + 0,001p
Температуру приточного воздуха, подаваемого системами кондиционирования, при необработанном наружном воздухе и местном доувлажнении воздуха в помещении, снижающем его температуру на ∆t2, определяют по формуле ...
tп =tн − ∆t1 + 0,001p
tп =tн − ∆t2 + 0,001p
tп =tн − ∆t1 − ∆t2 + 0,001p
tп =tн + 0,001p
Температуру приточного воздуха, подаваемого системами кондиционирования, при необработанном наружном воздухе, определяют по формуле ...
tп =tн − ∆t1 + 0,001p
tп =tн − ∆t2 + 0,001p
tп =tн − ∆t1 − ∆t2 + 0,001p
tп =tн + 0,001p
Тепловой поток, поступающий в комнаты и кухни жилых зданий от бытовых источников равен ...
10 Вт на 1 м2
Nэл⋅kо
G м⋅c⋅(tв−tм)β
0,28⋅Lп⋅ρ⋅с⋅(tв−tн)⋅K
Тепловой поток, поступающий в комнаты и кухни жилых зданий от работающего электротехнического оборудования и освещения равен ...
10 Вт на 1 м2
Nэл⋅kо
G м⋅c⋅(tв −tм)β
0,28⋅Lп⋅ρ⋅с⋅(tв −tн)⋅K
Теплопередача конвекцией возможна в …
невесомых телах
твердых телах
жидких телах
замороженных жидкостях
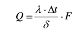
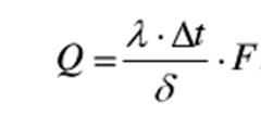
Теплопроводность в плоской стенке описывается уравнением …
Теплопроводность в цилиндрической стенке описывается уравнением ...
Теплый период года характеризуется температурой выше ...
18 °С
14 °С
10 °С
8°С
Термическое сопротивление ограждающей конструкции с последовательно расположенными однородными слоями находят по формуле ...
qрасч = αв (tв − τв.ср )
Rk = R1 + R2,+ … + Rn+ Rв.n
R = δ/λ
Rкпр = Ra +2Rb
Термическое сопротивление слоя однородного материала находят по формуле ...
qрасч = αв (tв − τв.ср )
Rk = R1 + R2,+ … + Rn+ Rв.n
R = δ/λ
Rкпр = Ra +2Rb
Удельная тепловая характеристика q, Вт/(м3⋅°С) административногозданияобъемомменее 5 тысячм3 − ...
0,51
0,43
0,35
0,29
Удельная тепловая характеристика q, Вт/(м3⋅°С) бытовогозданияобъемомот 0,5 до 1 тысячим3 − ...
0,49…0,43
0,35…0,29
0,47…0,38
0,7…0,52
Удельная тепловая характеристика q, Вт/(м3⋅°С) жилогозданияобъемомболее 25 тысячм3 − ...
0,49
0,30
0,38
0,25
Удельная тепловая характеристика q, Вт/(м3⋅°С) зданиягаражаобъемомменее 2 тысячм3 − ...
0,49
0,81
0,38
0,25
Устройства для нагревания воздуха — это ...
вентиляторы
калориферы
пылеуловители
приточные камеры
Устройства для очистки воздуха — это...
вентиляторы
калориферы
пылеуловители
приточные камеры
Устройства для перемещения воздуха — это ...
вентиляторы
калориферы
пылеуловители
приточные камеры
… — электроизмерительный прибор, предназначенный для измерения больших значений сопротивлений.
Вольтметр
Мегаомметр
Амперметр
Тепловизор
… — это архитектурно-строительный показатель.
Стоимость
Тепловая мощность
Внешний вид
Коррозионная стойкость
… — это опасные вещества, предельно допустимая концентрация для которых может быть выше 10 мг/м3 ...
Чрезвычайно опасные
Высокоопасные
Умеренно опасные
Малоопасные
… — это опасные вещества, предельно допустимая концентрация для которых, регламентируется в диапазоне от 0,1 мг/м3 до 1 мг/м3.
Чрезвычайно опасные
Высокоопасные
Умеренно опасные
Малоопасные
… — это опасные вещества, предельно допустимая концентрация для которых, регламентируется в диапазоне от 1,1 мг/м3 до 10 мг/м3 .
Чрезвычайно опасные
Высокоопасные
Умеренно опасные
Малоопасные
… — это опасные вещества, предельно допустимая концентрация которых не должна превышать 0,1 мг/м3.
Чрезвычайно опасные
Высокоопасные
Умеренно опасные
Малоопасные
… — это технико-экономический показатель.
Стоимость
Тепловая мощность
Внешний вид
Коррозионная стойкость
… — это эксплуатационный показатель.
Стоимость
Тепловая мощность
Внешний вид
Коррозионная стойкость
… категория — это помещения, в которых люди в положении лежа или сидя находятся в состоянии покоя и отдыха.
1
2
3
4
… категория — это помещения, в которых люди заняты умственным трудом, учебой.
1
2
3
4
… категория — это помещения, в которых люди пребывают преимущественно в положении сидя в верхней одежде…
1
2
3
4
… категория помещений с временным пребыванием людей (вестибюли, гардеробные, коридоры, лестницы, санузлы, курительные, кладовые).
1
2
3
4Показать/скрыть дополнительное описание
Инженерные системы зданий и сооружений (Теплоснабжение и вентиляция) Темы 1-8 УЧЕБНЫЕ МАТЕРИАЛЫ Тема 1. Основные виды теплообмена Тема 2. Теплоснабжение промышленных и гражданских зданий Тема 3. Системы отопления Тема 4. Отопительные приборы и трубопроводы Тема 5. Регулирование тепловой нагрузки систем теплоснабжения Тема 6. Микроклимат и устройство систем вентиляции Тема 7. Оборудование вентиляционных систем Тема 8. Приборы контроля и энергоэффективность отопительных и вентиляционных систем В особо опасных местах (с точки зрения возможности поражения электротоком) необходимо работать с электроинструментом с напряжением питания не более: 12 В 36 В 42 В При какой массе перемещаемого груза необходимо использовать грузоподъемные механизмы? более 30 кг более 50 кг любого груза Барометрическое давление атмосферного воздуха определяется выражением ...
ρ = М / V pб = pс.в. + pв.п pв.п = dpб / (621 + d) p = p₁ + p₂ + p₃ + … + pi = Σpi (i=1..n) В процессе … возможно поражение электротоком. калибровки шкалы мегаомметра подготовки цифрового мультиметра к выполнению работ измерения температуры тепловизором измерения сопротивления изоляции мегаомметром Единица измерения абсолютной температуры в системе СИ — это… градус Цельсия кельвин (К) градус Фаренгейта градус Реомюра Закон Стефана – Больцмана описывает тепловые потоки для случая ... передачи тепла через плоскую стенку радиации конвекции передачи тепла через цилиндрическую стенку Запорная арматура, представленная на рисунке, называется ... задвижкой вентилем пробковым краном дроссельным регулирующим краном Запорная арматура, представленная на рисунке, называется ...
задвижкой вентилем пробковый кран дроссельным регулирующим краном Запорная арматура, представленная на рисунке, называется ... задвижкой вентилем пробковый кран дроссельным регулирующим краном Запорная арматура, представленная на рисунке, называется... задвижкой вентилем пробковым краном дроссельным регулирующим краном Затраты теплоты на нагревание воздуха, удаляемого из помещений жилых и общественных зданий при естественной вытяжной вентиляции, не компенсируемые подогретым приточным воздухом равны ... 10 Вт на 1 м2 Nэл⋅kо G м⋅c⋅(tв −tм)β 0,28⋅Lп⋅ρ⋅с⋅(tв −tн)⋅K Затраты теплоты на нагревание холодных материалов и транспортных средств, въезжающих в производственные помещения равны ...
10 Вт на 1 м2 Nэл⋅kо G м⋅c⋅(tв −tм)β 0,28⋅Lп⋅ρ⋅с⋅(tв −tн)⋅K Значение коэффициента теплоотдачи наружной поверхности чердачного перекрытия для зимних условий в северной климатической зоне ... 23 Вт/(м2⋅°С 17 Вт/(м2⋅°С 12 Вт/(м2⋅°С 6 Вт/(м2⋅°С Значение коэффициента теплоотдачи поверхности наружных стен для зимних условий в северной климатической зоне ... 23 Вт/ (м2⋅°С) 17 Вт/(м2⋅°С) 12 Вт/(м2⋅°С) 6 Вт/(м2⋅°С) Значение коэффициента теплоотдачи поверхности перекрытия над неотапливаемыми подвалами без световых проемов в стенах, для зимних условий в северной климатической зоне ... 23 Вт/(м2⋅°С 17 Вт/(м2⋅°С 12 Вт/(м2⋅°С 6 Вт/(м2⋅°С Значение коэффициента теплоотдачи поверхности перекрытия над холодным подвалом, сообщающимся с наружным воздухом для зимних условий в северной климатической зоне ...
23 Вт/(м2⋅°С 17 Вт/(м2⋅°С) 12 Вт/(м2⋅°С 6 Вт/(м2⋅°С Изменение тепловой нагрузки, путем изменения длительности работы, называется ... количественным регулированием качественно-количественным регулированием качественным регулированием регулированием пропусками Изменение тепловой нагрузки, путем изменения расхода и температуры сетевой воды, называется ... качественно-количественным регулированием качественным регулированием автоматическим регулированием регулированием пропусками Изменение тепловой нагрузки, путем изменения расхода сетевой воды, называется ... количественным регулированием качественно-количественным регулированием качественным регулированием регулированием пропусками Изменение тепловой нагрузки, путем изменения температуры сетевой воды, называется ...
количественным регулированием качественно-количественным регулированием качественным регулированием регулированием пропусками Какое устройство показано на рисунке? вентилятор одноходовой калорифер пылеуловитель приточная камера Какое устройство показано на рисунке? вентилятор многоходовой калорифер пылеуловитель приточная камера Какой из приведенных ниже терминов относится к теплотехническим? стоимость тепловая мощность внешний вид коррозионная стойкость Количество теплоты, передаваемое от насыщенного пара к нагреваемой воде, рассчитывается по формуле ... Q = k (τ – tcp) z Q = k S ∆t z y = f (Dpаб / Dpс) ∆t = 0,5(τ1+τ2)-0,5 (t1+ t2) Количество теплоты, передаваемое от теплоносителя тепловой сети к нагреваемой воде, рассчитывается по формуле ...
Q = k (τ – tcp) z Q = k S ∆t z y = f (Dpаб / Dpс) ∆t = 0,5(τ1+τ2)-0,5 (t1+ t2) Коэффициент пропорциональности, который характеризует физические способности тела к пропусканию тепла, называется... коэффициентом теплоотдачи коэффициентом теплопередачи коэффициентом объемного расширения коэффициентом теплопроводности Коэффициент теплоотдачи между движущейся жидкостью и твердой поверхностью не зависит от ... скорости и направления потока жидкости геомет¬рических размеров и формы поверхности, положения поверхности по отношению к вектору силы тяжести толщины стенки твердой поверхности Критерий, который определяет подобие температурных и скоростных полей в потоке жидкости и учитывает влияние физических свойств теплоносителя на теплоотдачу, называется ...
критерием Прандтля критерием Рейнольдса критерием Грасгофа критерием Нусселъта Критерий, характеризующий отношение величины конвективного теплового потока, передаваемого по нормали к твердой стенке к кондуктивному тепловому потоку, передаваемому в тех же условиях, называется ... критерием Рейнольдса критерием Нусселъта критерием Грасгофа критерием Прандтля Критерий, характеризующий отношение сил инерции и сил вязкости (вязкостного трения) в потоке движущейся жидкости, называется ... критерием Грасгофа критерием Прандтля критерием Рейнольдса критерием Нуссельта Критерий, являющийся мерой соотношения архимедовой выталкивающей силы, вызванной неравномерным распределением плотности жидкости, газа в неоднородном поле температур, и силами вязкости, называется ...
критерием Рейнольдса критерием Грасгофа критерием Нусселъта критерием Прандтля Множитель Fi в уравнении, определяющий потери теплоты i ограждающей конструкцией Qi = Fi ki (tв −tн) n,называется ... расчетной площадью i-й ограждающей конструкции коэффициентом теплопередачи i-й ограждающей конструкции расчетной температурой наружного воздуха расчетной температурой воздуха рабочей зоны помещения Множитель ki в уравнении, определяющий потери теплоты i ограждающей конструкцией Qi = Fi ki (tв −tн) n,называется ... расчетной площадь i-й ограждающей конструкции коэффициентом теплопередачи i-й ограждающей конструкции расчетной температурой наружного воздуха расчетной температурой воздуха рабочей зоны помещения На рисунке изображен ...
пористый фильтр электрический пылеуловитель орошаемый фильтр циклон На рисунке изображен ... пористый фильтр электрический пылеуловитель орошаемый фильтр циклон На рисунке изображена система отопления ... с естественным побуждением при незаглубленном котле однотрубная, с естественным побуждением двухтрубная, с естественным побуждением с принудительным побуждением На рисунке изображена система отопления ... с естественным побуждением при незаглубленном котле однотрубная, с естественным побуждением двухтрубная, с естественным побуждением с принудительным побуждением На рисунке изображена система отопления ... с естественным побуждением при незаглубленном котле однотрубная, с естественным побуждением двухтрубная, с естественным побуждением с принудительным побуждением На рисунке изображена схема для ...
измерения сопротивления изоляции между каждой фазой и корпусом измерения сопротивления изоляции между каждой фазой и другими заземленными фазами измерения сопротивления изоляции между фазами На рисунке изображена схема для ... измерения сопротивления изоляции между каждой фазой и корпусом измерения сопротивления изоляции между каждой фазой и другими заземленными фазами измерения сопротивления изоляции между фазами На рисунке изображена схема для ... измерения сопротивления изоляции между каждой фазой и корпусом измерения сопротивления изоляции между каждой фазой и другими заземленными фазами измерения сопротивления изоляции между фазами На рисунке показан температурный график регулирования отопительной нагрузки методом ...
качественного регулирования количественного регулирования качественно-количественного регулирования регулирования пропусками. На рисунке показан температурный график регулирования отопительной нагрузки методом... качественного регулирования количественного регулирования качественно-количественного регулирования регулирования пропусками. На рисунке показан температурный график регулирования тепловой нагрузки методом ... качественного регулирования количественного регулирования качественно-количественного регулирования регулирования пропусками На этом рисунке изображен ... воздухосборник кран двойной регулировки циркуляционный насос водоструйный элеватор На этом рисунке представлен ...
воздухосборник кран двойной регулировки циркуляционный насос водоструйный элеватор Нормативный температурный перепад между температурой внутреннего воздуха и температурой внутренней поверхности ограждающей конструкции для наружных стен жилых зданий составляет ... 2 °С 8 °С 4 °С 6 °С Нормативный температурный перепад между температурой внутреннего воздуха и температурой внутренней поверхности ограждающей конструкции для наружных стен производственных зданий с сухим режимом составляет ... 12 °С 10 °С 8 °С 6 °С Нормативный температурный перепад между температурой внутреннего воздуха и температурой внутренней поверхности ограждающей конструкции для чердачных перекрытий больничных зданий составляет ...
2 °С 8 °С 4 °С 6 °С Н....
Список вопросов







































Эти вопросы в других коллекциях
Характеристики ответов (шпаргалок) к экзамену

