Для студентов МТИ по предмету Теплоснабжение и вентиляция зданийТеплоснабжение и вентиляция зданийТеплоснабжение и вентиляция зданий
5,00538
2024-07-082025-01-15СтудИзба
Теплоснабжение и вентиляция зданий МТИ Ответы на итоговый тест
Ответы к экзамену Итоговый тест: Теплоснабжение и вентиляция зданий
Бестселлер
-28%
Описание
Тест был сдан в 2024 году.
Представлены ответы на большинство вопросов по предмету "Теплоснабжение и вентиляция зданий.ти_ФРК".
Итоговый набранный балл 100 из 100 (Скриншот прилагаю).
ВНИМАНИЕ! Покупайте работу, только убедившись, что ваши вопросы совпадают с представленными ниже. Для этого рекомендую сначала запустить тест и сверить хотя бы несколько вопросов.
СПИСОК ТЕМ:
СПИСОК ВОПРОСОВ:
… — электроизмерительный прибор, предназначенный для измерения больших значений сопротивлений.
… — это архитектурно-строительный показатель.
… — это опасные вещества, предельно допустимая концентрация для которых может быть выше 10 мг/м3 ...
… — это опасные вещества, предельно допустимая концентрация для которых, регламентируется в диапазоне от 0,1 мг/м3 до 1 мг/м3.
… — это опасные вещества, предельно допустимая концентрация для которых, регламентируется в диапазоне от 1,1 мг/м3 до 10 мг/м3 .
… — это опасные вещества, предельно допустимая концентрация которых не должна превышать 0,1 мг/м3.
… — это технико-экономический показатель.
… — это эксплуатационный показатель.
… категория — это помещения, в которых люди в положении лежа или сидя находятся в состоянии покоя и отдыха.
… категория — это помещения, в которых люди заняты умственным трудом, учебой.
… категория — это помещения, в которых люди пребывают преимущественно в положении сидя в верхней одежде…
… категория помещений с временным пребыванием людей (вестибюли, гардеробные, коридоры, лестницы, санузлы, курительные, кладовые).
Барометрическое давление атмосферного воздуха определяется выражением ...
В процессе … возможно поражение электротоком.
Единица измерения абсолютной температуры в системе СИ — это…
Закон Стефана – Больцмана описывает тепловые потоки для случая ...
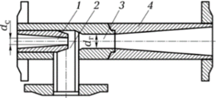
Запорная арматура, представленная на рисунке, называется ...
Запорная арматура, представленная на рисунке, называется ...
Запорная арматура, представленная на рисунке, называется ...
Запорная арматура, представленная на рисунке, называется...
Затраты теплоты на нагревание воздуха, удаляемого из помещений жилых и общественных зданий при естественной вытяжной вентиляции, не компенсируемые подогретым приточным воздухом равны …
Затраты теплоты на нагревание холодных материалов и транспортных средств, въезжающих в производственные помещения равны ...
Значение коэффициента теплоотдачи наружной поверхности чердачного перекрытия для зимних условий в северной климатической зоне ...
Значение коэффициента теплоотдачи поверхности наружных стен для зимних условий в северной климатической зоне ...
Значение коэффициента теплоотдачи поверхности перекрытия над неотапливаемыми подвалами без световых проемов в стенах, для зимних условий в северной климатической зоне ...
Изменение тепловой нагрузки, путем изменения длительности работы, называется ...
Изменение тепловой нагрузки, путем изменения расхода и температуры сетевой воды, называется ...
Изменение тепловой нагрузки, путем изменения расхода сетевой воды, называется ...
Изменение тепловой нагрузки, путем изменения температуры сетевой воды, называется ...
Какое устройство показано на рисунке?
Какое устройство показано на рисунке?
Какой из приведенных ниже терминов относится к теплотехническим?
Количество теплоты, передаваемое от теплоносителя тепловой сети к нагреваемой воде, рассчитывается по формуле ...
Коэффициент пропорциональности, который характеризует физические способности тела к пропусканию тепла, называется...
Коэффициент теплоотдачи между движущейся жидкостью и твердой поверхностью не зависит от ...
Критерий, который определяет подобие температурных и скоростных полей в потоке жидкости и учитывает влияние физических свойств теплоносителя на теплоотдачу, называется …
Критерий, характеризующий отношение величины конвективного теплового потока, передаваемого по нормали к твердой стенке к кондуктивному тепловому потоку, передаваемому в тех же условиях, называется ...
Критерий, характеризующий отношение сил инерции и сил вязкости (вязкостного трения) в потоке движущейся жидко¬сти, называется ...
Критерий, являющийся мерой соотношения архимедовой выталкивающей силы, вызванной неравномерным распределением плотности жидкости, газа в неоднородном поле температур, и силами вязкости, называется ...
Множитель Fi в уравнении, определяющий потери теплоты i ограждающей конструкцией Qi = Fi ki (tв −tн) n, называется ...
Множитель ki в уравнении, определяющий потери теплоты i ограждающей конструкцией Qi = Fi ki (tв −tн) n, называется ...
На рисунке изображен …
На рисунке изображен...
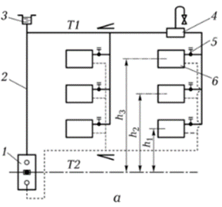
На рисунке изображена система отопления ...
На рисунке изображена система отопления …
На рисунке изображена система отопления ...
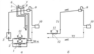
На рисунке изображена схема для ...
На рисунке изображена схема для ...
На рисунке изображена схема для …
На рисунке показан температурный график регулирования отопительной нагрузки методом ...
На рисунке показан температурный график регулирования отопительной нагрузки методом…
На рисунке показан температурный график регулирования тепловой нагрузки методом ...
На этом рисунке изображен ...
На этом рисунке представлен ...
Нормативный температурный перепад между температурой внутреннего воздуха и температурой внутренней поверхности ограждающей конструкции для наружных стен жилых зданий составляет ...
Нормативный температурный перепад между температурой внутреннего воздуха и температурой внутренней поверхности ограждающей конструкции для наружных стен производственных зданий с сухим режимом составляет ...
Нормативный температурный перепад между температурой внутреннего воздуха и температурой внутренней поверхности ограждающей конструкции для чердачных перекрытий больничных зданий составляет ...
Нормативный температурный перепад между температурой внутреннего воздуха и температурой внутренней поверхности ограждающей конструкции для чердачных перекрытий производственных зданий с сухим режимом составляет ...
Оптимальный диапазон относительной влажности воздуха в рабочей зоне - ...
Оптимальный диапазон температуры воздуха в рабочей зоне для категории работ средней тяжести - ...
Оптимальный диапазон температуры воздуха в рабочей зоне для легкой категории работ - ...
Оптимальный диапазон температуры воздуха в рабочей зоне для тяжелой категории работ ...
Отопительный прибор, изображенный на рисунке, называется ...
Отопительный прибор, изображенный на рисунке, называется ...
Отопительный прибор, изображенный на рисунке, называется ...
Отопительный прибор, изображенный на рисунке, называется ...
Отопительный прибор, изображенный на рисунке, называется ...
Отопительный прибор, изображенный на рисунке, называется ...
Парциальное давление водяного пара определяется выражением ...
Плотность влажного воздуха определяется выражением …
Прибор, изображенный на рисунке называется ...
Прибор, изображенный на рисунке называется …
Прибор, изображенный на рисунке называется ...
Прибор, изображенный на рисунке называется …
Процесс передачи энергии от одного тела к другому называется ...
Система отопления, изображенная на рисунке, называется …
Системы теплоснабжения, в которых вода, циркулирующая в трубопроводе, используется только как теплоноситель, и не забирается из системы для нужд обеспечения горячего водоснабжения, называются ...
Системы теплоснабжения, в которых разбор горячей воды для нужд потребителя происходит непосредственно из теплосети, называются ...
Системы теплоснабжения, в которых теплоноситель по трубопроводу попадает сразу в систему отопления потребителя без промежуточных теплообменников, называются …
Способность системы поддерживать заданный гидравлический режим определяется выражением ...
Средний температурный напор определяется выражением ...
Сумма парциальных давлений газовых компонентов смеси определяется выражением ...
Схема, представленная на рисунке, позволяет измерить ...
Схема, представленная на рисунке, позволяет измерить ...
Схема, представленная на рисунке, позволяет измерить ...
Температуру приточного воздуха, подаваемого системами кондиционирования воздуха, tп, °С, при наружном воздухе, нагретом в воздухонагревателе на ∆t3, определяют по формуле ...
Температуру приточного воздуха, подаваемого системами кондиционирования, при наружном воздухе, охлажденном на ∆t1, °С, циркулирующей водой по адиабатному циклу, определяют по формуле ...
Температуру приточного воздуха, подаваемого системами кондиционирования, при наружном воздухе, охлажденном циркулирующей водой, и местном доувлажнении, определяют по формуле ...
Температуру приточного воздуха, подаваемого системами кондиционирования, при необработанном наружном воздухе и местном доувлажнении воздуха в помещении, снижающем его температуру на ∆t2, определяют по формуле ...
Температуру приточного воздуха, подаваемого системами кондиционирования, при необработанном наружном воздухе, определяют по формуле ...
Тепловой поток, поступающий в комнаты и кухни жилых зданий от бытовых источников равен ...
Тепловой поток, поступающий в комнаты и кухни жилых зданий от работающего электротехнического оборудования и освещения равен ...
Теплопередача конвекцией возможна в …
Теплопроводность в плоской стенке описывается уравнением ...
Теплопроводность в цилиндрической стенке описывается уравнением ...
Теплый период года характеризуется температурой выше ...
Термическое сопротивление ограждающей конструкции с последовательно расположенными однородными слоями находят по формуле ...
Термическое сопротивление слоя однородного материала находят по формуле ...
Удельная тепловая характеристика q, Вт/(м3⋅°С) административного здания объемом менее 5 тысяч м3 − ...
Удельная тепловая характеристика q, Вт/(м3⋅°С) бытового здания объемом от 0,5 до 1 тысячи м3 − ...
Удельная тепловая характеристика q, Вт/(м3⋅°С) жилого здания объемом более 25 тысяч м3 − ...
Удельная тепловая характеристика q, Вт/(м3⋅°С) здания гаража объемом менее 2 тысяч м3 − ...
Укажите уравнение Ньютона – Рихмана ...
Устройства для нагревания воздуха — это ...
Устройства для очистки воздуха — это...
Устройства для перемещения воздуха — это ...
Представлены ответы на большинство вопросов по предмету "Теплоснабжение и вентиляция зданий.ти_ФРК".
Итоговый набранный балл 100 из 100 (Скриншот прилагаю).
ВНИМАНИЕ! Покупайте работу, только убедившись, что ваши вопросы совпадают с представленными ниже. Для этого рекомендую сначала запустить тест и сверить хотя бы несколько вопросов.
СПИСОК ТЕМ:
- Тема 1. Основные виды теплообмена
- Тема 2. Теплоснабжение промышленных и гражданских зданий
- Тема 3. Системы отопления
- Тема 4. Отопительные приборы и трубопроводы
- Тема 5. Регулирование тепловой нагрузки систем теплоснабжения
- Тема 6. Микроклимат и устройство систем вентиляции
- Тема 7. Оборудование вентиляционных систем
- Тема 8. Приборы контроля и энергоэффективность отопительных и вентиляционных систем
СПИСОК ВОПРОСОВ:
… — электроизмерительный прибор, предназначенный для измерения больших значений сопротивлений.
- Вольтметр
- Мегаомметр
- Амперметр
- Тепловизор
… — это архитектурно-строительный показатель.
- Стоимость
- Тепловая мощность
- Внешний вид
- Коррозионная стойкость
… — это опасные вещества, предельно допустимая концентрация для которых может быть выше 10 мг/м3 ...
- Чрезвычайно опасные
- Высокоопасные
- Умеренно опасные
- Малоопасные
… — это опасные вещества, предельно допустимая концентрация для которых, регламентируется в диапазоне от 0,1 мг/м3 до 1 мг/м3.
- Чрезвычайно опасные
- Высокоопасные
- Умеренно опасные
- Малоопасные
… — это опасные вещества, предельно допустимая концентрация для которых, регламентируется в диапазоне от 1,1 мг/м3 до 10 мг/м3 .
- Чрезвычайно опасные
- Высокоопасные
- Умеренно опасные
- Малоопасные
… — это опасные вещества, предельно допустимая концентрация которых не должна превышать 0,1 мг/м3.
- Чрезвычайно опасные
- Высокоопасные
- Умеренно опасные
- Малоопасные
… — это технико-экономический показатель.
- Стоимость
- Тепловая мощность
- Внешний вид
- Коррозионная стойкость
… — это эксплуатационный показатель.
- Стоимость
- Тепловая мощность
- Внешний вид
- Коррозионная стойкость
… категория — это помещения, в которых люди в положении лежа или сидя находятся в состоянии покоя и отдыха.
- 1
- 2
- 3
- 4
… категория — это помещения, в которых люди заняты умственным трудом, учебой.
- 1
- 2
- 3
- 4
… категория — это помещения, в которых люди пребывают преимущественно в положении сидя в верхней одежде…
- 1
- 2
- 3
- 4
… категория помещений с временным пребыванием людей (вестибюли, гардеробные, коридоры, лестницы, санузлы, курительные, кладовые).
- 1
- 2
- 3
- 4
Барометрическое давление атмосферного воздуха определяется выражением ...
- ρ = М / V
- pб = pс.в. + pв.п
- pв.п = dpб / (621 + d)
- p = p₁ + p₂ + p₃ + … + pi = Σpi (i=1..n)
В процессе … возможно поражение электротоком.
- калибровки шкалы мегаомметра
- подготовки цифрового мультиметра к выполнению работ
- измерения температуры тепловизором
- измерения сопротивления изоляции мегаомметром
Единица измерения абсолютной температуры в системе СИ — это…
- градус Цельсия
- кельвин (К)
- градус Фаренгейта
- градус Реомюра
Закон Стефана – Больцмана описывает тепловые потоки для случая ...
- передачи тепла через плоскую стенку
- радиации
- конвекции
- передачи тепла через цилиндрическую стенку
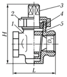
Запорная арматура, представленная на рисунке, называется ...

- задвижкой
- вентилем
- пробковый кран
- дроссельным регулирующим краном
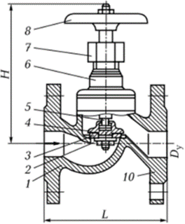
Запорная арматура, представленная на рисунке, называется ...

- задвижкой
- вентилем
- пробковый кран
- дроссельным регулирующим краном
Запорная арматура, представленная на рисунке, называется ...

- задвижкой
- вентилем
- пробковый кран
- дроссельным регулирующим краном
Запорная арматура, представленная на рисунке, называется...

- задвижкой
- вентилем
- пробковым краном
- дроссельным регулирующим краном
Затраты теплоты на нагревание воздуха, удаляемого из помещений жилых и общественных зданий при естественной вытяжной вентиляции, не компенсируемые подогретым приточным воздухом равны …
- 10 Вт на 1 м2
- Nэл⋅kо
- G м⋅c⋅(tв −tм)β
- 0,28⋅Lп⋅ρ⋅с⋅(tв −tн)⋅K
Затраты теплоты на нагревание холодных материалов и транспортных средств, въезжающих в производственные помещения равны ...
- 10 Вт на 1 м2
- Nэл⋅kо
- G м⋅c⋅(tв −tм)β
- 0,28⋅Lп⋅ρ⋅с⋅(tв −tн)⋅K
Значение коэффициента теплоотдачи наружной поверхности чердачного перекрытия для зимних условий в северной климатической зоне ...
- 23 Вт/(м2⋅°С
- 17 Вт/(м2⋅°С
- 12 Вт/(м2⋅°С
- 6 Вт/(м2⋅°С
Значение коэффициента теплоотдачи поверхности наружных стен для зимних условий в северной климатической зоне ...
- 23 Вт/ (м2⋅°С)
- 17 Вт/(м2⋅°С)
- 12 Вт/(м2⋅°С)
- 6 Вт/(м2⋅°С)
Значение коэффициента теплоотдачи поверхности перекрытия над неотапливаемыми подвалами без световых проемов в стенах, для зимних условий в северной климатической зоне ...
- 23 Вт/(м2⋅°С
- 17 Вт/(м2⋅°С
- 12 Вт/(м2⋅°С
- 6 Вт/(м2⋅°С
Изменение тепловой нагрузки, путем изменения длительности работы, называется ...
- количественным регулированием
- качественно-количественным регулированием
- качественным регулированием
- регулированием пропусками
Изменение тепловой нагрузки, путем изменения расхода и температуры сетевой воды, называется ...
- качественно-количественным регулированием
- качественным регулированием
- автоматическим регулированием
- регулированием пропусками
Изменение тепловой нагрузки, путем изменения расхода сетевой воды, называется ...
- количественным регулированием
- качественно-количественным регулированием
- качественным регулированием
- регулированием пропусками
Изменение тепловой нагрузки, путем изменения температуры сетевой воды, называется ...
- количественным регулированием
- качественно-количественным регулированием
- качественным регулированием
- регулированием пропусками
Какое устройство показано на рисунке?

- вентилятор
- одноходовой калорифер
- пылеуловитель
- приточная камера
Какое устройство показано на рисунке?

- вентилятор
- многоходовой калорифер
- пылеуловитель
- приточная камера
Какой из приведенных ниже терминов относится к теплотехническим?
- стоимость
- тепловая мощность
- внешний вид
- коррозионная стойкость
Количество теплоты, передаваемое от теплоносителя тепловой сети к нагреваемой воде, рассчитывается по формуле ...
- Q = k (τ – tcp) z
- Q = k S ∆t z
- y = f (☐pаб / ☐pс)
- ∆t = 0,5(τ1+τ2)-0,5 (t1+ t2)
Коэффициент пропорциональности, который характеризует физические способности тела к пропусканию тепла, называется...
- коэффициентом теплоотдачи
- коэффициентом теплопередачи
- коэффициентом объемного расширения
- коэффициентом теплопроводности
Коэффициент теплоотдачи между движущейся жидкостью и твердой поверхностью не зависит от ...
- скорости и направления потока жидкости
- геомет¬рических размеров и формы поверхности,
- положения поверхности по отношению к вектору силы тяжести
- толщины стенки твердой поверхности
Критерий, который определяет подобие температурных и скоростных полей в потоке жидкости и учитывает влияние физических свойств теплоносителя на теплоотдачу, называется …
- критерием Прандтля
- критерием Рейнольдса
- критерием Грасгофа
- критерием Нусселъта
Критерий, характеризующий отношение величины конвективного теплового потока, передаваемого по нормали к твердой стенке к кондуктивному тепловому потоку, передаваемому в тех же условиях, называется ...
- критерием Рейнольдса
- критерием Нусселъта
- критерием Грасгофа
- критерием Прандтля
Критерий, характеризующий отношение сил инерции и сил вязкости (вязкостного трения) в потоке движущейся жидко¬сти, называется ...
- критерием Грасгофа
- критерием Прандтля
- критерием Рейнольдса
- критерием Нуссельта
Критерий, являющийся мерой соотношения архимедовой выталкивающей силы, вызванной неравномерным распределением плотности жидкости, газа в неоднородном поле температур, и силами вязкости, называется ...
- критерием рейнольдса
- критерием грасгофа
- критерием нусселъта
- критерием прандтля
Множитель Fi в уравнении, определяющий потери теплоты i ограждающей конструкцией Qi = Fi ki (tв −tн) n, называется ...
- расчетной площадью i-й ограждающей конструкции
- коэффициентом теплопередачи i-й ограждающей конструкции
- расчетной температурой наружного воздуха
- расчетной температурой воздуха рабочей зоны помещения
Множитель ki в уравнении, определяющий потери теплоты i ограждающей конструкцией Qi = Fi ki (tв −tн) n, называется ...
- расчетной площадь i-й ограждающей конструкции
- коэффициентом теплопередачи i-й ограждающей конструкции
- расчетной температурой наружного воздуха
- расчетной температурой воздуха рабочей зоны помещения
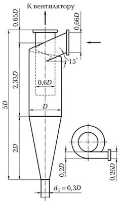
На рисунке изображен …

- пористый фильтр
- электрический пылеуловитель
- орошаемый фильтр
- циклон
На рисунке изображен...

- пористый фильтр
- электрический пылеуловитель
- орошаемый фильтр
- циклон
На рисунке изображена система отопления ...

- с естественным побуждением при незаглубленном котле
- однотрубная, с естественным побуждением
- двухтрубная, с естественным побуждением
- с принудительным побуждением
На рисунке изображена система отопления …

- с естественным побуждением при незаглубленном котле
- однотрубная, с естественным побуждением
- двухтрубная, с естественным побуждением
- с принудительным побуждением
На рисунке изображена система отопления ...

- с естественным побуждением при незаглубленном котле
- однотрубная, с естественным побуждением
- двухтрубная, с естественным побуждением
- с принудительным побуждением
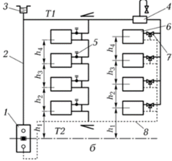
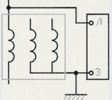
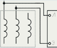
На рисунке изображена схема для ...

- измерения сопротивления изоляции между каждой фазой и корпусом
- измерения сопротивления изоляции между каждой фазой и другими заземленными фазами
- измерения сопротивления изоляции между фазами
На рисунке изображена схема для ...

- измерения сопротивления изоляции между каждой фазой и корпусом
- измерения сопротивления изоляции между каждой фазой и другими заземленными фазами
- измерения сопротивления изоляции между фазами
На рисунке изображена схема для …

- измерения сопротивления изоляции между каждой фазой и корпусом
- измерения сопротивления изоляции между каждой фазой и другими заземленными фазами
- измерения сопротивления изоляции между фазами
На рисунке показан температурный график регулирования отопительной нагрузки методом ...

- качественного регулирования
- количественного регулирования
- качественно-количественного регулирования
- регулирования пропусками.
На рисунке показан температурный график регулирования отопительной нагрузки методом…

- качественного регулирования
- количественного регулирования
- качественно-количественного регулирования
- регулирования пропусками.
На рисунке показан температурный график регулирования тепловой нагрузки методом ...

- качественного регулирования
- количественного регулирования
- качественно-количественного регулирования
- регулирования пропусками
На этом рисунке изображен ...

- воздухосборник
- кран двойной регулировки
- циркуляционный насос
- водоструйный элеватор
На этом рисунке представлен ...

- воздухосборник
- кран двойной регулировки
- циркуляционный насос
- водоструйный элеватор
Нормативный температурный перепад между температурой внутреннего воздуха и температурой внутренней поверхности ограждающей конструкции для наружных стен жилых зданий составляет ...
- 2 °С
- 8 °С
- 4 °С
- 6 °С
Нормативный температурный перепад между температурой внутреннего воздуха и температурой внутренней поверхности ограждающей конструкции для наружных стен производственных зданий с сухим режимом составляет ...
- 12 °С
- 10 °С
- 8 °С
- 6 °С
Нормативный температурный перепад между температурой внутреннего воздуха и температурой внутренней поверхности ограждающей конструкции для чердачных перекрытий больничных зданий составляет ...
- 2 °С
- 8 °С
- 4 °С
- 6 °С
Нормативный температурный перепад между температурой внутреннего воздуха и температурой внутренней поверхности ограждающей конструкции для чердачных перекрытий производственных зданий с сухим режимом составляет ...
- 2 °С
- 8 °С
- 4 °С
- 6 °С
Оптимальный диапазон относительной влажности воздуха в рабочей зоне - ...
- 20-40%
- 40-60%
- 60-80%
- 80-100%
Оптимальный диапазон температуры воздуха в рабочей зоне для категории работ средней тяжести - ...
- 16-18°С
- 17-20°С
- 21-23°С
- 22-25°С
Оптимальный диапазон температуры воздуха в рабочей зоне для легкой категории работ - ...
- 16-18°С
- 17-20°С
- 21-23°С
- 22-25°С
Оптимальный диапазон температуры воздуха в рабочей зоне для тяжелой категории работ ...
- 16-18°С
- 17-20°С
- 21-23°С
- 22-25°С
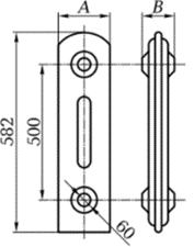
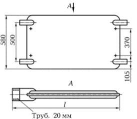
Отопительный прибор, изображенный на рисунке, называется ...

- стальным штампованным радиатором
- секцией чугунного радиатора
- ребристой чугунной трубой
- конвектором
Отопительный прибор, изображенный на рисунке, называется ...

- стальным штампованным радиатором
- секцией чугунного радиатора
- регистром из стальных труб
- конвектором
Отопительный прибор, изображенный на рисунке, называется ...

- стальным штампованным радиатором
- секцией чугунного радиатора
- регистром из стальных труб
- конвектором
Отопительный прибор, изображенный на рисунке, называется ...

- стальным штампованным радиатором
- секцией чугунного радиатора
- регистром из стальных труб
- конвектором
Отопительный прибор, изображенный на рисунке, называется ...

- стальным штампованным радиатором
- секцией чугунного радиатора
- регистром из стальных труб
- конвектором
Отопительный прибор, изображенный на рисунке, называется ...

- стальным штампованным радиатором
- секцией чугунного радиатора
- электрорадиатором
- конвектором
Парциальное давление водяного пара определяется выражением ...
- ρ = М / V
- pб = pс.в. + pв.п
- pв.п = dpб / (621 + d)
- p = p₁ + p₂ + p₃ + … + pi = Σpi (i=1..n)
Плотность влажного воздуха определяется выражением …
- ρ = М / V
- pб = pс.в. + pв.п
- pв.п = dpб / (621 + d)
- p = p₁ + p₂ + p₃ + … + pi = Σpi (i=1..n)
Прибор, изображенный на рисунке называется ...

- цифровой мультиметр
- аналоговый мультиметр
- мегаомметр
- тепловизор
Прибор, изображенный на рисунке называется …

- цифровой мультиметр
- аналоговый мультиметр
- мегаомметр
- тепловизор
Прибор, изображенный на рисунке называется ...

- цифровой мультиметр
- аналоговый мультиметр
- мегаомметр
- тепловизор
Прибор, изображенный на рисунке называется …

- цифровой мультиметр
- аналоговый мультиметр
- мегаомметр
- тепловизор
Процесс передачи энергии от одного тела к другому называется ...
- сублимацией
- конвекцией
- теплообменом
- испарением
Система отопления, изображенная на рисунке, называется …

- с естественным побуждением при незаглубленном котле
- однотрубная, с естественным побуждением
- двухтрубная, с естественным побуждением
- с принудительным побуждением
Системы теплоснабжения, в которых вода, циркулирующая в трубопроводе, используется только как теплоноситель, и не забирается из системы для нужд обеспечения горячего водоснабжения, называются ...
- закрытыми системами
- зависимыми системами
- открытыми системами
- независимыми системами
Системы теплоснабжения, в которых разбор горячей воды для нужд потребителя происходит непосредственно из теплосети, называются ...
- закрытыми системами
- зависимыми системами
- открытыми системами
- независимыми системами
Системы теплоснабжения, в которых теплоноситель по трубопроводу попадает сразу в систему отопления потребителя без промежуточных теплообменников, называются …
- закрытыми системами
- зависимыми системами
- открытыми системами
- независимыми системами
Способность системы поддерживать заданный гидравлический режим определяется выражением ...
- Q = k (τ – tcp) z
- Q = k S ∆t z
- y = f (∆pаб / ∆pс)
- ∆t = 0,5(τ1+τ2)-0,5 (t1+ t2)
Средний температурный напор определяется выражением ...
- Q = k (τ – tcp) z
- Q = k S ∆t z
- y = f (∆pаб / ∆pс)
- ∆t = 0,5(τ1+τ2)-0,5 (t1+ t2)
Сумма парциальных давлений газовых компонентов смеси определяется выражением ...
- ρ = М / V
- pб = pс.в. + pв.п
- pв.п = dpб / (621 + d)
- p = p₁ + p₂ + p₃ + … + pi = Σpi (i=1..n)
Схема, представленная на рисунке, позволяет измерить ...

- сопротивление
- силу тока
- напряжение
- температуру
Схема, представленная на рисунке, позволяет измерить ...

- сопротивление
- силу тока
- напряжение
- емкость
Схема, представленная на рисунке, позволяет измерить ...

- сопротивление
- силу тока
- напряжение
- уклон
Температуру приточного воздуха, подаваемого системами кондиционирования воздуха, tп, °С, при наружном воздухе, нагретом в воздухонагревателе на ∆t3, определяют по формуле ...
- tп =tн − ∆t1 + 0,001p
- tп =tн − ∆t2 + 0,001p
- tп =tн − ∆t1 − ∆t2 + 0,001p
- tп =tн + ∆t3 + 0,001p
Температуру приточного воздуха, подаваемого системами кондиционирования, при наружном воздухе, охлажденном на ∆t1, °С, циркулирующей водой по адиабатному циклу, определяют по формуле ...
- tп =tн − ∆t1 + 0,001p
- tп =tн − ∆t2 + 0,001p
- tп =tн − ∆t1 − ∆t2 + 0,001p
- tп =tн + 0,001p
Температуру приточного воздуха, подаваемого системами кондиционирования, при наружном воздухе, охлажденном циркулирующей водой, и местном доувлажнении, определяют по формуле ...
- tп =tн − ∆t1 + 0,001p
- tп =tн − ∆t2 + 0,001p
- tп =tн − ∆t1 − ∆t2 + 0,001p
- tп =tн + 0,001p
Температуру приточного воздуха, подаваемого системами кондиционирования, при необработанном наружном воздухе и местном доувлажнении воздуха в помещении, снижающем его температуру на ∆t2, определяют по формуле ...
- tп =tн − ∆t1 + 0,001p
- tп =tн − ∆t2 + 0,001p
- tп =tн − ∆t1 − ∆t2 + 0,001p
- tп =tн + 0,001p
Температуру приточного воздуха, подаваемого системами кондиционирования, при необработанном наружном воздухе, определяют по формуле ...
- tп =tн − ∆t1 + 0,001p
- tп =tн − ∆t2 + 0,001p
- tп =tн − ∆t1 − ∆t2 + 0,001p
- tп =tн + 0,001p
Тепловой поток, поступающий в комнаты и кухни жилых зданий от бытовых источников равен ...
- 10 Вт на 1 м2
- Nэл⋅kо
- G м⋅c⋅(tв −tм)β
- 0,28⋅Lп⋅ρ⋅с⋅(tв −tн)⋅K
Тепловой поток, поступающий в комнаты и кухни жилых зданий от работающего электротехнического оборудования и освещения равен ...
- 10 Вт на 1 м2
- Nэл⋅kо
- G м⋅c⋅(tв −tм)β
- 0,28⋅Lп⋅ρ⋅с⋅(tв −tн)⋅K
Теплопередача конвекцией возможна в …
- невесомых телах
- твердых телах
- жидких телах
- замороженных жидкостях
Теплопроводность в плоской стенке описывается уравнением ...
- Qц = Δt / (1/(2πλ) ⋅ ln(dн/dв)) ⋅ L,
- Q = λ ⋅ Δt / δ ⋅ F
- Q = α(tж - tст)F
- gradt = ∂t/∂n = ∂t/∂x + ∂t/∂y + ∂t/∂z
Теплопроводность в цилиндрической стенке описывается уравнением ...
- Qц = Δt / (1/(2πλ) ⋅ ln(dн/dв)) ⋅ L,
- Q = λ ⋅ Δt / δ ⋅ F, (Вт)
- Q = α(tж - tст)F
- gradt = ∂t/∂n = ∂t/∂x + ∂t/∂y + ∂t/∂z
Теплый период года характеризуется температурой выше ...
- 18 °С
- 14 °С
- 10 °С
- 8°С
Термическое сопротивление ограждающей конструкции с последовательно расположенными однородными слоями находят по формуле ...
- qрасч = αв (tв − τв.ср )
- Rk = R1 + R2,+ … + Rn+ Rв.n
- R = δ/λ
- Rкпр = Ra +2Rb
Термическое сопротивление слоя однородного материала находят по формуле ...
- qрасч = αв (tв − τв.ср )
- Rk = R1 + R2,+ … + Rn+ Rв.n
- R = δ/λ
- Rкпр = Ra +2Rb
Удельная тепловая характеристика q, Вт/(м3⋅°С) административного здания объемом менее 5 тысяч м3 − ...
- 0,51
- 0,43
- 0,35
- 0,29
Удельная тепловая характеристика q, Вт/(м3⋅°С) бытового здания объемом от 0,5 до 1 тысячи м3 − ...
- 0,49…0,43
- 0,35…0,29
- 0,47…0,38
- 0,7…0,52
Удельная тепловая характеристика q, Вт/(м3⋅°С) жилого здания объемом более 25 тысяч м3 − ...
- 0,49
- 0,30
- 0,38
- 0,25
Удельная тепловая характеристика q, Вт/(м3⋅°С) здания гаража объемом менее 2 тысяч м3 − ...
- 0,49
- 0,81
- 0,38
- 0,25
Укажите уравнение Ньютона – Рихмана ...
- Q = α(tж - tст)F
- gradt = ∂t/∂n = ∂t/∂x + ∂t/∂y + ∂t/∂z
- Qц = Δt / (1/(2πλ) ⋅ ln(dн/dв)) ⋅ L,
- Q = λ ⋅ Δt / δ ⋅ F, (Вт)
Устройства для нагревания воздуха — это ...
- вентиляторы
- калориферы
- пылеуловители
- приточные камеры
Устройства для очистки воздуха — это...
- вентиляторы
- калориферы
- пылеуловители
- приточные камеры
Устройства для перемещения воздуха — это ...
- вентиляторы
- калориферы
- пылеуловители
- приточные камеры
Файлы условия, демо
Характеристики ответов (шпаргалок) к экзамену
Учебное заведение
Номер задания
Программы
Просмотров
219
Размер
1 Mb
Список файлов
Теплоснабжение и вентиляция зданий.ти_ФРК Итоговый тест.pdf

Каждая купленная работа – это шаг к вашей успешной сдаче и мой стимул делать ещё лучше. Вместе мы создаём круговорот добра в учебе 🥰