Для студентов МТИ по предмету Системы автоматизированного проектирования строительных конструкцийСистемы автоматизированного проектирования строительных конструкцийСистемы автоматизированного проектирования строительных конструкций
5,00523
2024-07-072025-01-15СтудИзба
Системы автоматизированного проектирования строительных конструкций МТИ Ответы на итоговый тест
Ответы к зачёту Итоговый тест: Системы автоматизированного проектирования строительных конструкций
Бестселлер
-28%
Описание
Тест был сдан в 2024 году.
Представлены ответы на большинство вопросов по предмету "Системы автоматизированного проектирования строительных конструкций.ти".
Итоговый набранный балл 97 из 100 (Скриншот прилагаю).
ВНИМАНИЕ! Покупайте работу, только убедившись, что ваши вопросы совпадают с представленными ниже. Для этого рекомендую сначала запустить тест и сверить хотя бы несколько вопросов.
СПИСОК ВОПРОСОВ:
Как называется изображенный на рисунке процесс работы над моделью?
Как называется изображенный на рисунке процесс работы над моделью?
Как называется изображенный на рисунке процесс работы над моделью?
Как называется изображенный на рисунке процесс работы над моделью?
Как называется изображенный на рисунке процесс работы над моделью?
Как называется изображенный на рисунке процесс работы над моделью?
Как называется изображенный на рисунке процесс работы над моделью?
Как называется изображенный на рисунке процесс работы над моделью?
Как называется изображенный на рисунке процесс работы над моделью?
Как называется изображенный на рисунке процесс работы над моделью?
Как называется изображенный на рисунке процесс работы над моделью?
Как называется изображенный на рисунке процесс работы над моделью?
Как называется элемент интерфейса AutoDesk Revit, изображенный на рисунке?
Как называется элемент интерфейса AutoDesk Revit, изображенный на рисунке?
Как называется элемент интерфейса AutoDesk Revit, изображенный на рисунке?
Какие варианты перекрытий не представлены в Autodesk Revit?
Какие из основных типов размеров Autodesk Revit отсутствуют на рисунке?
Какие из предлагаемых вариантов типов размеров в Autodesk Revit не относятся к основным?
Какой из нижеприведенных уровней проработки элемента цифровой информационной модели представляется в виде трехмерного объекта или сборки с предварительными изменяемыми размерами, формой, пространственным положением, ориентацией и необходимой атрибутивной информацией
Какой из нижеприведенных уровней проработки элемента цифровой информационной модели применяется для выявления междисциплинарных коллизий
Какой из нижеприведенных уровней проработки элемента цифровой информационной модели применяется для разработки проекта производства работ
Какой из нижеприведенных уровней проработки элемента цифровой информационной модели применяется для формирования цифровой модели «Исполнительная»
Какой из нижеприведенных уровней проработки элемента цифровой информационной модели применяется при обосновании инвестиций для разработки архитектурно-градостроительного решения
Какой из основных типов размеров Autodesk Revit показан на рисунке?
Какой из типов стен не представлен в программном комплексе Autodesk Revit?
Какой тип размерного стиля Autodesk Revit показан на рисунке?
Какой тип размерного стиля Autodesk Revit показан на рисунке?
Какой тип стены следует выбирать в случае построения аналитической модели, используемой при выполнении статического расчета в программных комплексах?
Объектно-ориентированная параметрическая трехмерная модель, представляющая в цифровом виде физические, функциональные и прочие характеристики объекта (или его отдельных частей) в виде совокупности информационно насыщенных элементов, называется
Предустановленные базовые компоненты проекта, являющиеся частью среды программного комплекса (стены, кровля, перекрытия, кабельные системы и пр) относятся к
Приемы представления цифровой информации для зрительного наблюдения и анализа называются
Процесс создания и использования информации по строящимся, а также завершенным объектам строительства в целях координации входных данных, организации совместного производства и хранения данных, а также их использования для различных целей на всех стадиях жизненного цикла, называется
Семейства, не зависящие от модели и представляющие собой устанавливаемые компоненты (окна, двери, сантехническое оборудование, предметы мебели) называются
Совокупность представленных в электронном виде документов, графических и текстовых данных по объекту строительства, размещаемая в среде общих данных и представляющая собой единый достоверный источник информации по объекту на всех или отдельных стадиях его жизненного цикла называется
Существенные свойства элемента цифровой информационной модели, определяющие его геометрию или характеристики, представленные с помощью алфавитно-цифровых символов, называются
Уникальные по своим параметрам элементы, характерные только для текущего проекта, относятся к
Форма представления инженерно-топографического плана в цифровом объектно-пространственном виде для автоматизированного решения инженерных задач и проектирования объектов строительства называется
Цифровое представление физических и функциональных характеристик отдельного элемента объекта строительства, предназначенное для многократного использования, называется
Часть цифровой информационной модели, представляющая компонент, систему или сборку в пределах объекта строительства или строительной площадки называется
Что является основой при построении 3D-модели?
Представлены ответы на большинство вопросов по предмету "Системы автоматизированного проектирования строительных конструкций.ти".
Итоговый набранный балл 97 из 100 (Скриншот прилагаю).
ВНИМАНИЕ! Покупайте работу, только убедившись, что ваши вопросы совпадают с представленными ниже. Для этого рекомендую сначала запустить тест и сверить хотя бы несколько вопросов.
СПИСОК ВОПРОСОВ:
Как называется изображенный на рисунке процесс работы над моделью?

- Настройка новой конструкции стены
- Настройка семейств окон и дверей
- Настройка конструкций перекрытия
- Процесс построения лестницы
Как называется изображенный на рисунке процесс работы над моделью?

- Настройка новой конструкции стены
- Настройка семейств окон и дверей
- Настройка конструкций перекрытия
- Процесс создания спецификации
Как называется изображенный на рисунке процесс работы над моделью?

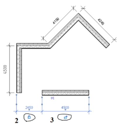
- Фиксирование зависимостей в размерах
- Настройка зависимостей в размерах
- Выравнивание значений в размерной цепи
- Редактирование зависимостей в размерах
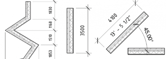
Как называется изображенный на рисунке процесс работы над моделью?

- Фиксирование зависимостей в размерах
- Настройка зависимостей в размерах
- Выравнивание значений в размерной цепи
- Редактирование зависимостей в размерах
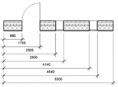
Как называется изображенный на рисунке процесс работы над моделью?

- Настройки окна «Секущий диапазон»
- Настройка зависимостей в размерах
- Выравнивание значений в размерной цепи
- Редактирование зависимостей в размерах
Как называется изображенный на рисунке процесс работы над моделью?

- Настройка свойств размерного стиля
- Настройка зависимостей в размерах
- Выравнивание значений в размерной цепи
- Редактирование зависимостей в размерах
Как называется изображенный на рисунке процесс работы над моделью?

- Настройка новой конструкции стены
- Настройка семейств окон и дверей
- Настройка конструкций перекрытия
- Процесс создания витража
Как называется изображенный на рисунке процесс работы над моделью?

- Настройка новой конструкции стены
- Настройка семейств окон и дверей
- Настройка конструкций перекрытия
- Процесс создания витража
Как называется изображенный на рисунке процесс работы над моделью?

- Настройка новой конструкции стены
- Настройка семейств окон и дверей
- Настройка конструкций перекрытия
- Процесс создания витража
Как называется изображенный на рисунке процесс работы над моделью?

- Настройка новой конструкции стены
- Настройка семейств окон и дверей
- Настройка конструкций перекрытия
- Процесс создания витража
Как называется изображенный на рисунке процесс работы над моделью?

- Настройка новой конструкции стены
- Создание марки двери
- Настройка конструкций перекрытия
- Процесс построения лестницы
Как называется изображенный на рисунке процесс работы над моделью?

- Настройка новой конструкции стены
- Создание марки окна
- Настройка конструкций перекрытия
- Процесс построения лестницы
Как называется элемент интерфейса AutoDesk Revit, изображенный на рисунке?

- Видовой куб и компас
- Панель навигации
- Суперштурвал
- Инфоцентр
Как называется элемент интерфейса AutoDesk Revit, изображенный на рисунке?

- Видовой куб и компас
- Панель навигации
- Суперштурвал
- Инфоцентр
Как называется элемент интерфейса AutoDesk Revit, изображенный на рисунке?

- Видовой куб и компас
- Панель навигации
- Суперштурвал
- Инфоцентр
Какие варианты перекрытий не представлены в Autodesk Revit?
- Архитектурные
- Несущие
- Перекрытия по грани
- Комбинированные
Какие из основных типов размеров Autodesk Revit отсутствуют на рисунке?

- параллельный
- линейный
- угловой
- диаметр
Какие из предлагаемых вариантов типов размеров в Autodesk Revit не относятся к основным?
- параллельный
- линейный
- угловой
- меридиональный
Какой из нижеприведенных уровней проработки элемента цифровой информационной модели представляется в виде трехмерного объекта или сборки с предварительными изменяемыми размерами, формой, пространственным положением, ориентацией и необходимой атрибутивной информацией
- LOD 400
- LOD 500
- LOD 200
- LOD 100
Какой из нижеприведенных уровней проработки элемента цифровой информационной модели применяется для выявления междисциплинарных коллизий
- LOD 400
- LOD 500
- LOD 300
- LOD 100
Какой из нижеприведенных уровней проработки элемента цифровой информационной модели применяется для разработки проекта производства работ
- LOD 400
- LOD 500
- LOD 200
- LOD 100
Какой из нижеприведенных уровней проработки элемента цифровой информационной модели применяется для формирования цифровой модели «Исполнительная»
- LOD 400
- LOD 500
- LOD 200
- LOD 100
Какой из нижеприведенных уровней проработки элемента цифровой информационной модели применяется при обосновании инвестиций для разработки архитектурно-градостроительного решения
- LOD 400
- LOD 500
- LOD 300
- LOD 100
Какой из основных типов размеров Autodesk Revit показан на рисунке?

- параллельный
- линейный
- угловой
- высотная отметка
Какой из типов стен не представлен в программном комплексе Autodesk Revit?
- Базовая стена
- Витраж
- Составная стена
- Капитальная стена
Какой тип размерного стиля Autodesk Revit показан на рисунке?

- с общей базой
- ординатный
- прозрачный
- текущий
Какой тип размерного стиля Autodesk Revit показан на рисунке?

- с общей базой
- ординатный
- прозрачный
- текущий
Какой тип стены следует выбирать в случае построения аналитической модели, используемой при выполнении статического расчета в программных комплексах?
- Стена: несущая
- Стена: архитектурная
- Стена: наружная
- Стена: внутренняя
Объектно-ориентированная параметрическая трехмерная модель, представляющая в цифровом виде физические, функциональные и прочие характеристики объекта (или его отдельных частей) в виде совокупности информационно насыщенных элементов, называется
- информационной моделью
- информационным моделированием объектов строительства
- цифровой информационной моделью
- инженерной цифровой моделью
Предустановленные базовые компоненты проекта, являющиеся частью среды программного комплекса (стены, кровля, перекрытия, кабельные системы и пр) относятся к
- контекстным семействам
- загружаемым семействам
- системным семействам
- связующим семействам
Приемы представления цифровой информации для зрительного наблюдения и анализа называются
- атрибутивными данными
- компонентами
- элементами модели
- визуализацией
Процесс создания и использования информации по строящимся, а также завершенным объектам строительства в целях координации входных данных, организации совместного производства и хранения данных, а также их использования для различных целей на всех стадиях жизненного цикла, называется
- информационной моделью
- информационным моделированием объектов строительства
- цифровой информационной моделью
- инженерной цифровой моделью
Семейства, не зависящие от модели и представляющие собой устанавливаемые компоненты (окна, двери, сантехническое оборудование, предметы мебели) называются
- контекстными семействами
- загружаемыми семействами
- системными семействами
- связующими семействами
Совокупность представленных в электронном виде документов, графических и текстовых данных по объекту строительства, размещаемая в среде общих данных и представляющая собой единый достоверный источник информации по объекту на всех или отдельных стадиях его жизненного цикла называется
- информационной моделью
- информационным моделированием объектов строительства
- цифровой информационной моделью
- инженерной цифровой моделью
Существенные свойства элемента цифровой информационной модели, определяющие его геометрию или характеристики, представленные с помощью алфавитно-цифровых символов, называются
- атрибутивными данными
- компонентами
- элементами модели
- визуализацией
Уникальные по своим параметрам элементы, характерные только для текущего проекта, относятся к
- контекстным семействам
- загружаемым семействам
- системным семействам
- связующим семействам
Форма представления инженерно-топографического плана в цифровом объектно-пространственном виде для автоматизированного решения инженерных задач и проектирования объектов строительства называется
- информационной моделью
- информационным моделированием объектов строительства
- цифровой информационной моделью
- инженерной цифровой моделью
Цифровое представление физических и функциональных характеристик отдельного элемента объекта строительства, предназначенное для многократного использования, называется
- атрибутивными данными
- компонентами
- элементами модели
- визуализацией
Часть цифровой информационной модели, представляющая компонент, систему или сборку в пределах объекта строительства или строительной площадки называется
- атрибутивными данными
- компонентами
- элементами модели
- визуализацией
Что является основой при построении 3D-модели?
- Стены
- Окна и двери
- Оси и уровни
- Перекрытия
Файлы условия, демо
Характеристики ответов (шпаргалок) к зачёту
Учебное заведение
Номер задания
Программы
Просмотров
118
Размер
1 Mb
Список файлов
САПР строительных конструкций.ти Итоговый тест.pdf

Каждая купленная работа – это шаг к вашей успешной сдаче и мой стимул делать ещё лучше. Вместе мы создаём круговорот добра в учебе 🥰