Главная » Учебные материалы » Теория механизмов и машин (ТММ) » Остальные учебные работы » МГТУ им. Н.Э.Баумана » 5 семестр » Номер 81 » Вариант А » 81А - Проектирование и исследование механизмов одноцилиндровой двухступенчатой компрессорной установки
Для студентов МГТУ им. Н.Э.Баумана по предмету Теория механизмов и машин (ТММ)81А - Проектирование и исследование механизмов одноцилиндровой двухступенчатой компрессорной установки81А - Проектирование и исследование механизмов одноцилиндровой двухступенчатой компрессорной установки
2,2554
2021-05-12СтудИзба

Другое 81: 81А - Проектирование и исследование механизмов одноцилиндровой двухступенчатой компрессорной установки вариант А

-61%

Описание

«Проектирование и исследование механизмов одноцилиндровой двухступенчатой компрессорной установки » Задание 81А
Техническое задание. Задание №81 А.
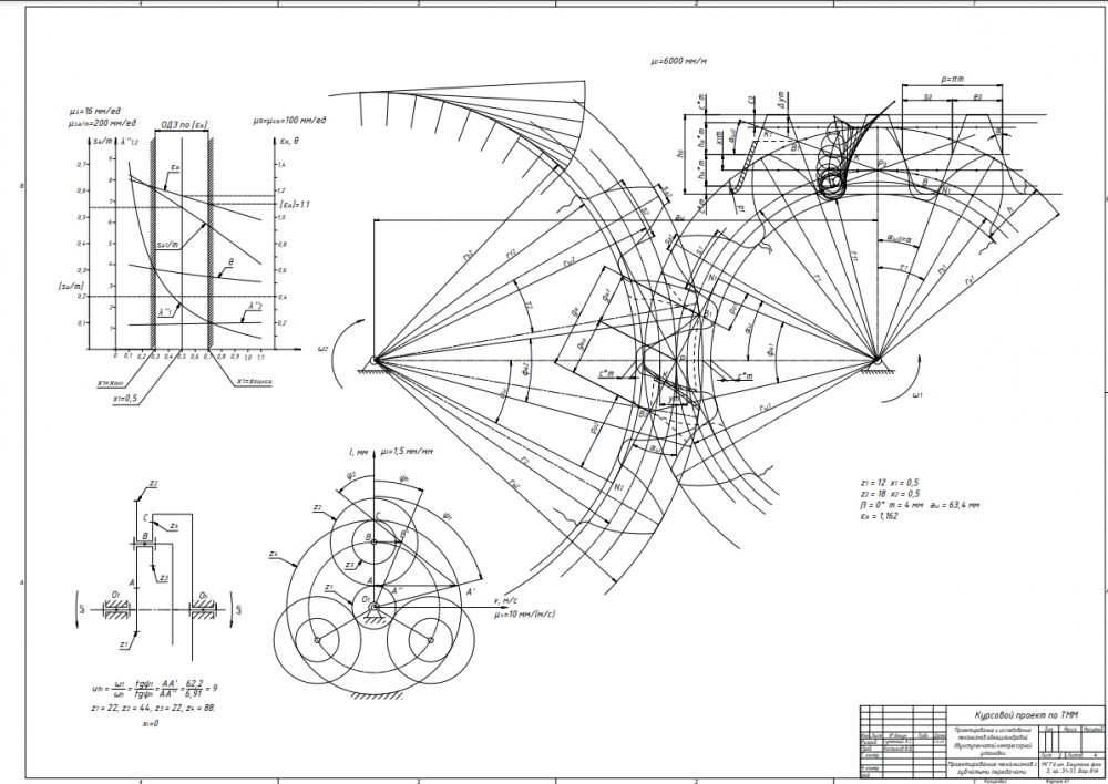
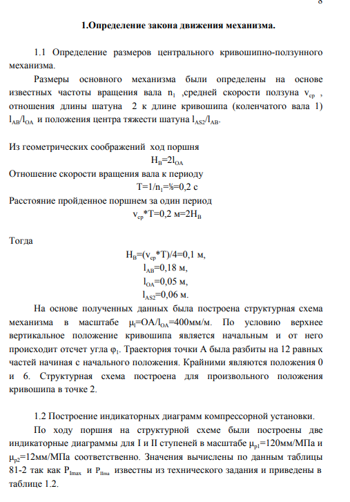
Проектирование и исследование механизмов одноцилиндровой двухступенчатой компрессорной установки. Компрессорная установка предназначена для получения сжатого воздуха. Коленчатый вал 1 компрессора (рис. 81) получает вращение от электродвигателя 8 через планетарный редуктор 9-13, муфту 14 и приводит в движение поршень 3 через шатун 2. Для обеспечения заданной равномерности движения на валу 1 установлен маховик 15. Поршень 3 и цилиндр 4 образуют две рабочие полости: камеру I ступени (полость низкого давления) и камеру II ступени (полость высокого давления). При движении поршня вниз воздух из атмосферы через клапан 5 поступает в камеру I ступени (линия a-b индикаторной диаграммы на рис. 81б). При обратном движении поршня (вверх) клапан 3 закрывается и воздух, заполнивший камеру I ступени, сжимается до давления PImax (линия b-c). В это же время в камере II ступени происходит расширение остатков сжатого воздуха (линия f-c). Когда давление в камере I ступени сравняется с давлением в камере II ступени, откроется клапан 6 и воздух начнёт перетекать из первой во вторую камеру. При дальнейшем движении поршня вверх давление воздуха в обеих камерах остаётся постоянным

Файлы условия, демо

Характеристики учебной работы

Учебное заведение
Семестр
Номер задания
Вариант
Просмотров
257
Размер
1,08 Mb

Список файлов

Курсовой проект вариант №81А
Лист 1.PNG
Лист 1.pdf
Лист 2.pdf
Лист 3.pdf
Лист 4.pdf
РПЗ.pdf
Картинка-подпись
Друзья, спасибо за доверие! Если вам понравилась работа – поставьте 5⭐ и напишите отзыв. Это поможет другим студентам, а мне даст силы делать ещё больше качественных материалов для вас 🔥

Комментарии

Нет комментариев
Стань первым, кто что-нибудь напишет!
Поделитесь ссылкой:
Цена: 999 390 руб.
Расширенная гарантия +3 недели гарантии, +10% цены
Рейтинг покупателей
2,25 из 5
Поделитесь ссылкой:
Сопутствующие материалы

Подобрали для Вас услуги

Свежие статьи
Популярно сейчас
Зачем заказывать выполнение своего задания, если оно уже было выполнено много много раз? Его можно просто купить или даже скачать бесплатно на СтудИзбе. Найдите нужный учебный материал у нас!
Ответы на популярные вопросы
Да! Наши авторы собирают и выкладывают те работы, которые сдаются в Вашем учебном заведении ежегодно и уже проверены преподавателями.
Да! У нас любой человек может выложить любую учебную работу и зарабатывать на её продажах! Но каждый учебный материал публикуется только после тщательной проверки администрацией.
Вернём деньги! А если быть более точными, то автору даётся немного времени на исправление, а если не исправит или выйдет время, то вернём деньги в полном объёме!
Да! На равне с готовыми студенческими работами у нас продаются услуги. Цены на услуги видны сразу, то есть Вам нужно только указать параметры и сразу можно оплачивать.
Отзывы студентов
Ставлю 10/10
Все нравится, очень удобный сайт, помогает в учебе. Кроме этого, можно заработать самому, выставляя готовые учебные материалы на продажу здесь. Рейтинги и отзывы на преподавателей очень помогают сориентироваться в начале нового семестра. Спасибо за такую функцию. Ставлю максимальную оценку.
Лучшая платформа для успешной сдачи сессии
Познакомился со СтудИзбой благодаря своему другу, очень нравится интерфейс, количество доступных файлов, цена, в общем, все прекрасно. Даже сам продаю какие-то свои работы.
Студизба ван лав ❤
Очень офигенный сайт для студентов. Много полезных учебных материалов. Пользуюсь студизбой с октября 2021 года. Серьёзных нареканий нет. Хотелось бы, что бы ввели подписочную модель и сделали материалы дешевле 300 рублей в рамках подписки бесплатными.
Отличный сайт
Лично меня всё устраивает - и покупка, и продажа; и цены, и возможность предпросмотра куска файла, и обилие бесплатных файлов (в подборках по авторам, читай, ВУЗам и факультетам). Есть определённые баги, но всё решаемо, да и администраторы реагируют в течение суток.
Маленький отзыв о большом помощнике!
Студизба спасает в те моменты, когда сроки горят, а работ накопилось достаточно. Довольно удобный сайт с простой навигацией и огромным количеством материалов.
Студ. Изба как крупнейший сборник работ для студентов
Тут дофига бывает всего полезного. Печально, что бывают предметы по которым даже одного бесплатного решения нет, но это скорее вопрос к студентам. В остальном всё здорово.
Спасательный островок
Если уже не успеваешь разобраться или застрял на каком-то задание поможет тебе быстро и недорого решить твою проблему.
Всё и так отлично
Всё очень удобно. Особенно круто, что есть система бонусов и можно выводить остатки денег. Очень много качественных бесплатных файлов.
Отзыв о системе "Студизба"
Отличная платформа для распространения работ, востребованных студентами. Хорошо налаженная и качественная работа сайта, огромная база заданий и аудитория.
Отличный помощник
Отличный сайт с кучей полезных файлов, позволяющий найти много методичек / учебников / отзывов о вузах и преподователях.
Отлично помогает студентам в любой момент для решения трудных и незамедлительных задач
Хотелось бы больше конкретной информации о преподавателях. А так в принципе хороший сайт, всегда им пользуюсь и ни разу не было желания прекратить. Хороший сайт для помощи студентам, удобный и приятный интерфейс. Из недостатков можно выделить только отсутствия небольшого количества файлов.
Спасибо за шикарный сайт
Великолепный сайт на котором студент за не большие деньги может найти помощь с дз, проектами курсовыми, лабораторными, а также узнать отзывы на преподавателей и бесплатно скачать пособия.
Популярные преподаватели
Добавляйте материалы
и зарабатывайте!
Продажи идут автоматически
6934
Авторов
на СтудИзбе
265
Средний доход
с одного платного файла
Обучение Подробнее
{user_main_secret_data}