Для студентов МГТУ им. Н.Э.Баумана по предмету Теория механизмов и машин (ТММ)Проектирование и исследование механизмов привода антенныПроектирование и исследование механизмов привода антенны
4,2954
2013-08-252025-04-07СтудИзба
Курсовая работа 132: Проектирование и исследование механизмов привода антенны вариант А
-50%
Описание
Проектирование и исследование механизмов привода антенны
Реферат
Расчетно-пояснительная записка к курсовому проекту «Проектирование и исследование механизмов привода антенны» содержит: 27 страниц машинописного текста, 7 таблиц.В расчетно-пояснительной записке приведено:
- Проектирование основного механизма, определение закона движения приведенного звена.
- Силовой расчет основного механизма.
- Проектирование цилиндрической эвольвентной зубчатой передачи, проектирование однорядного планетарного редуктора.
- Проектирование кулачкового механизма.
Расчетно-пояснительная записка прилагается к четырём листам графической части курсового проекта.
Содержание
- Техническое задание 5
- Исходные данные 6
- 1. Определение закона движения механизма
- 1.1 Определение размеров основного механизма 8
- 1.2 Построение графика сил 8
- 1.3 Определение передаточных функций 9
- 1.4 Построение графика приведенного момента от сил, действующих на рефлектор антенны 10
- 1.5 Построение графика суммарной работы 12
- 1.6 Определение приведенных моментов инерции второй группы звеньев 13
- 1.7 Построение приближенного графика кинетической энергии второй группы звеньев 14
- 1.8 Построение приближенного графика кинетической энергии первой группы звеньев 14
- 1.9 Нахождение необходимого момента инерции маховых масс 14
- 1.10. Определение момента инерции и размеров дополнительной маховой массы ( маховика ) 15
- 1.11 Определение закона движения механизма 15
- 1.12 Определение углового ускорения начального звена 16
- 2. Силовой расчёт
- 2.1 Определение скоростей 16
- 2.2 Определение ускорений 16
- 2.3 Силы и моменты сил, действующие на механизм 17
- 2.4 Определение усилий в кинематических парах 18
- 3. Проектирование зубчатой передачи и планетарного механизма
- 3.1 Выполнение геометрического расчета зубчатой передачи 19
- 3.2 Последовательность расчета зубчатой передачи 19
- 3.3 Выбор коэффициента смещения x1 с учетом качественных показателей работы зубчатой передачи 21
- 3.4 Проектирование планетарного редуктора 21
- 3.5 Определение числа зубьев колес 21
- 3.6 Определение передаточного отношения редуктора графическим способом 22
- 4. Проектирование кулачкового механизма
- 4.1. Определение кинематических характеристик 23
- 4.2. Определение основных параметров кулачкового механизма
- графическим способом 23
- 4.3 Построение профиля кулачка 24
- 4.4.Построение графика изменения угла давления 24
- Приложение 25
- Заключение 26
- Список литературы 27
Техническое задание
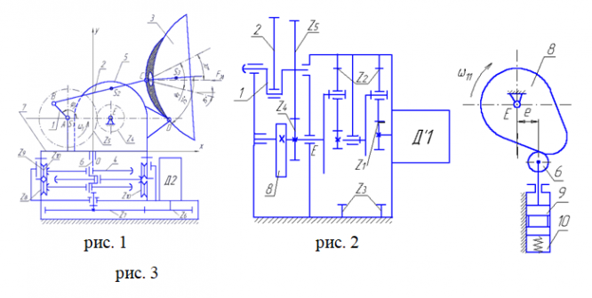
Рефлектор 3 антенны совершает сложное движение – вращение вокруг вертикальной оси y поворотной платформы 7 и вращение (качание) вокруг оси D. Угол качанияравен 45. Привод качания антенны состоит из электродвигателя Д1, планетарного редуктора 5, цилиндрической передачи z4 – z5 и кривошипно-коромыслового четырехзвенника ABCD. Кривошип 1 закреплен на валу колеса z5 и при помощи шатуна 2 связан с коромыслом 3, которое жестко соединено с рефлектором под углом 75 к его оси (рис. 1). Привод поворотной платформы состоит из электродвигателя Д2, цилиндрической передачи z6 – z7 и волновой зубчатой передачи с жесткими колесами z8 – z9 гибкого колеса z10 и трех дисковых волнообразователей на эксцентриковых шейках валов (рис. 2). На валу Е-Е зубчатого колеса z4 закреплен дисковый кулачок 8 поршневого насоса для обеспечения соединения шарниров механизма. Поршень 9 насоса соединен с толкателем кулачкового механизма с силовым замыканием контакта пружиной 10 (рис. 3).


Исходные данные
(табл. 1)№ | Наименование величины | Обозначение | Размерность | Числовые значения |
1 | Расстояние между шарни-рами C и D рефлектора (длина коромысла) | l3=lCD | м | 0.25 |
2 | Коэффициент изменения средней скорости коромысла | Kw | - | 1.12 |
3 | Относительное положение центра масс S2 шатуна | lS2=lBS2/lBС | - | 0.35 |
4 | Относительное положение центра масс S3 рефлектора | lS3=lCS3/lCD | - | 0.32 |
5 | Диаметр рефлектора | D | м | 0.75 |
6 | Частота вращения кривошипа | n1 | об/с | 0.6 |
7 | Коэффициент неравномер-ности вращения кривошипа | | - | 1/45 |
8 | Высота установки антенны | H | м | 75.0 |
9 | Момент трения в шарнирах A, С и D: | MТА MТC MТD | Н м | 5.6 8.8 10.6 |
10 | Масса кривошипа | m1 | кг | 1.1 |
11 | Масса шатуна | m2 | кг | 1.2 |
12 | Масса рефлектора | m3 | кг | 32.0 |
13 | Момент инерции шатуна относительно его центра масс | I2S | кг м2 | 0.112 |
14 | Момент инерции рефлектора относительно его центра масс | I3S | кг м2 | 1.125 |
15 | Приведенный к валу криво-шипа момент инерции колес зубчатой передачи и плане-тарного редуктора | I3Kпр | кг м2 | 1.15 |
16 | Угловая координата криво-шипа (для силового расчета механизма) | | град | 100 |
17 | Число зубьев колес | Z4 Z5 | 10 22 | |
18 | Модуль колес | m | мм | 8 |
19 | Передаточное отношение планетарного редуктора | uр | - | 36 |
20 | Ход толкателя | h | м | 0.03 |
21 | Смещение оси толкателя | e | м | 0.01 |
22 | Допустимый угол давления в кулачковом механизме | | град | 20 |
23 | Угол рабочего профиля кулачка | | град | 300 |
24 | График ускорения толкателя | - | вариант | №1 |
Чертежи
Лист 1 - Определение закона движения ![]()
Лист 2 - Силовой расчет ![]()
Лист 3 - Проектирование зубчатой передачи ![]()
Лист 4 - Проектирование кулачкового механизма ![]()
Характеристики курсовой работы
Учебное заведение
Семестр
Номер задания
Вариант
Программы
Просмотров
391
Качество
Идеальное компьютерное
Размер
1,92 Mb
Список файлов
РПЗ.doc
Лист (1).dwg
Лист (2).dwg
Лист (3).dwg
Лист (4).dwg
Маткад.xmcd

Вам все понравилось? Получите кэшбэк - 40 рублей на Ваш счёт при покупке. Поставьте оценку и напишите положительный комментарий к купленному файлу. После Вы получите деньги на ваш счет.