Для студентов МГТУ им. Н.Э.Баумана по предмету Теория механизмов и машин (ТММ)Проектирование и исследование механизмов автомобиля технической помощи с двигателем СтирлингаПроектирование и исследование механизмов автомобиля технической помощи с двигателем Стирлинга
5,0052
2013-08-252025-04-07СтудИзба
Курсовая работа 119: Проектирование и исследование механизмов автомобиля технической помощи с двигателем Стирлинга вариант Б
-50%
Описание
Проектирование и исследование механизмов автомобиля технической помощи с двигателем Стирлинга
Реферат
В курсовой работе выполнено проектирование двигателя Стирлинга для малого автомобиля технической помощи. Проведено:- - проектирование ромбического механизма и определен закон его движения;
- - силовой расчет ромбического механизма;
- - проектирование цилиндрической эвольвентной прямозубой зубчатой передачи и однорядного планетарного редуктора;
- - проектирование кулачкового механизма с качающимся толкателем.
Содержание
- Техническое задание. 5
- 1. Определение закона движения двигателя Стирлинга. 9
- 1.1. Определение размеров ромбического механизма. 9
- 1.2. Построение индикаторной диаграммы и диаграммы сил. 9
- 1.3. Определение передаточных функций механизма. 11
- 1.4. Построение диаграммы суммарного приведенного момента. 12
- 1.5. Определение приведенного момента инерции двигателя Стирлинга. 13
- 1.6. Построение графика суммарной работы и графика угловой скорости кривошипа. 15
- 1.7. Построение графика углового ускорения кривошипа. 16
- 1.8. Определение времени разгона механизма до одного цикла работы двигателя. 17
- 1.9. Построение графиков изменения объемов холодной и горячей областей двигателя. 18
- 2. Силовой расчет механизма. 19
- 2.1. Построение планов скоростей и ускорений. 19
- 2.2. Определение главных векторов и главных моментов сил инерции и сил тяжести звеньев механизма. 19
- 2.3. Определение усилий в кинематических парах. 20
- 3. Проектирование зубчатой передачи. 22
- 3.1. Геометрический расчет эвольвентной зубчатой передачи внешнего зацепления. 22
- 3.2. Определение геометрических параметров зубчатой передачи с помощью ЭВМ.. 24
- 3.3. Выбор коэффициентов смещения с учетом качественных показателей. 29
- 3.4. Построение профиля зуба колеса, изготавливаемого реечным инструментом.. 29
- 3.5. Построение проектируемой зубчатой передачи. 29
- 3.6. Проектирование планетарного редуктора коробки отбора мощности. 30
- 4. Проектирование кулачкового механизма. 32
- 4.2. Построение фазового портрета кулачка. 33
- 4.3. Построение профиля кулачка. 33
- 4.4. Построение графика углов давления. 34
- Заключение. 35
- Список использованной литературы.. 37
Техническое задание
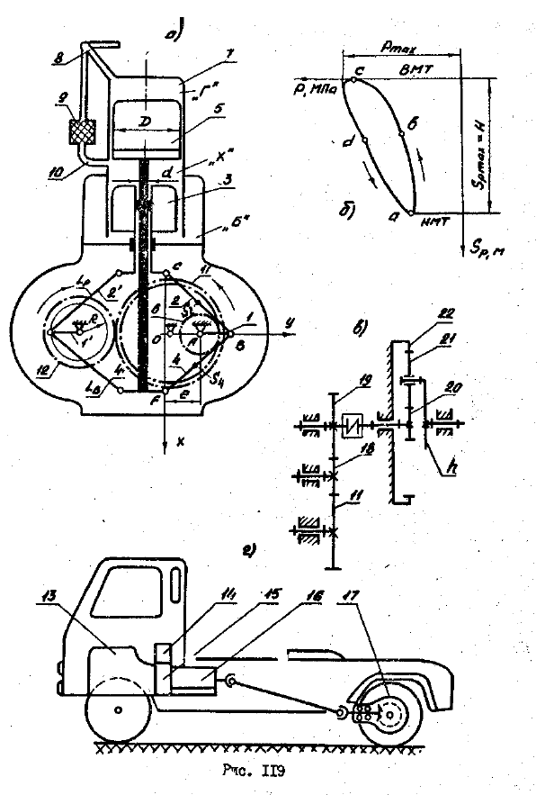
Малый автомобиль технической помощи и все его вспомогательные агрегаты приводятся в движение от двигателя Стирлинга 13. Через блок синхронизирующих колес 15, коробку перемены передач 16 и карданный вал вращение передается на главную передачу моста. С зубчатого колеса 11 осуществляется отбор мощности к коробке отбора мощности 14, в которой через зубчатые колеса 18 и 19 с неподвижными осями вращения, муфту и однорядный редуктор с колесами 20, 21, 22 и водилом h приводится в движение лебедка (число сателлитов редуктора k=3).Двигатель нереверсивный вертикальный с внешним подводом теплоты. Он состоит из герметичного цилиндра 7, разделенного рабочим 5 и вытеснительным 3 поршнями на свободно сообщающиеся между собой горячую «Г» и холодную «Х» полости. В обеих полостях под давлением до 12 МПа находится рабочее тело (водород, гелий или воздух). Температура горячей полости порядка 600 ºС, холодной – 20-25 ºС. Двигатель производит полезную работу путем сжатия рабочего тела при низкой температуре и расширения его при высокой. При движении вытеснительного поршня вверх рабочее тело по каналам нагревателя 8, генератора 9 и холодильника 10 перемещается из горячей полости в холодную, а при движении вниз оно возвращается тем же путем в горячую полость. Тепло рабочему телу передается через стенку нагревателя 8, выполненного из большого количества трубок, кольцеобразно расположенных вокруг цилиндра 7.
Цикл работы двигателя осуществляется за один оборот коленчатых валов I и I', кинематически связанных при помощи шатунов с траверсами рабочего и вытеснительных поршней. Закон изменения давления рабочего тела в цилиндре двигателя в зависимости от положения рабочего поршня показан на индикаторной диаграмме, данные для ее построения приведены в таблице 1.1. участок a-b-c индикаторной диаграммы соответствует движению рабочего поршня вверх, т.е. фазе сжатия рабочего тела, участок c-d-a – движению рабочего поршня вниз, т.е. фазе расширения рабочего тела. Перемещение рабочего тела в горячую полость при подготовки такта сжатия и в горячую полость при подготовке такта расширения обеспечивается вытеснительным поршнем, движение которого согласовано с движением рабочего поршня с помощью ромбического механизма.
Для снятия крутящего момента с одного вала и c целью исключения перекосов в цилиндре, т.е. обеспечения синхронного движения звеньев левой и правой половины «ромба», используются три синхронизирующих зубчатых колеса 6, 11, 12. Передаточное отношение в каждой паре равно двум. При этом зубчатое колесо 11, с которого осуществляется съем движения, выполняется с двумя зубчатыми венцами, один из которых имеет внутренние зубья, а другой внешние.
Примечания.
1. По исходным данным, приведенным в таблице 1, требуется спроектировать ромбический механизм, построить графики изменения объемов горячей и холодной полостей двигателя, определить закон движения кривошипа 1 и время разгона автомобиля для одного цикла работы двигателя. Принять lCS2= lFS4=2∙L/3.
2. Модуль зубчатых колес 18,19 и планетарного редуктора m=5 мм.
3. Mспр принять равным 0,1∙ Mдпрmax.

Исходные данные
№ п/п | Наименование параметра | Обозначение | Единица СИ | Числовое значение |
I | II | III | IV | V |
1 | Частота вращения коленчатого вала | n1 | 1/c | 38 |
2 | Средняя скорость поршня 5 | Vср | м/с | 3,04 |
3 | Отношение длины кривошипа к длине шатунов 2 и 4 | λB= λP=R/Ls | - | 0,25 |
4 | Относительные смещения направляющих поршней 3 и 5 | KP=KB=e/R | - | 2,0 |
5 | Максимальное давление в цилиндре двигателя | Pmax | МПа | 10,5 |
6 | Максимальное давление в буферной области | PБmax | МПа | 8,9 |
7 | Минимальное давление в буферной области | PБmin | МПа | 5,5 |
8 | Диаметр цилиндра | D | м | 0,088 |
9 | Диаметр штока вытеснительного поршня | d | м | 0,014 |
10 | Передаточное отношение планетарного редуктора коробки отбора мощности | u20-h | - | 4,5 |
11 | Массы звеньев двигателя Стирлинга: вытеснительного поршня со штоком и траверсой рабочего поршня со штоком и траверсой шатунов рабочей и вытеснительной групп | m5 m3 m2= m4 | кг кг кг | 1,8 1,3 2,1 |
12 | Моменты инерции шатунов 2 и 4 относительно их центров масс S2 и S4 | I2S=I4S | кг∙м2 | 0,014 |
13 | Момент инерции коленчатых валов и синхронизирующих зубчатых колес | IKB | кг∙м2 | 0.072 |
14 | Приведенный к валу 1 момент инерции вращающихся элементов коробки передач и коробки отбора мощности | Iпркп | кг∙м2 | 0,35 |
15 | Приведенный к валу 1 момент инерции вращающихся деталей карданного вала, главной передачи и ведущих колес | Iпрдет | кг∙м2 | 3,4 |
16 | Угол поворота кривошипа 1 от верхнего крайнего положения(для силового расчета механизма) | φ*1 | град | 60 |
17 | Число зубьев колес 18 и 19 | z18; z19 | - | 12; 18 |
Перемещение поршня в долях его хода, Sp/H | 0 | 0,025 | 0,05 | 0,1 | 0,2 | 0,3 | 0,4 | 0,5 | 0,6 | 0,7 | 0,8 | 0,9 | 0,95 | 0,975 | 1,0 |
Сжатие P/Pmax | 0,88 | 0,79 | 0,76 | 0,68 | 0,6 | 0,54 | 0,5 | 0,46 | 0,44 | 0,41 | 0,4 | 0,39 | 0,39 | 0,4 | 0,43 |
Расширение P/Pmax | 0,88 | 0,97 | 0,98 | 1,0 | 0,98 | 0,95 | 0,9 | 0,85 | 0,79 | 0,73 | 0,66 | 0,58 | 0,53 | 0,5 | 0,43 |
Чертежи
Лист 1 - Определение закона движения ![]()
Лист 2 - Силовой расчет ![]()
Лист 3 - Проектирование зубчатой передачи ![]()
Лист 4 - Проектирование кулачкового механизма ![]()
Характеристики курсовой работы
Учебное заведение
Семестр
Номер задания
Вариант
Программы
Просмотров
2129
Качество
Идеальное компьютерное
Размер
914,85 Kb
Список файлов
РПЗ.doc
Лист (1).dwg
Лист (2).dwg
Лист (3).dwg
Лист (4).dwg

Вам все понравилось? Получите кэшбэк - 40 рублей на Ваш счёт при покупке. Поставьте оценку и напишите положительный комментарий к купленному файлу. После Вы получите деньги на ваш счет.