Главная » Учебные материалы » Теория механизмов и машин (ТММ) » Курсовые работы » МГТУ им. Н.Э.Баумана » 5 семестр » Номер 21 » Вариант Б » Проектирование и исследование механизмов автомобиля повышенной проходимости
Для студентов МГТУ им. Н.Э.Баумана по предмету Теория механизмов и машин (ТММ)Проектирование и исследование механизмов автомобиля повышенной проходимостиПроектирование и исследование механизмов автомобиля повышенной проходимости
4,96531670
2025-04-07СтудИзба

Курсовая работа 21: Проектирование и исследование механизмов автомобиля повышенной проходимости вариант Б

-50%

Описание

Проектирование и исследование механизмов автомобиля повышенной проходимости

Содержание

  • Техническое задание.
  • Краткое описание работы механизмов автомобиля.
  • Исходные данные
  • 1. Проектирование кривошипно-ползунного механизма .
  • 2. Определение законов движения механизма.
  • 2.1. Определение передаточных функций скоростей кривошипно-ползунного механизма.
  • 2.2 Определение силы давления на поршень.
  • 2.3. Построение графиков приведённых моментов.
  • 2.4. Построение графика суммарной работы.
  • 2.5. Определение суммарного приведенного момента инерции.
  • 2.6. Построение графика кинетической энергии и угловой скорости.
  • 2.7. Определение параметров необходимой маховой массы.
  • 3. Силовой расчет.
  • 3.1. Определение скоростей точек и звеньев механизма.
  • 3.2. Определение ускорений точек и звеньев механизма.
  • 3.3. Определение главных векторов сил инерции и главных моментов сил инерции.
  • 3.4. Определение усилий в кинематических парах.
  • 3.5. Определение момента сопротивления.
  • 4. Проектирование кулачкового механизма.
  • 4.1. Построение графика передаточной функции скорости и перемещения толкателя.
  • 4.2. Построение допустимой области расположения центра вращения кулачка.
  • 4.3. Построение профиля кулачка.
  • 4.4. Построение графика изменения углов давления.
  • 5. Проектирование зубчатой передачи.
  • 5.1. Выбор коэффициентов смещения с учетом качественных показателей работы зубчатой передачи
  • 5.2 Построение станочного зацепления при x1=0.5.
  • 5.3 Построение проектируемой зубчатой передачи.
  • 6. Проектирование планетарного редуктора.
  • Заключение
  • Список использованной литературы

Техническое задание.

Краткое описание работы механизмов автомобиля.

Двухцилиндровый четырёхтактный двигатель внутреннего сгорания (рис. 1) развивает мощность до 25 л.с. Различают два режима работы двигателя: 1) номинальный режим (при движении автомобиля), когда муфта сцепления включена ( коленчатый вал соединяется с остальными механизмами трансмиссии) и 2) холостой режим работы, когда муфта сцепления выключена. Рабочий цикл в каждом цилиндре двигателя совершается за два оборота коленчатого вала и характеризуется индикаторной диаграммой (рис. 2). Сплошной линией очерчена индикаторная диаграмма для номинального режима работы двигателя; пунктирной – для холостого режима. Данные для построения индикаторных диаграмм приведены в таблице 2. Основной механизм двигателя состоит из двух одинаковых горизонтальных кривошипноползунных механизмов ( 1-2-3 и 1-4-5), кривошипы которых располагаются под углом 180o друг к другу на одном коленчатом валу, на котором размещён маховик 17.
рис 1.

рис 2.Порядок работы механизмов и чередование процессов в цилиндрах следующие:
Угол поворота коленчатого вала
0 - 180o180 - 360o360 - 540o540 - 720o
Левый цилиндрРасширение
(р.х.)
ВыпускВсасываниеСжатие
Правый цилиндрВсасываниеСжатиеРасширение
(р.х.)
Выпуск

Управление газораспределением в цилиндрах 6 осуществляется подвесными клапанами 7-10, которые приводятся в движение кулачковым механизмом 12-13 ( рис. 3). Кулачки закреплены на валу 14, который кинематически связан с коленчатым валом через зубчатую передачу 15-16. Движение клапанам передаётся через рычажную систему 8-9-11-12, передаточное отношение которой U12-9129
рис. 3
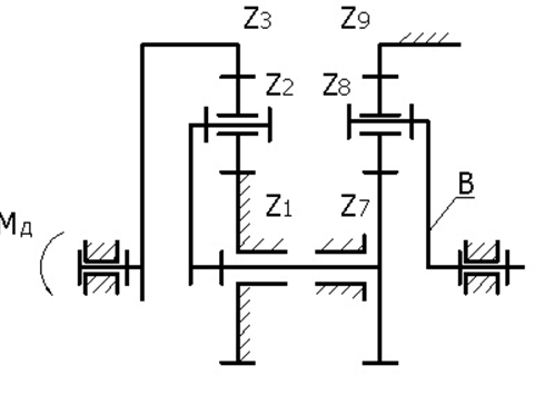
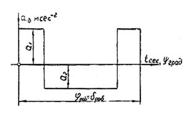
рис. 4Качающийся толкатель 12 имеет ускорение, которое изменяется по закону, представленному на рис. 4. Работа клапанов строго увязана по фазам с вращением коленчатого вала, угловая скорость которого в два раза больше угловой скорости кулачкового вала. Движение каждому ведущему колесу автомобиля передаётся от дифференциалов через карданный вал 18 и зубчатую передачу 19-20 ( рис. 5 ). Планетарная коробка скоростей обеспечивает получение четырёх скоростей и задний ход. 1-я передача, кинематическая схема которой представлена на рис. 6, состоит из колёс 3-2-1-7-8-9 и водила в, образующих сдвоенный планетарный механизм. Передаточное отношение коробки передач в этом случае Uк=U3B=U37U7B
рис. 5
При проектировании и исследовании механизмов автомобиля считать известными параметры, приведенные в таблице 1.

Исходные данные

Таблица 1.
ПараметрОбозначениеРазмерностьЗначение
1Средняя скорость поршня(VB)срм/с9.35
2Диаметр цилиндра
м0.08
3Отношение длины шатуна к длине кривошипа;
-3.57
4Отношение расстояния от центра тяжести шатуна до точки A к длине шатуна;
-0.27
5Число оборотов коленчатого вала двигателя при номинальной нагрузкеn 1ном.с-186,67
6Число оборотов коленчатого вала при холостом режимеn 1ххс-126
7Вес шатуна
кг0.35
8Вес поршня
кг0.36
9Момент инерции шатуна относительно оси, проходящей через центр тяжести шатунаI2s; I4sкгм20.00018
10Максимальное давление в цилиндре двигателя при номинальной нагрузке(p max)номкПа2540
11Максимальное давление в цилиндре двигателя при холостом режиме(p max)ххкПа990
12Коэффициент неравномерности вращения коленчатого вала при холостом режиме
-0.05
13Момент инерции коленчатого вала
(без маховика)
I’10кгм20.0011
14Угловая координата кривошипа для силового расчета
град60
15Эффективная мощность двигателя при номинальной нагрузкеNе номВт15546
16Механический КПД двигателя
-0.795
17Приведённый к валу двигателя момент инерции вращающихся деталей привода автомобиляIпр 0кгм21.1
18Подъём клапанаh км0.0075
19Передаточное отношение рычажной системы привода клапанаu12-9-0.8
20Максимально допустимый угол давления в кулачковом механизмеα допград29
21Длина рычага толкателя
м0.075
22Соотношение между ускорениями толкателя
-3.0
23Угол рабочего профиля кулачкаφ рабград106
24Радиус скругления толкателя кулачка
м0.008
25Межосевое расстояние колёс 19 и 20 ходового механизмаАм0.070
26Передаточное отношение колёс 19 и 20u19-20-2.4
27Модуль зубчатых колёс 19 и 20тмм3.5
28Угол наклона зуба для колёс 19 и 20
град0
29Передаточное отношение 1-й передачи коробки скоростейu39=u37u79-1.33
3.24
30Число сателлитов в планетарном редуктореК-3
31Параметры исходного контура реечного инструмента
град20
χ и-1
χ с-0.25
Таблица 2
Значения давления в цилиндре двигателя в долях максимального давления Pmaxв зависимости от положения поршня.
Путь
поршня
(в долях Н)

00.0250.050.10.20.30.4
Расширение
0.610.810.620.040.290.21
Выпуск0.0280.0280.0280.0280.0280.0280.028
Всасывание0.0280-0.028-0.028-0.028-0.028-0.028
Сжатие0.60.460.40.30.180.110.068
Путь
поршня
(в долях Н)

0.50.60.70.80.91.0
Расширение
0.150.120.090.0640.0460.032
Выпуск0.0280.0280.0280.0280.0280.032
Всасывание-0.028-0.028-0.028-0.028-0.028-0.028
Сжатие0.0380.0180-0.011-0.02-0.028

Чертежи

Лист 1 - Определение закона движения механизма

Лист 2 - Силовой расчет

Лист 3 - Проектирование кулачкового механизма

Лист 4 - Проектирование зубчатой передачи и планетарного редуктора

Характеристики курсовой работы

Учебное заведение
Семестр
Номер задания
Вариант
Просмотров
831
Качество
Идеальное компьютерное
Размер
888,81 Kb

Список файлов

Проектирование и исследование механизмов автомобиля повышенной проходимости
A05.ZUB
FUCK.REC
Лист (1).dwg
Лист (2).dwg
Лист (3).dwg
Лист (4).dwg
РПЗ.docx
Картинка-подпись
Если вам всё понравилось, поставьте оценку и напишите пару слов о работе - так вы поможете другим покупателям. В благодарность мы вернём вам 40 рублей на счёт.❤️

Комментарии

Нет комментариев
Стань первым, кто что-нибудь напишет!
Поделитесь ссылкой:
Цена: 5 000 2 490 руб.
Расширенная гарантия +3 недели гарантии, +10% цены
Рейтинг автора
4,96 из 5
Поделитесь ссылкой:
Сопутствующие материалы

Подобрали для Вас услуги

-26%
Вы можете использовать курсовую работу для примера, а также можете ссылаться на неё в своей работе. Авторство принадлежит автору работы, поэтому запрещено копировать текст из этой работы для любой публикации, в том числе в свою курсовую работу в учебном заведении, без правильно оформленной ссылки. Читайте как правильно публиковать ссылки в своей работе.
Свежие статьи
Популярно сейчас
Почему делать на заказ в разы дороже, чем купить готовую учебную работу на СтудИзбе? Наши учебные работы продаются каждый год, тогда как большинство заказов выполняются с нуля. Найдите подходящий учебный материал на СтудИзбе!
Ответы на популярные вопросы
Да! Наши авторы собирают и выкладывают те работы, которые сдаются в Вашем учебном заведении ежегодно и уже проверены преподавателями.
Да! У нас любой человек может выложить любую учебную работу и зарабатывать на её продажах! Но каждый учебный материал публикуется только после тщательной проверки администрацией.
Вернём деньги! А если быть более точными, то автору даётся немного времени на исправление, а если не исправит или выйдет время, то вернём деньги в полном объёме!
Да! На равне с готовыми студенческими работами у нас продаются услуги. Цены на услуги видны сразу, то есть Вам нужно только указать параметры и сразу можно оплачивать.
Отзывы студентов
Ставлю 10/10
Все нравится, очень удобный сайт, помогает в учебе. Кроме этого, можно заработать самому, выставляя готовые учебные материалы на продажу здесь. Рейтинги и отзывы на преподавателей очень помогают сориентироваться в начале нового семестра. Спасибо за такую функцию. Ставлю максимальную оценку.
Лучшая платформа для успешной сдачи сессии
Познакомился со СтудИзбой благодаря своему другу, очень нравится интерфейс, количество доступных файлов, цена, в общем, все прекрасно. Даже сам продаю какие-то свои работы.
Студизба ван лав ❤
Очень офигенный сайт для студентов. Много полезных учебных материалов. Пользуюсь студизбой с октября 2021 года. Серьёзных нареканий нет. Хотелось бы, что бы ввели подписочную модель и сделали материалы дешевле 300 рублей в рамках подписки бесплатными.
Отличный сайт
Лично меня всё устраивает - и покупка, и продажа; и цены, и возможность предпросмотра куска файла, и обилие бесплатных файлов (в подборках по авторам, читай, ВУЗам и факультетам). Есть определённые баги, но всё решаемо, да и администраторы реагируют в течение суток.
Маленький отзыв о большом помощнике!
Студизба спасает в те моменты, когда сроки горят, а работ накопилось достаточно. Довольно удобный сайт с простой навигацией и огромным количеством материалов.
Студ. Изба как крупнейший сборник работ для студентов
Тут дофига бывает всего полезного. Печально, что бывают предметы по которым даже одного бесплатного решения нет, но это скорее вопрос к студентам. В остальном всё здорово.
Спасательный островок
Если уже не успеваешь разобраться или застрял на каком-то задание поможет тебе быстро и недорого решить твою проблему.
Всё и так отлично
Всё очень удобно. Особенно круто, что есть система бонусов и можно выводить остатки денег. Очень много качественных бесплатных файлов.
Отзыв о системе "Студизба"
Отличная платформа для распространения работ, востребованных студентами. Хорошо налаженная и качественная работа сайта, огромная база заданий и аудитория.
Отличный помощник
Отличный сайт с кучей полезных файлов, позволяющий найти много методичек / учебников / отзывов о вузах и преподователях.
Отлично помогает студентам в любой момент для решения трудных и незамедлительных задач
Хотелось бы больше конкретной информации о преподавателях. А так в принципе хороший сайт, всегда им пользуюсь и ни разу не было желания прекратить. Хороший сайт для помощи студентам, удобный и приятный интерфейс. Из недостатков можно выделить только отсутствия небольшого количества файлов.
Спасибо за шикарный сайт
Великолепный сайт на котором студент за не большие деньги может найти помощь с дз, проектами курсовыми, лабораторными, а также узнать отзывы на преподавателей и бесплатно скачать пособия.
Популярные преподаватели
Добавляйте материалы
и зарабатывайте!
Продажи идут автоматически
6869
Авторов
на СтудИзбе
271
Средний доход
с одного платного файла
Обучение Подробнее
{user_main_secret_data}