Для студентов МГТУ им. Н.Э.Баумана по предмету Теория механизмов и машин (ТММ)Проектирование и исследование механизмов четырехтактного двигателя внутреннего сгоранияПроектирование и исследование механизмов четырехтактного двигателя внутреннего сгорания
5,00582
2013-08-212025-04-07СтудИзба
Курсовая работа 14: Проектирование и исследование механизмов четырехтактного двигателя внутреннего сгорания вариант Г
-50%
Описание
Проектирование и исследование механизмов четырехтактного двигателя внутреннего сгорания
Реферат
Расчетно-пояснительная записка к курсовому проекту «Проектирование и исследование механизмов четырехтактного двигателя внутреннего сгорания» содержит 50 страниц машинописного текста, 5 рисунков, 6 таблиц.В курсовом проекте было выполнено проектирование и исследование механизмов четырехтактного двигателя внутреннего сгорания служащего в качестве привода электрогенератора.
Проведено:
- Определения закона движения механизма, определения размеров маховика обеспечивающего требуемый коэффициент неравномерности вращения коленчатого вала.
- Определение реакций, возникающих в кинематических парах механизма за полный цикл работы.
- Расчет зубчатой передачи, обеспечивающей необходимое передаточное отношение между коленчатым и распределительным валами и подбор чисел зубьев двухрядного планетарного редуктора.
- Определение параметров кулачкового механизма с поступательно движущимся толкателем которые обеспечивают открытие и закрытие впускного и выпускного клапанов.
Оглавление
- Реферат 3
- Оглавление 4
- Техническое задание 6
- 1. Проектирование механизма и определение закона движения 10
- 1.1. Проектирование механизма 10
- 1.1.1. Определение линейных размеров кривошипно-ползунного механизма 10
- 1.1.2. Построение схемы механизма 11
- 1.2. Построение индикаторной диаграммы и силы Fд 11
- 1.2.1. Построение индикаторной диаграммы 11
- 1.2.2. Построение графика силы Fд 11
- 1.3. Определение передаточных функций механизма 11
- 1.3.1. Функции положения 11
- 1.3.2. Определение передаточных функций и отношений 12
- 1.3.3. Динамическая модель 12
- 1.4. Построение графиков работ 14
- 1.5. Построение графиков кинетической энергии 14
- 1.5.1. Определение кинетической энергии второй группы звеньев 14
- 1.5.2. Определение кинетической энергии первой группы звеньев 14
- 1.6. Определение параметров маховой массы 14
- 1.7. График угловой скорости 15
- 1.8. Габаритные размеры и масса маховика 16
- 1.8.1. Дисковый маховик 16
- 1.8.2. Спицевый маховик 16
- 1.8.3. Выбор маховика 16
- 2. Силовой расчет механизма 17
- 2.1. Аналитический расчет усилий в кинематических парах 17
- 2.2. Графоаналитический расчет усилий в кинематических парах 17
- 2.2.1. Построение плана скоростей 18
- 2.2.2. Построение плана ускорений 18
- 2.2.3. Определение сил инерции, моментов сил инерции и сил тяжести 18
- 2.2.4. Определение сил в кинематических парах механизма 19
- 2.3. Сравнение полученных результатов 19
- 3. Проектирование зубчатой передачи и планетарного редуктора 20
- 3.1. Исходные данные 20
- 3.2. Проектирование зубчатой передачи 20
- 3.2.1. Выбор коэффициента смещения 20
- 3.2.2. Результаты расчета зубчатой передачи 24
- 3.3. Станочное зацепление 25
- 3.4. Зубчатая передача 26
- 3.5. Проектирование зубчатого планетарного механизма 27
- 3.5.1. Определение количества зубьев 27
- 3.5.2. Определение передаточного отношения редуктора графическим способом 28
- 4. Проектирование кулачкового механизма 29
- 4.1. Определение закона движения 29
- 4.2. Определение основных размеров кулачкового механизма 29
- 4.3. Построение профиля кулачка 30
- 4.4. Построение графика изменения угла давления в кулачковом механизме 30
- Заключение. 30
- Список литературы 31
Техническое задание
Четырехтактный двигатель внутреннего сгорания служит в качестве привода электрогенератора. Основной механизм двигателя (Рисунок 1) - кривошипно-ползунный, состоящий из трех подвижных звеньев: 1 - коленчатый вал, 2 - шатун, 3 - поршень. Вал электрогенератора связан с коленчатым валом. Цикл работы четырехтактного двигателя совершается за два оборота коленчатого вала. Изменение давления в цилиндре двигателя в зависимости от положения поршня представлено на индикаторной диаграмме (Рисунок 2), данные для построения которой приведены в Таблица 2.


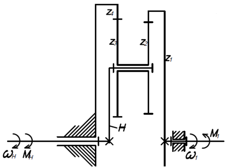
В установке отсутствует планетарный редуктор, проектирование которого провести по дополнительному заданию (Рисунок 4, Таблица 3). Колеса планетарного редуктора нулевые.

Таблица 1 Исходные данные
№ | Параметр | Обозначение | Ед.измерения | Значение |
1 | Средняя скорость поршня | | | 3.7 |
2 | Диаметр цилиндра | d | м | 0.15 |
3 | Отношение длины шатуна к длине кривошипа | | - | 4 |
4 | Отношение расстояния от точки А до центра тяжести шатуна к длине шатуна | | - | 0.38 |
5 | Число оборотов коленчатого вала | | с-1 | 11.667 |
6 | Коэффициент неравномерности вращения коленчатого вала | δ | - | |
7 | Вес шатуна | G2 | кГ | 11 |
8 | Вес поршня | G3 | кГ | 18 |
9 | Момент инерции шатуна относительно оси, проходящей через его центр тяжести | I2S | Кгм2 | 0.402 |
10 | Максимальное давление в цилиндре двигателя | pmax | Па | 2.9105 |
11 | Момент инерции вращающихся звеньев, приведенных к валу кривошипа. | | Кгм2 | 4.903 |
12 | Угловая координата кривошипа для углового расчета (Рисунок 1) | | град | 60 |
13 | Закон изменения ускорения толкателя (Рисунок 3) | - | - | B |
14 | Величина подъема толкателя впускного клапана | h | м | 0,007 |
15 | Рабочий угол профиля кулачка впускного клапана | | град | 125 |
16 | Угол поворота кулачка, соответствующий дальнему стоянию толкателя | | град | 5 |
17 | Максимально допустимый угол давления в кулачковом механизме | | град | 30 |
18 | Внеосность толкателя кулачкового механизма | e | м | 0,004 |
19 | Числа зубьев колес 6 и 7 (Рисунок 1) | Z6 Z7 | - | 13 26 |
20 | Модуль зубчатых колес 6 и 7 (Рисунок 1) | m | мм | 5 |
21 | Угол наклона зуба для колес 6 и 7 | | град | 20 |
22 | Параметры исходного контура реечного инструмента | | | |
Путь поршня (в долях хода Н) | | 0 | 0.05 | 0.0665 | 0.1 | 0.2 | 0.3 | 0.4 | 0.5 | 0.6 | 0.7 | 0.8 | 0.9 | 1 |
Всасывание | | 0 | -0.01 | -0.01 | -0.01 | -0.01 | -0.01 | -0.01 | -0.01 | -0.01 | -0.01 | -0.01 | -0.01 | -0.01 |
Сжатие | +0.46 | +0.31 | +0.28 | +0.245 | +0.17 | +0.17 | +0.104 | +0.066 | +0.038 | +0.02 | +0.01 | 0 | -0.01 | |
Расширение | +0.46 | +0.9 | +1 | +0.85 | +0.56 | +0.4 | +0.31 | +0.245 | +0.2 | +0.16 | +0.12 | +0.097 | +0.047 | |
Выхлоп | 0 | +0.01 | +0.01 | +0.01 | +0.01 | +0.01 | +0.01 | +0.01 | +0.01 | +0.01 | +0.01 | +0.01 | +0.047 |
Наименование параметра | Обозначение | Размерность | Числовые значения |
Передаточное отношение редуктора | | - | 36 |
Число сателлитов в планетарном редукторе | K | - | 2 |
Модуль колес | m | мм | 1 |
Параметры исходного контура реечного инструмента | | | |
Чертежи
Лист 1 - Определение закона движения ![]()
Лист 2 - Силовой расчет ![]()
Лист 3 - Проектирование зубчатой передачи ![]()
Лист 4 - Проектирование кулачкового механизма ![]()
Характеристики курсовой работы
Учебное заведение
Семестр
Номер задания
Вариант
Просмотров
1327
Качество
Идеальное компьютерное
Размер
5,02 Mb
Список файлов
Проектирование и исследование механизмов четырехтактного двигателя внутреннего сгорания
zub.exe
Зубья.xlsx
Лист (1).dwg
Лист (2).dwg
Лист (3).dwg
Лист (4).dwg
Маткад (1).xmcd
Маткад (2).xmcd
РПЗ.docx
Расчет зубчатой передачи.xls

Вам все понравилось? Получите кэшбэк - 40 рублей на Ваш счёт при покупке. Поставьте оценку и напишите положительный комментарий к купленному файлу. После Вы получите деньги на ваш счет.
Комментарии

ssweet_dreamerr: Привет! Почему в РПЗ написано что она содержит 50 страниц, хотя по факту 31?
Здравствуйте! В содержании указано 31 страница, все верно. Расчеты из маткад идут как приложения и занимают оставшиеся 19.

Привет! Почему в РПЗ написано что она содержит 50 страниц, хотя по факту 31?