Для студентов МГТУ им. Н.Э.Баумана по предмету Теория механизмов и машин (ТММ)Проектирование и исследование механизмов долбежного станка с качающейся кулисойПроектирование и исследование механизмов долбежного станка с качающейся кулисой
5,0053
2013-08-212025-04-07СтудИзба
Курсовая работа 1: Проектирование и исследование механизмов долбежного станка с качающейся кулисой вариант В
-50%
Описание
Проектирование и исследование механизмов долбежного станка с качающейся кулисой
Реферат
В данной расчетно-пояснительной записке приведено: проектирование и исследование механизмов долбежного станка с качающейся кулисой, определен закона движения основного механизма, проведены кинетостатический силовой расчет основного механизма, проектирование цилиндрической зубчатой передачи, проектирование двухрядного планетарного механизма и кулачкового механизма с силовым замыканием высшей пары.Техническое задание
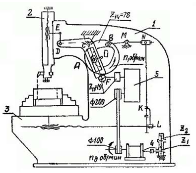
Долбежный станок предназначен для долбления и внутренних канавок в отверстиях деталей, а также для строгания вертикально расположенных поверхностей. Станок имеет следующие основные узлы: станину 1, ползун 2 с резцовой головкой, стол 3, электродвигатель 4, коробку скоростей 5 и передаточные механизмы.



1.2. Исходные данные
№ п/п | Наименование параметра | Обозна-чение | Размер-ность | Числовое значение |
1 | Длина детали | lд | м | 0,15 |
2 | Длина перебега резца | lп | м | 0,025 |
3 | Скорость резания | Vрез | м/с | 0,5 |
4 | Коэффициент изменения скорости резания ползуна | KV | - | 1,5 |
5 | Число оборотов электродвигателя | nд | об/мин | 1440 |
6 | Межосевое расстояние между опорами кривошипа и кулисы | loc | м | 0,20 |
7 | Конструктивный угол кулисы | β | град | 20 |
8 | Сила резания | Pрез | Н | 1500 |
9 | Масса ползуна | m5 | кг | 350 |
10 | Масса кулисы | m3 | кг | 170 |
11 | Момент инерции кулисы относительно оси С | I3c | кг·м2 | 0,036 |
12 | Соотношение между размерами звеньев ED и DC | ED/DC | - | 0,5 |
13 | Вылет резца | lp | м | 0,95 |
14 | Коэффициент неравномерности вращения кривошипа | δ | - | 0,025 |
15 | Маховой момент ротора электродвигателя | mDД2 | кг·м2 | 0,07 |
16 | Маховой момент зубчатых механизмов, приведенный к валу кривошипа О | mD2 | кг·м2 | 30 |
17 | Угловая координата силового расчета | φ1 | град | 210 |
18 | Угловой поворот толкателя | Ψ6 | град | 20 |
19 | Длина толкателя | lBM | м | 0,15 |
20 | Максимально допустимы угол давления толкателя | θ | град | 30 |
21 | Соотношение между ускорениями толкателя | ν=a1/a2 | - | 2 |
22 | Число зубьев колеса 1 | z1 | - | 13 |
23 | Число зубьев колеса 2 | z2 | - | 13 |
24 | Модуль зубчатых колес | m | мм | 2 |
25 | Параметры исходного контура реечного инструмента | α | град | 20 |
hα* | - | 1 | ||
с* | - | 0,25 |
Чертежи
Лист 1 - Определение закона движения ![]()
Лист 2 - Силовой расчет ![]()
Лист 3 - Проектирование зубчатой передачи ![]()
Лист 4 - Проектирование кулачкового механизма ![]()
Характеристики курсовой работы
Учебное заведение
Семестр
Номер задания
Вариант
Программы
Просмотров
915
Качество
Идеальное компьютерное
Размер
549,55 Kb
Список файлов
Проектирование и исследование механизмов долбежного станка с качающейся кулисой
РПЗ.doc
Чертежи.cdw

Вам все понравилось? Получите кэшбэк - 40 рублей на Ваш счёт при покупке. Поставьте оценку и напишите положительный комментарий к купленному файлу. После Вы получите деньги на ваш счет.