Для студентов МГТУ им. Н.Э.Баумана по предмету Сопротивление материаловСтатически неопределимые задачи изгибаСтатически неопределимые задачи изгиба
5,005421
2015-11-072025-01-26СтудИзба
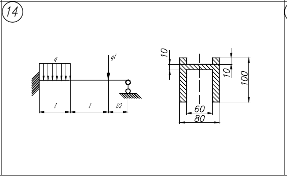
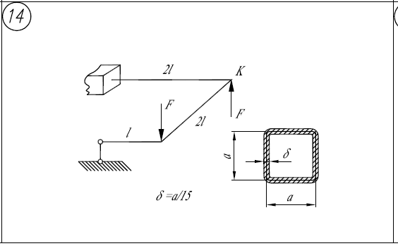
ДЗ 4: Статически неопределимые задачи изгиба вариант 14
-50%
Описание
Файлы условия, демо
Характеристики домашнего задания
Предмет
Учебное заведение
Семестр
Номер задания
Вариант
Просмотров
1760
Качество
Фото рукописных листов
Размер
9,29 Mb
Список файлов
5.1.pdf
5.2.pdf
5.3.pdf
(5.1).pdf
(5.2).pdf

Вам все понравилось? Получите кэшбэк - 40 рублей на Ваш счёт при покупке. Поставьте оценку и напишите положительный комментарий к купленному файлу. После Вы получите деньги на ваш счет.
Комментарии

Отзыв
отлично