Главная » Учебные материалы » Теория механизмов и машин (ТММ) » Курсовые работы » МГТУ им. Н.Э.Баумана » 5 семестр » Номер 15 » Вариант А » Проектирование и исследование механизмов поршневого детандера
Для студентов МГТУ им. Н.Э.Баумана по предмету Теория механизмов и машин (ТММ)Проектирование и исследование механизмов поршневого детандераПроектирование и исследование механизмов поршневого детандера
5,0053
2025-04-07СтудИзба

Курсовая работа 15: Проектирование и исследование механизмов поршневого детандера вариант А

-50%

Описание

Проектирование и исследование механизмов поршневого детандера

Реферат

Расчетно-пояснительная записка к курсовому проекту "Проектирование и исследование механизмов поперечно-строгального станка с качающейся кулисой" содержит 30 страниц машинописного текста, 5 рисунков, 7 таблиц.
В расчетно-пояснительной записке приведено: проектирование основного механизма поршневого детандера , определение закона движения звена приведения, расчет дополнительной маховой массы, кинетостатический силовой расчет основного рычажного механизма, проектирование цилиндрической эвольвентной зубчатой передачи, проектирование однорядного планетарного механизма, пректирование кулачкового механизма с силовым замыканием высшей пары.

Оглавление

  • Техническое задание на проектирование 5
  • 1. Определение закона движения механизма 11
  • 1.1. Постановка задачи 11
  • 1.2. Исходные данные для синтеза 11
  • 1.3 Определение размеров механизма 11
  • 1.4 Определение передаточных функций скоростей кривошипно-ползунного механизма. 11
  • 1.5 Построение индикаторных диаграмм и диаграмм движущих сил 13
  • 1.6 Построение графиков приведённых моментов 13
  • 1.7 Построение графика суммарной работы 16
  • 1.8 Построение диаграммы приведенных моментов инерции. 17
  • 1.9 Построение диаграмм кинетических энергий и угловых скоростей 19
  • 1.10 Определение параметров необходимой маховой массы 19
  • 2. Силовой расчет механизма 19
  • 2.1 Исходные данные для силового расчета 19
  • 2.2 Определение углового ускорения кривошипа 19
  • 2.3 Определение скоростей 19
  • 2.4 Определение ускорений 20
  • 2.5 Силы и моменты сил, действующие на механизм 20
  • 2.6Определение значений и направлений реакций действующих в шарнирах 21
  • 2.7 Силовой расчет 21
  • 3. Проектирование цилиндрической эвольвентной зубчатой передачи планетарного редуктора. 23
  • 3.1 Исходный производящий контур инструмента 23
  • 3.2 Геометрический расчет эвольвентной зубчатой передачи внешнего зацепления 23
  • 3.3 Качественные показатели 24
  • 3.4 Выбор коэффициентов смещения с учетом качественных показателей работы зубчатой передачи 26
  • 3.5 Построение станочного зацепления при x1=0.5. 26
  • 3.6 Построение проектируемой зубчатой передачи. 26
  • 3.7 Проектирование планетарного редуктора. 27
  • 4. Проектирование кулачкового механизма 30
  • 4.1 Исходные данные для проектирования 30
  • 4.2 Построение графика передаточной функции скорости и перемещения толкателя 30
  • 4.3 Построение допустимой области расположения центра вращения кулачка 30
  • 4.4 Построение профиля кулачка 31
  • 4.5 Построение графика изменения углов давления 31
  • Заключение 33
  • Литература 34
  • Приложения: 35
  • Приложение 1. Распечатка расчета геометрии зубчатой передачи

Реферат

Расчетно-пояснительная записка к курсовому проекту "Проектирование и исследование механизмов поперечно-строгального станка с качающейся кулисой" содержит 30 страниц машинописного текста, 5 рисунков, 7 таблиц.
В расчетно-пояснительной записке приведено: проектирование основного механизма поршневого детандера , определение закона движения звена приведения, расчет дополнительной маховой массы, кинетостатический силовой расчет основного рычажного механизма, проектирование цилиндрической эвольвентной зубчатой передачи, проектирование однорядного планетарного механизма, пректирование кулачкового механизма с силовым замыканием высшей пары.

Техническое задание

Детандерами называются машины, служащие для создания холода за счет внешней работы, совершаемой расширяющимся газом. Детандеры широко применяются в технике глубокого холода.
Детандер высокого давления (рис. 1)—вертикальная одноцилиндровая машина простого действия. Основным механизмом детандера является кривошипно-ползунный механизм, состоящий из коленчатого вала 1, шатуна 2 и поршня 3. Рабочее тело — воздух, сжатый до давления рmax, поступает в цилиндр детандера 4 через впускной клапан 8. При движении поршня вниз сжатый воздух расширяется, производя работу. Рабочий цикл детандера совершается за один оборот коленчатого вала. Изменение давления в цилиндре детандера в зависимости от положения поршня представлено индикаторной диаграммой (рис. 2), данные для построения которой приведены в табл.
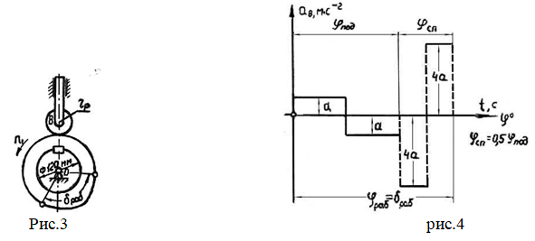
Рабочее тело удаляется из цилиндра после расширения через выпускной клапан 11. Клапаны открываются принудительно посредством штоков-толкателей 7 и 10. Кулачки впуска 6 и выпуска 9 насажены на коленчатый вал детандера. Схема кулачкового механизма привода впускного клапана изображена на рис. 3, а закон изменения ускорения толкателя кулачкового механизма — на рис. 4.
Работа детандера воспринимается генератором электрического тока 14. Маховик-шкив 12, насаженный на коленчатый вал, передает движение шкиву генератора с помощью клиноременной передачи 18. Коленчатый вал снабжен двумя противовесами 5.
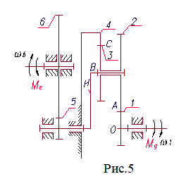
В установке «поршневой детандер-генератор отсутствуют зубчатая передача и планетарный редуктор, проектирование которых провести по дополнительному заданию ( рис. 5, табл. 3).

Объем и содержание курсового проекта

Лист 1. Проектирование основного механизма детандера и определение закона его движения.
  1. Определение основных размеров звеньев механизма по заданным условиям (средняя скорость поршня, число оборотов коленчатого вала; отношение длины шатуна к длине кривошипа).
  2. Определение необходимого момента инерции маховых масс, обеспечивающих вращение коленчатого вала с заданным коэффициентом неравномерности при установившемся режиме работы. Определение момента инерции дополнительном моховой массы (маховика), установленной на коленчатом валу.
  3. Построение диаграммы изменения угловой скорости коленчатого вала за время одного цикла установившегося режима работы.
Лист 2.Силовой расчет основного механизма детандера с учетом динамических нагрузок.
  1. Определение углового ускорения звена приведения по уравнению движения в дифференциальной форме (на основании исследования, выполненного на листе 1 проекта) в положении механизма, соответствующем заданному углу j1. Определение линейных ускорений центров тяжести и угловых ускорении звеньев.
  2. Построение картины силового нагружения механизма.
  3. Определение сил в кинематических парах механизма.
  4. Оценка точности расчетов, выполненных на листах 1 и 2 проекта, по уравнению моментов или уравнению сил для ведущего или ведомого звена механизма.
Лист 3.Проектирование зубчатой передачи и планетарного редуктора
  1. Выполнение геометрического расчета эволъвентной зубчатой передачи z5, z6
  2. Построение схемы станочного зацепления при нарезании колеса с меньшим числом зубьев и профилирование зуба (включая галтель) методом огибания.
  3. Вычерчивание схемы зацепления колес с указанием основных размеров и элементов колес и передачи.
  4. Проектирование планетарного редуктора (подбор чисел зубьев) по заданному передаточному отношению редуктора и числу сателлитов. Допустимое отклонение iред±5%.
  5. Определение передаточного отношения, линейных скоростей и чисел оборотов звеньев спроектированного редуктора графическим способом.
Лист 4.Проектирование кулачкового механизма привода впускного клапана
  1. Построение кинематических диаграмм движения толкателя (ускорения, скорости, перемещения) по заданному закону изменения ускорения толкателя (рис. 4).
  2. Определение основных размеров кулачкового механизма наименьших габаритов с учетом максимально допустимого угла давления (q).
  3. Построение профиля кулачка (центрового и конструктивного) .
  4. Построение диаграммы изменения угла давления в функции угла поворота кулачка.

Исходные данные


п/п
Наименование параметра Обозначение Единица СИ Значения
1Средняя скорость поршняvсрм/с1,53
2Отношение длины шатуна к длине кривошипаlAB/lOA-4,80
3Отношение расстояния от точки А до центра тяжести шатуна к длине шатунаlAS2/lAB-0,25
4Диаметр цилиндраdм0,080
5Число оборотов коленчатого валаn1c-14,26
6Максимальное давление воздуха в цилиндреPmaxМПа11,772
7Вес шатунаG2Н290
8Вес поршняG3Н500
9Момент инерции шатуна относительно оси, проходящей через его центр тяжестиJ2Sкг·м20,737
10Момент инерции коленчатого вала (без маховика)J10кг·м24,2
11Коэффициент неравномерности вращения коленчатого вала-1/25
12Угловая координата кривошипа для силового расчета (рис. 15-1)1град60
13Угол рабочего профиля кулачкарабград60
14Ход толкателя кулачкового механизмаhм0,008
15Максимально допустимый угол давления в кулачковом механизмеград35
Таблица 1.

Таблица 2.
Путь поршня (в долях хода Н)Sb/H00,050.10.20.30.40.50.60.70.80.91.0
Давление воздуха (в долях от Pmax)P/PmaxДля хода поршня вниз
1,601,001,000,000,920,700,540,440,360,320,300,20
Для хода поршня вверх
1,601,341,160,100,100,100,100,100,100,100,100.20















Таблица 3.

п/п
Наименование параметраОбозначениеРазмерностьЗначение
1Передаточное отношение механизмаi56­-13
2Числа зубьев колес 5, 6z5-11


z6-18
3Модуль зубчатых колес 5. 6mмм4
4Число сателлитов в планетарном редукторе
град10
5Число сателлитов в планетарном редуктореK-3
6Параметры исходного контура реечного инструмента

Чертежи

Лист 1 - Определение закона движения механизма

Лист 2 - Силовой расчет

Лист 3 - Проектирование кулачкового механизма

Лист 4 - Проектирование зубчатой передачи и планетарного редуктора

Характеристики курсовой работы

Учебное заведение
Семестр
Номер задания
Вариант
Просмотров
190
Качество
Идеальное компьютерное
Размер
1,29 Mb

Список файлов

Титульный лист.doc
Реферат.doc
Оглавление.doc
РПЗ.doc
Приложение.doc
Лист 1.dwg
Лист 2.dwg
Лист 3.dwg
Лист 4.dwg
Картинка-подпись
Вам все понравилось? Получите кэшбэк - 40 рублей на Ваш счёт при покупке. Поставьте оценку и напишите положительный комментарий к купленному файлу. После Вы получите деньги на ваш счет.

Комментарии

Нет комментариев
Стань первым, кто что-нибудь напишет!
Поделитесь ссылкой:
Цена: 5 000 2 490 руб.
Расширенная гарантия +3 недели гарантии, +10% цены
Рейтинг покупателей
5 из 5
Поделитесь ссылкой:
Сопутствующие материалы

Подобрали для Вас услуги

-26%
Вы можете использовать курсовую работу для примера, а также можете ссылаться на неё в своей работе. Авторство принадлежит автору работы, поэтому запрещено копировать текст из этой работы для любой публикации, в том числе в свою курсовую работу в учебном заведении, без правильно оформленной ссылки. Читайте как правильно публиковать ссылки в своей работе.
Свежие статьи
Популярно сейчас
Почему делать на заказ в разы дороже, чем купить готовую учебную работу на СтудИзбе? Наши учебные работы продаются каждый год, тогда как большинство заказов выполняются с нуля. Найдите подходящий учебный материал на СтудИзбе!
Ответы на популярные вопросы
Да! Наши авторы собирают и выкладывают те работы, которые сдаются в Вашем учебном заведении ежегодно и уже проверены преподавателями.
Да! У нас любой человек может выложить любую учебную работу и зарабатывать на её продажах! Но каждый учебный материал публикуется только после тщательной проверки администрацией.
Вернём деньги! А если быть более точными, то автору даётся немного времени на исправление, а если не исправит или выйдет время, то вернём деньги в полном объёме!
Да! На равне с готовыми студенческими работами у нас продаются услуги. Цены на услуги видны сразу, то есть Вам нужно только указать параметры и сразу можно оплачивать.
Отзывы студентов
Ставлю 10/10
Все нравится, очень удобный сайт, помогает в учебе. Кроме этого, можно заработать самому, выставляя готовые учебные материалы на продажу здесь. Рейтинги и отзывы на преподавателей очень помогают сориентироваться в начале нового семестра. Спасибо за такую функцию. Ставлю максимальную оценку.
Лучшая платформа для успешной сдачи сессии
Познакомился со СтудИзбой благодаря своему другу, очень нравится интерфейс, количество доступных файлов, цена, в общем, все прекрасно. Даже сам продаю какие-то свои работы.
Студизба ван лав ❤
Очень офигенный сайт для студентов. Много полезных учебных материалов. Пользуюсь студизбой с октября 2021 года. Серьёзных нареканий нет. Хотелось бы, что бы ввели подписочную модель и сделали материалы дешевле 300 рублей в рамках подписки бесплатными.
Отличный сайт
Лично меня всё устраивает - и покупка, и продажа; и цены, и возможность предпросмотра куска файла, и обилие бесплатных файлов (в подборках по авторам, читай, ВУЗам и факультетам). Есть определённые баги, но всё решаемо, да и администраторы реагируют в течение суток.
Маленький отзыв о большом помощнике!
Студизба спасает в те моменты, когда сроки горят, а работ накопилось достаточно. Довольно удобный сайт с простой навигацией и огромным количеством материалов.
Студ. Изба как крупнейший сборник работ для студентов
Тут дофига бывает всего полезного. Печально, что бывают предметы по которым даже одного бесплатного решения нет, но это скорее вопрос к студентам. В остальном всё здорово.
Спасательный островок
Если уже не успеваешь разобраться или застрял на каком-то задание поможет тебе быстро и недорого решить твою проблему.
Всё и так отлично
Всё очень удобно. Особенно круто, что есть система бонусов и можно выводить остатки денег. Очень много качественных бесплатных файлов.
Отзыв о системе "Студизба"
Отличная платформа для распространения работ, востребованных студентами. Хорошо налаженная и качественная работа сайта, огромная база заданий и аудитория.
Отличный помощник
Отличный сайт с кучей полезных файлов, позволяющий найти много методичек / учебников / отзывов о вузах и преподователях.
Отлично помогает студентам в любой момент для решения трудных и незамедлительных задач
Хотелось бы больше конкретной информации о преподавателях. А так в принципе хороший сайт, всегда им пользуюсь и ни разу не было желания прекратить. Хороший сайт для помощи студентам, удобный и приятный интерфейс. Из недостатков можно выделить только отсутствия небольшого количества файлов.
Спасибо за шикарный сайт
Великолепный сайт на котором студент за не большие деньги может найти помощь с дз, проектами курсовыми, лабораторными, а также узнать отзывы на преподавателей и бесплатно скачать пособия.
Популярные преподаватели
Добавляйте материалы
и зарабатывайте!
Продажи идут автоматически
6827
Авторов
на СтудИзбе
275
Средний доход
с одного платного файла
Обучение Подробнее
{user_main_secret_data}