Главная » Учебные материалы » Теория механизмов и машин (ТММ) » Курсовые работы » МГТУ им. Н.Э.Баумана » 5 семестр » Номер 12 » Вариант А » Проектирование и исследование механизмов поршневого компрессора
Для студентов МГТУ им. Н.Э.Баумана по предмету Теория механизмов и машин (ТММ)Проектирование и исследование механизмов поршневого компрессораПроектирование и исследование механизмов поршневого компрессора
4,40512
2025-04-07СтудИзба

Курсовая работа 12: Проектирование и исследование механизмов поршневого компрессора вариант А

-50%

Описание

Проектирование и исследование механизмов поршневого компрессора

Реферат

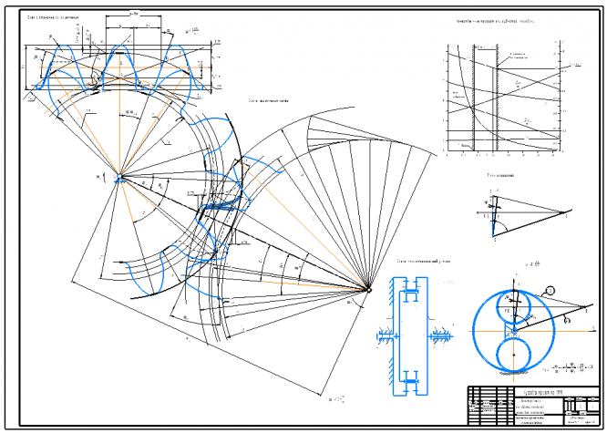
Расчетно-пояснительная записка к курсовому проекту "Проектирование и исследование механизмов поршневого компрессора" содержит 38 страниц машинописного текста, 8 рисунков, 11 таблиц.
В расчетно-пояснительной записке приведено: проектирование основного механизма компрессора, определение закона движения звена приведения, расчет дополнительной маховой массы, кинетостатический силовой расчет основного рычажного механизма, проектирование кулачкового механизма, проектирование цилиндрической эвольвентной зубчатой передачи, проектирование планетарного редуктора.

Техническое задание

Проектирование и исследование механизмов поршневого компрессора. Назначение и краткое описание механизмов поршневого компрессора
Вертикальный одноцилиндровый поршневой компрессор (рис. 1) предназначен для сжатия воздуха и приводится в движение асинхронным электродвигателем 6, механическая характеристика которого изображена на рис. 2.

Рис. 1.
Общий вид установки
Воздух поступает в цилиндр из атмосферы через фильтр, установленный на всасывающей полости клапанной коробки 7, и после сжатия нагнетается в специальный резервуар. Для отвода тепла, выделяемого при сжатии, служит водяная рубашка. Изменение давления в цилиндре по пути поршня 3 характеризуется индикаторной диаграммой (рис. 3), данные для построения которой приведены в табл. 2.

Рис. 2.
Механическая характеристика электродвигателя
Основной механизм компрессора – кривошипно-ползунный. Он состоит из коленчатого вала 1, шатуна 2 и поршня 3 . Для обеспечения необходимой равномерности движения на коленчатом валу машины закреплён маховик 8. Противовесы 9 на коленчатом валу уравновешивают механизм, уменьшая силы в подшипниках. Смазка механизма – циркуляционная, под давлением от масляного насоса 10, помещённого в картере и приводимого в движение от коленчатого вала при помощи зубчатой передачи 4-5 (рис. 1). Плунжерный масляный насос является насосом кулачкового типа (его схема изображена на рис 4). При проектировании и исследовании механизмов компрессора считать известными параметры,. приведённые в табл. 2. В поршневом компрессоре (рис. 1) отсутствует планетарный редуктор, проектирование которого провести по дополнительному заданию.

Рис. 3. Индикаторная диаграмма компрессора


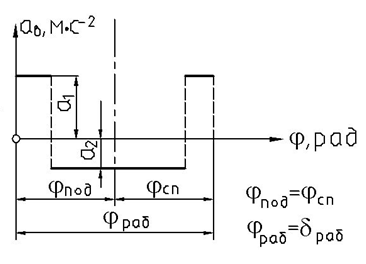
Рис. 4. Схема кулачкового механизма масляного насоса
Рис. 5. Закон изменения ускорения плунжера насоса (толкателя кулачкового механизма)

Исходные данные

Наименование параметраОбозначениеРазмерностьЧисловые значения
1. Средняя скорость поршняvсрм/с4,2
2. Отношение длины шатуна к длине кривошипаlAB/lOA4,7
3. Отношение расстояния от точки A до центра тяжести S2 шатуна к длине шатунаlAS2/lAB0,3
4. Диаметр цилиндраdм0,230
5. Номинальное число оборотов вала электродвигателяnномоб/мин730
6. Максимальное давление воздуха в цилиндреPmaxПа5,79∙105
7. Момент на валу двигателя при номинальном числе оборотов(Mд)номН∙м269
8. Вес шатунаG2Н137
9. Вес поршняG3Н117
10. Момент инерции шатуна относительно оси, проходящей через его центр тяжестиI2Sкг∙м20,314
11. Момент инерции коленчатого вала (без маховика)I10кг∙м20,0981
12. Маховой момент ротора двигателяGD2Н∙м234,3
13. Момент инерции ротора двигателяIр.д.кг∙м20,875
14. Коэффициент неравномерности вращения коленчатого валаδ1/50
15. КПД основного механизмаη0,90
16. Угловая координата кривошипа для силового расчёта (рис. 1)j1град300
17. Угол рабочего профиля кулачкаφрабград360
18. Ход плунжера насоса (толкателя кулачкового механизма)hм0,016
19. Максимально допустимый угол давления в кулачковом механизме град15
20. Отношение величин ускорений толкателяν = a1/a21,9
21. Числа зубьев колёс 4, 5z411
z518



22. Модуль зубчатых колёс 4, 5



m



мм



2,5
23. Параметры исходного контура реечного инструментаα0град20
1
c*0,25

Таблица 2
Значения давления в цилиндре компрессора в долях максимального давления pmax в зависимости от положения поршня
Путь поршня (в долях хода H) 00,10,20,30,40,50,60,70,80,91,0
Давление воздуха (в долях pmax) Для хода поршня вниз
10,30000000000
Для хода поршня вверх
1110,550,380,270,180,120,080,040

Чертежи

Лист 1 - Проектирование основного механизма компрессора и определение закона его движения

Лист 2 - Силовой расчет основного механизма компрессора

Лист 3 - Проектирование зубчатой передачи и планетарного редуктора

Лист 4 - Проектирование кулачкового механизма масляного насоса

Характеристики курсовой работы

Учебное заведение
Семестр
Номер задания
Вариант
Просмотров
3153
Качество
Идеальное компьютерное
Размер
1,04 Mb

Список файлов

12-A
Лист 1.frw
Лист 2.frw
Лист 3.frw
Лист 4.frw
РПЗ.docx
Картинка-подпись
Вам все понравилось? Получите кэшбэк - 40 рублей на Ваш счёт при покупке. Поставьте оценку и напишите положительный комментарий к купленному файлу. После Вы получите деньги на ваш счет.

Отзывы

Отзыв
Есть ошибки, но если поразбираться и исправить их, то в целом всё хорошо. На 4 должно хватить)
Поделитесь ссылкой:
Цена: 5 000 2 490 руб.
Расширенная гарантия +3 недели гарантии, +10% цены
Рейтинг покупателей
4,4 из 5
Поделитесь ссылкой:
Сопутствующие материалы

Подобрали для Вас услуги

Подобрали для Вас услуги

Вы можете использовать курсовую работу для примера, а также можете ссылаться на неё в своей работе. Авторство принадлежит автору работы, поэтому запрещено копировать текст из этой работы для любой публикации, в том числе в свою курсовую работу в учебном заведении, без правильно оформленной ссылки. Читайте как правильно публиковать ссылки в своей работе.
Свежие статьи
Популярно сейчас
Почему делать на заказ в разы дороже, чем купить готовую учебную работу на СтудИзбе? Наши учебные работы продаются каждый год, тогда как большинство заказов выполняются с нуля. Найдите подходящий учебный материал на СтудИзбе!
Ответы на популярные вопросы
Да! Наши авторы собирают и выкладывают те работы, которые сдаются в Вашем учебном заведении ежегодно и уже проверены преподавателями.
Да! У нас любой человек может выложить любую учебную работу и зарабатывать на её продажах! Но каждый учебный материал публикуется только после тщательной проверки администрацией.
Вернём деньги! А если быть более точными, то автору даётся немного времени на исправление, а если не исправит или выйдет время, то вернём деньги в полном объёме!
Да! На равне с готовыми студенческими работами у нас продаются услуги. Цены на услуги видны сразу, то есть Вам нужно только указать параметры и сразу можно оплачивать.
Отзывы студентов
Ставлю 10/10
Все нравится, очень удобный сайт, помогает в учебе. Кроме этого, можно заработать самому, выставляя готовые учебные материалы на продажу здесь. Рейтинги и отзывы на преподавателей очень помогают сориентироваться в начале нового семестра. Спасибо за такую функцию. Ставлю максимальную оценку.
Лучшая платформа для успешной сдачи сессии
Познакомился со СтудИзбой благодаря своему другу, очень нравится интерфейс, количество доступных файлов, цена, в общем, все прекрасно. Даже сам продаю какие-то свои работы.
Студизба ван лав ❤
Очень офигенный сайт для студентов. Много полезных учебных материалов. Пользуюсь студизбой с октября 2021 года. Серьёзных нареканий нет. Хотелось бы, что бы ввели подписочную модель и сделали материалы дешевле 300 рублей в рамках подписки бесплатными.
Отличный сайт
Лично меня всё устраивает - и покупка, и продажа; и цены, и возможность предпросмотра куска файла, и обилие бесплатных файлов (в подборках по авторам, читай, ВУЗам и факультетам). Есть определённые баги, но всё решаемо, да и администраторы реагируют в течение суток.
Маленький отзыв о большом помощнике!
Студизба спасает в те моменты, когда сроки горят, а работ накопилось достаточно. Довольно удобный сайт с простой навигацией и огромным количеством материалов.
Студ. Изба как крупнейший сборник работ для студентов
Тут дофига бывает всего полезного. Печально, что бывают предметы по которым даже одного бесплатного решения нет, но это скорее вопрос к студентам. В остальном всё здорово.
Спасательный островок
Если уже не успеваешь разобраться или застрял на каком-то задание поможет тебе быстро и недорого решить твою проблему.
Всё и так отлично
Всё очень удобно. Особенно круто, что есть система бонусов и можно выводить остатки денег. Очень много качественных бесплатных файлов.
Отзыв о системе "Студизба"
Отличная платформа для распространения работ, востребованных студентами. Хорошо налаженная и качественная работа сайта, огромная база заданий и аудитория.
Отличный помощник
Отличный сайт с кучей полезных файлов, позволяющий найти много методичек / учебников / отзывов о вузах и преподователях.
Отлично помогает студентам в любой момент для решения трудных и незамедлительных задач
Хотелось бы больше конкретной информации о преподавателях. А так в принципе хороший сайт, всегда им пользуюсь и ни разу не было желания прекратить. Хороший сайт для помощи студентам, удобный и приятный интерфейс. Из недостатков можно выделить только отсутствия небольшого количества файлов.
Спасибо за шикарный сайт
Великолепный сайт на котором студент за не большие деньги может найти помощь с дз, проектами курсовыми, лабораторными, а также узнать отзывы на преподавателей и бесплатно скачать пособия.
Популярные преподаватели
Добавляйте материалы
и зарабатывайте!
Продажи идут автоматически
6822
Авторов
на СтудИзбе
276
Средний доход
с одного платного файла
Обучение Подробнее