Для студентов по предмету Теория автоматического управления (ТАУ)Для измерения напряжения на резисторе R1 = 1 кОм (см. рис. 1) включен вольтметр класса точности Кп с конечным значением шкалы Uном и Rвх = 5 кОм. ПокаДля измерения напряжения на резисторе R1 = 1 кОм (см. рис. 1) включен вольтметр класса точности Кп с конечным значением шкалы Uном и Rвх = 5 кОм. Пока
5,0052
2022-07-232022-07-23СтудИзба
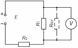
Для измерения напряжения на резисторе R1 = 1 кОм (см. рис. 1) включен вольтметр класса точности Кп с конечным значением шкалы Uном и Rвх = 5 кОм. Показания вольтметра Uа, напряжения источника Е; R2 = 9 кОм. Определить действительное значение измеряем
Описание
Для измерения напряжения на резисторе R1 = 1 кОм (см. рис. 1) включен вольтметр класса точности Кп с конечным значением шкалы Uном и Rвх = 5 кОм. Показания вольтметра Uа, напряжения источника Е; R2 = 9 кОм. Определить действительное значение измеряемой величины напряжения, погрешности, обусловленные методом измерения и классом точности прибора.
Таблица №4
Кп | Uном ,В | Uа ,В | Е, В |
1,5 | 25 | 4,49 | 19 |
Рисунок 2 Измерение напряжения на участке электрической цепи
Характеристики решённой задачи
Программы
Просмотров
11
Качество
Идеальное компьютерное
Размер
131 Kb
Список файлов
Задача 2003.doc
