Для студентов ТУСУР по предмету Теория автоматического управления (ТАУ)Моделирование и исследование характеристик типовых динамических звеньев систем автоматического управлениеМоделирование и исследование характеристик типовых динамических звеньев систем автоматического управление
5,0053252
2025-03-272025-03-27СтудИзба
Лабораторная работа: Моделирование и исследование характеристик типовых динамических звеньев систем автоматического управление
Описание
Целью лабораторной работы является получение навыков разработки электронных моделей типовых динамических звеньев САУ, исследование их частотных и переходных характеристик на этих моделях. Такими звеньями, в частности, являются инерционное, инерционное форсирующее, а также звенья второго порядка (колебательное и апериодическое).
Исходные данные для варианта 16: 4, Т=120 мс.
1 Исследование инерционного звена
1.1 Собрать схему модели апериодического (инерционного) звена, установить значения ===100 кОм. По формулам , рассчитать параметры остальных элементов в соответствии с данными для индивидуального варианта.
1.2 Получить переходную характеристику и определить время переходного процесса .
1.3 Получить экспериментальные ЛАЧХ и ЛФЧХ, замерить частоту среза и значение фазы на этой частоте.
1.4 Увеличить значения постоянной времени Т звена в два, три и четыре раза и повторить выполнение заданий по п.п. 1.2 и 1.3.
1.5 Построить графики зависимостей , и .
1.6 Оценить влияние величины постоянной времени на характеристики апериодического (инерционного) звена.
2 Исследование инерционного форсирующего звена
2.1 Собрать схему электронной модели инерционного форсирующего звена. Принять ==100 кОм, =1 мкФ. Для заданного варианта выбрать значение постоянной времени T (45 мс), принять постоянную времени τ=0,1T и коэффициент передачи звена k=2. По формулам рассчитать параметры остальных элементов модели. Напряжение E источника питания электронной модели принять равным 0,5 В.
2.2 Снять переходную характеристику и определить величину скачка переходной характеристики при t=0 , установившееся значение и время переходного процесса . Рассчитать параметр .
2.3 Получить экспериментальные ЛАЧХ и ЛФЧХ, замерить частоту среза и значение фазы на этой частоте.
2.4 Установить соотношения значений постоянных времени τ = 0,2T , τ = 0,3T , τ = 0,4T и повторить выполнение заданий пп. 2.2 и 2.3, пересчитав параметры модели в соответствии с п. 2.1.
2.5 Построить графики зависимостей λ=f(τ), , и и сравнить их с аналогичными зависимостями, полученными в п. 1.5.
2.6 Оценить влияние постоянной времени форсирующего звена на характеристики инерционного форсирующего звена.
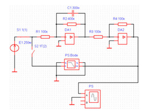
3.1 Собрать схему модели звена второго порядка. Приняв === =100 кОм, ==1 мкФ, ξ=0,7 и выбрав значения постоянной времени T (120 мс) и коэффициента передачи k (4) согласно индивидуальному варианту, рассчитать значения остальных параметров модели по формулам:
, , .
3.2 Установить напряжение питания модели, равное , снять переходную характеристику и определить время переходного процесса , фиксируя при этом осциллографом максимальное значение выходного напряжения.
3.3 Рассчитать перерегулирование
,
где =1 В. При правильном расчете параметров электронной модели колебательного звена перерегулирование не должно превышать 5 %.
3.4 Получить экспериментальные ЛАЧХ и ЛФЧХ, замерить частоту среза , значение фазы на частоте среза и определить запас устойчивости по фазе .
3.5 Установить значения ξ=0,5, ξ=0,3, ξ=0,1, а также ξ=1, ξ=2, ξ=3 и повторить выполнение пп. 3.2 – 3.4.
3.6 Построить графики зависимостей , , , и .
3.7 Оценить влияние коэффициента демпфирования на характеристики звеньев второго порядка.
Исходные данные для варианта 16: 4, Т=120 мс.
1 Исследование инерционного звена
1.1 Собрать схему модели апериодического (инерционного) звена, установить значения ===100 кОм. По формулам , рассчитать параметры остальных элементов в соответствии с данными для индивидуального варианта.
1.2 Получить переходную характеристику и определить время переходного процесса .
1.3 Получить экспериментальные ЛАЧХ и ЛФЧХ, замерить частоту среза и значение фазы на этой частоте.
1.4 Увеличить значения постоянной времени Т звена в два, три и четыре раза и повторить выполнение заданий по п.п. 1.2 и 1.3.
1.5 Построить графики зависимостей , и .
1.6 Оценить влияние величины постоянной времени на характеристики апериодического (инерционного) звена.

2 Исследование инерционного форсирующего звена
2.1 Собрать схему электронной модели инерционного форсирующего звена. Принять ==100 кОм, =1 мкФ. Для заданного варианта выбрать значение постоянной времени T (45 мс), принять постоянную времени τ=0,1T и коэффициент передачи звена k=2. По формулам рассчитать параметры остальных элементов модели. Напряжение E источника питания электронной модели принять равным 0,5 В.
2.2 Снять переходную характеристику и определить величину скачка переходной характеристики при t=0 , установившееся значение и время переходного процесса . Рассчитать параметр .
2.3 Получить экспериментальные ЛАЧХ и ЛФЧХ, замерить частоту среза и значение фазы на этой частоте.
2.4 Установить соотношения значений постоянных времени τ = 0,2T , τ = 0,3T , τ = 0,4T и повторить выполнение заданий пп. 2.2 и 2.3, пересчитав параметры модели в соответствии с п. 2.1.
2.5 Построить графики зависимостей λ=f(τ), , и и сравнить их с аналогичными зависимостями, полученными в п. 1.5.
2.6 Оценить влияние постоянной времени форсирующего звена на характеристики инерционного форсирующего звена.
3.1 Собрать схему модели звена второго порядка. Приняв === =100 кОм, ==1 мкФ, ξ=0,7 и выбрав значения постоянной времени T (120 мс) и коэффициента передачи k (4) согласно индивидуальному варианту, рассчитать значения остальных параметров модели по формулам:
, , .
3.2 Установить напряжение питания модели, равное , снять переходную характеристику и определить время переходного процесса , фиксируя при этом осциллографом максимальное значение выходного напряжения.
3.3 Рассчитать перерегулирование
,
где =1 В. При правильном расчете параметров электронной модели колебательного звена перерегулирование не должно превышать 5 %.
3.4 Получить экспериментальные ЛАЧХ и ЛФЧХ, замерить частоту среза , значение фазы на частоте среза и определить запас устойчивости по фазе .
3.5 Установить значения ξ=0,5, ξ=0,3, ξ=0,1, а также ξ=1, ξ=2, ξ=3 и повторить выполнение пп. 3.2 – 3.4.
3.6 Построить графики зависимостей , , , и .
3.7 Оценить влияние коэффициента демпфирования на характеристики звеньев второго порядка.
Характеристики лабораторной работы
Учебное заведение
Просмотров
5
Качество
Идеальное компьютерное
Размер
1,78 Mb
Список файлов
Лабораторная 1 (вариант 16).doc

Если нужен другой вариант работы или отдельная задача из любой работы, пишите в комментарии