Курсовая работа; СГУВТ в г. Якутск (ЯИВТ); Теория автоматического управления
Описание
СГУВТ в г. Якутск (ЯИВТ)
Укажите вариант. Могу выполнить любой вариант.
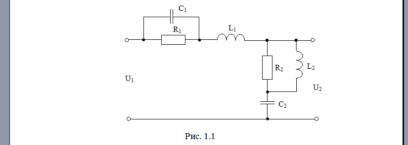
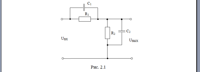
Показать/скрыть дополнительное описаниеСГУВТ в г. Якутск (ЯИВТ); Теория автоматического управленияНайти передаточную функцию и дифференциальное уравнение пассивной электрической цепи, приведенной на рис. 1.1, относительно напряжений U1 и U2. Исходные данные по вариантам (наличие того или иного элемента в схеме показано знаком «+», а отсутствие – знаком «- «) приведены в таблице 1.1. Построить АЧХ звена, изображенного на рис. 1.2, в соответствии с вариантом. Исходные данные приведены в таблице 2.1. Построить логарифмическую амплитудную L() и фазовую () характеристики звена (таблица 3.1), выбранного в соответствии с вариантом. Построить амплитудно-фазовую характеристику для системы, изображенной на рис.
4.1 – 4.10. Исходные данные в соответствии с вариантами приведены в таблицах 4.1, 4.2. Построить логарифмические амплитудную и фазовую частотные характеристики для системы, изображенной на рис. 4.1 – 4.10. Исходные данные в соответствии с вариантами приведены в таблицах 4.1, 4.2. Определить устойчивость автоматической системы с помощью алгебраического критерия, характеристическое уравнение которой имеет вид, приведенный в таблице 6.1. Определить устойчивость системы автоматического управления по критерию Михайлова в соответствии с заданием, приведенным в таблице 7.1. Определить устойчивость электромеханической системы, используя критерий Найквиста. Передаточная функция разомкнутой системы в соответствии с вариантом приведена в таблице 7.1.
Определить устойчивость замкнутой системы по логарифмическим характеристикам разомкнутой системы. В случае устойчивости определить запасы устойчивости по амплитуде и фазе. Исходные данные для вариантов приведены в таблице 9.1..
СГУВТ в г. Якутск
Gabriel















