Курсовой; ВолгГТУ; Система автоматического регулирования температуры печи. Вариант 5
Курсовая работа 4: Система автоматического регулирования температуры печи вариант 5
Описание
Чтобы написать мне нажмите на кнопку справа "Написать эксперту".
Вариант 5
Внимание: преподаватель довольно придирчивый, может отправить на доработку. Если будет что-то не так, всё исправлю.
Система автоматического регулирования температуры печи
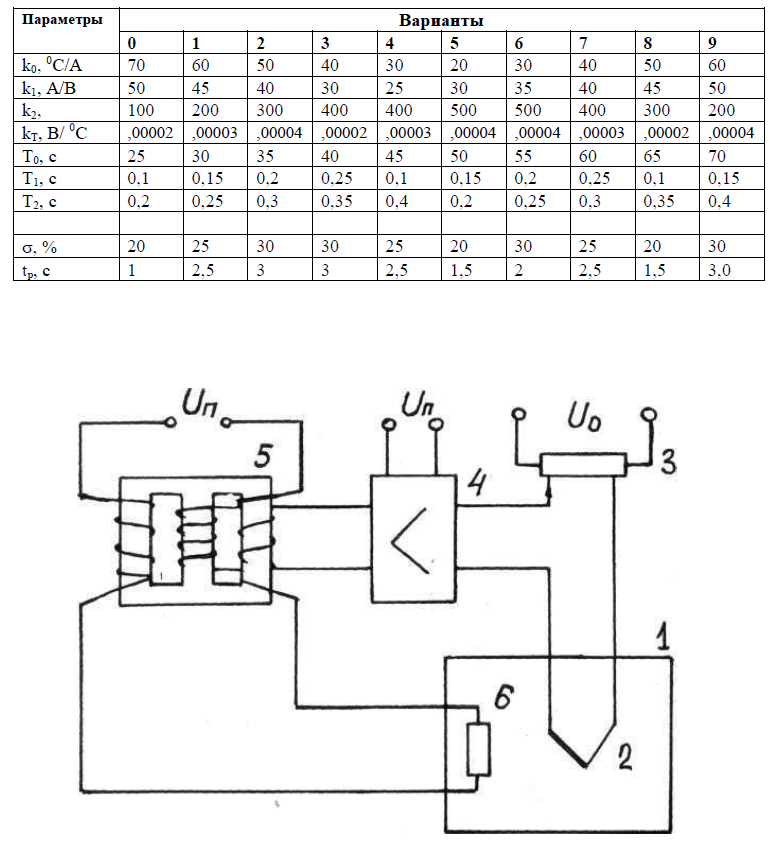
Для построения функциональной схемы можно воспользоваться примером (см. вложенные файлы) Работу необходимо выполнить по приведенному примеру. В передаточных функциях для разомкнутой и замкнутой форм (4 вида) в конечной записи должны быть числа, соответствующие вашему варианту В записке необходимо привести скрины графиков переходной характеристики и ЛЧХ САУ до и после коррекции. На переходной характеристике необходимо показать время регулирования, величины необходимые для нахождения перерегулирования. На ЛЧХ - запасы устойчивости.
Для построения графиков необходимо установить программу SimInTechПоказать/скрыть дополнительное описание
Вариант 5
Внимание: преподаватель довольно придирчивый, может отправить на доработку. Если будет что-то не так, всё исправлю.
Система автоматического регулирования температуры печи
Для построения функциональной схемы можно воспользоваться примером (см. вложенные файлы) Работу необходимо выполнить по приведенному примеру. В передаточных функциях для разомкнутой и замкнутой форм (4 вида) в конечной записи должны быть числа, соответствующие вашему варианту В записке необходимо привести скрины графиков переходной характеристики и ЛЧХ САУ до и после коррекции. На переходной характеристике необходимо показать время регулирования, величины необходимые для нахождения перерегулирования. На ЛЧХ - запасы устойчивости.
Для построения графиков необходимо установить программу SimInTechПоказать/скрыть дополнительное описание
Система автоматического регулирования температуры печи.По принципиальной схеме составить функциональную схему. На основе принципиальной и функциональной схем составить алгоритмическую схему. Определить передаточные функции. Построить ЛАЧХ и ЛФЧХ.
Файлы условия, демо
Характеристики курсовой работы
Учебное заведение
Номер задания
Вариант
Программы
Просмотров
1
Качество
Идеальное компьютерное
Размер
565,5 Kb
Список файлов
Вариант 4.5.doc
Комментарии
Нет комментариев
Стань первым, кто что-нибудь напишет!
ВолгГТУ
Gabriel
















