Для студентов ВолгГТУ по предмету Теория автоматического управления (ТАУ)Система автоматического регулирования температуры печиСистема автоматического регулирования температуры печи
5,00510
2025-09-152025-09-15СтудИзба
Курсовая работа: Система автоматического регулирования температуры печи вариант 2
Описание
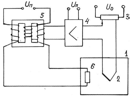
Согласно техническим условиям во внутреннем объеме электрической печи 1 требуется поддерживать постоянную температуру. Температура измеряется термопарой 2. Термо-э. д. с термопары сравнивается с напряжением задающего потенциометра 3 и разностный сигнал усиливается электронным усилителем 4, а затем выходным магнитным усилителем 5. Нагревательный элемент 6, питаемый выходным током магнитного усилителя обогревает печь.
Уравнения элементов системы имеют следующий вид:
Электрическая печь с нагревательным элементом T0 dQ / dt + Q = k0 i ;
Магнитный усилитель T1 di / dt + i = k1 Uу;
Электронный усилитель Uу = k2 U;
Элемент сравнения U = U0 - UT;
Термопара T2 dUT / dt + UT = kТ Q ;
где k0 - коэффициент передачи сушильного шкафа;
k1 - коэффициент усиления магнитного усилителя;
k2 - коэффициент усиления электронного усилителя;
kТ - коэффициент передачи термопары;
T0 - постоянная времени объекта управления (электрической печи);
T1 - постоянная времени магнитного усилителя
T2 - постоянная времени термопары
![]()
Уравнения элементов системы имеют следующий вид:
Электрическая печь с нагревательным элементом T0 dQ / dt + Q = k0 i ;
Магнитный усилитель T1 di / dt + i = k1 Uу;
Электронный усилитель Uу = k2 U;
Элемент сравнения U = U0 - UT;
Термопара T2 dUT / dt + UT = kТ Q ;
где k0 - коэффициент передачи сушильного шкафа;
k1 - коэффициент усиления магнитного усилителя;
k2 - коэффициент усиления электронного усилителя;
kТ - коэффициент передачи термопары;
T0 - постоянная времени объекта управления (электрической печи);
T1 - постоянная времени магнитного усилителя
T2 - постоянная времени термопары

Файлы условия, демо
Характеристики курсовой работы
Учебное заведение
Вариант
Программы
Просмотров
3
Качество
Идеальное компьютерное
Размер
474,01 Kb
Список файлов
4-2.docx
Комментарии
Нет комментариев
Стань первым, кто что-нибудь напишет!
ВолгГТУ
serseric

















