Для студентов ВолгГТУ по предмету Теория автоматического управления (ТАУ)Система автоматического регулирования температуры сушильного шкафаСистема автоматического регулирования температуры сушильного шкафа
5,00510
2025-09-152025-09-15СтудИзба
Курсовая работа: Система автоматического регулирования температуры сушильного шкафа вариант 2
Описание
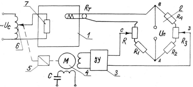
При температуре объекта 1, равной заданной, измерительный мост 2 уравновешен, на вход электронного усилителя 3 сигнал не поступает и система регулирования находится в равновесии. Заданное значение температуры устанавливается резистором Rз. При отклонении температуры изменяется сопротивление термометра Rт и равновесие мостовой схемы нарушается. На входе усилителя появляется напряжение, фаза которого зависит от знака отклонения температуры объекта от заданной. Усиленное в усилителе напряжение подается на управляющую обмотку двигателя 4, который начинает вращаться со скоростью, пропорциональной этому напряжению. Двигатель через механическую передачу 5 перемещает движок автотрансформатора 6, изменяя напряжение на нагревательном элементе 7. По достижении заданной температуры измерительный мост сбалансируется и двигатель остановится.
Уравнения элементов системы имеют следующий вид:
объект управления (сушильный шкаф) Tш dQ/dt + Q =kш Q ;
электрический термометр сопротивления DRт = kт DQ ;
измерительный мост:
- элемент сравнения U = Uз - Uт ;
- канал прохождения сигнала от термометра сопротивления) Uт = kм т DRт
электронный усилитель Uу = kу U ;
исполнительный электродвигатель db/dt = kд Uу ;
автотрансформатор совместно с кинематической связью Uа = kа b ;
нагревательный элемент Tн dQ/dt + Q = kн Uа ;
где kш - коэффициент передачи сушильного шкафа;
kТ , kмт - коэффициенты передачи термометра сопротивления, измерительного моста;
kу - коэффициент усиления усилителя; kд - коэффициент передачи двигателя;
kа - коэффициент передачи автотрансформатора совместно с кинематической связью;
kн - передаточный коэффициент нагревательного элемента;
Tш , Tн - постоянные времени шкафа и нагревательного элемента.
![]()
Уравнения элементов системы имеют следующий вид:
объект управления (сушильный шкаф) Tш dQ/dt + Q =kш Q ;
электрический термометр сопротивления DRт = kт DQ ;
измерительный мост:
- элемент сравнения U = Uз - Uт ;
- канал прохождения сигнала от термометра сопротивления) Uт = kм т DRт
электронный усилитель Uу = kу U ;
исполнительный электродвигатель db/dt = kд Uу ;
автотрансформатор совместно с кинематической связью Uа = kа b ;
нагревательный элемент Tн dQ/dt + Q = kн Uа ;
где kш - коэффициент передачи сушильного шкафа;
kТ , kмт - коэффициенты передачи термометра сопротивления, измерительного моста;
kу - коэффициент усиления усилителя; kд - коэффициент передачи двигателя;
kа - коэффициент передачи автотрансформатора совместно с кинематической связью;
kн - передаточный коэффициент нагревательного элемента;
Tш , Tн - постоянные времени шкафа и нагревательного элемента.

Файлы условия, демо
Характеристики курсовой работы
Учебное заведение
Вариант
Программы
Просмотров
4
Качество
Идеальное компьютерное
Размер
528,63 Kb
Список файлов
3-2.docx
Комментарии
Нет комментариев
Стань первым, кто что-нибудь напишет!
ВолгГТУ
serseric

















