Для студентов НГТУ по предмету Теории электрической связи (ТЭС)РГЗ №1 - Вариант 3 - Подвариант 8РГЗ №1 - Вариант 3 - Подвариант 8
4,96530145
2021-10-062021-10-06СтудИзба
Курсовая работа 1: РГЗ №1 - Вариант 3 - Подвариант 8 вариант 3
Описание
РГЗ №1 - Вариант 3 - Подвариант 8
Часть 1
Сигналы и их характеристики- Сигнал определяется восьмизначным равномерным кодом 10100110, где символ «0» соответствует нулевой посылке, а символ «1» – прямоугольному видеоимпульсу напряжения с амплитудным значением 10 В и длительностью 1 мкс.
- Записать математическую модель сигнала в виде линейной комбинации функций Хевисайда, построить временной график
- Найти спектр сигнала в базисе Уолша, построить спектральную диаграмму
- Найти спектральную плотность сигнала относительно ядра Фурье, построить графики её модуля и аргумента
- Найти спектр периодической последовательности, полученной повторением данного сигнала, относительно комплексного базиса Фурье; построить амплитудную и фазовую спектральные диаграммы
- Найти автокорреляционную функцию сигнала, построить график.
- Определить эффективную ширину спектра.
- Найти сигнал, который получается из заданного при воздействии фильтра с прямоугольной АЧХ и линейной ФЧХ (частота среза fср=19 МГц и крутизна ФЧХ S=0.75 рад/МГц). Построить временной график полученного сигнала.
- Найти сигнал, который получается из заданного при воздействии RС-фильтра НЧ с параметрами, указанными в табл. 3 (R=0.27 кОм, С=750 нФ), построить временной график полученного сигнала.
Часть 2
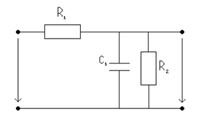
Линейные инвариантные к сдвигу цепи- ЛИС-цепь определяется схемой (см.рис.), её параметры
- Найти комплексную частотную характеристику цепи, построить графики АЧХ и ФЧХ
- Найти импульсную и переходную характеристики, построить графики
- Найти отклик цепи на заданный сигнал, построить график
Характеристики курсовой работы
Учебное заведение
Семестр
Номер задания
Вариант
Просмотров
7
Качество
Идеальное компьютерное
Размер
14,12 Mb
Список файлов
РГЗ №1 - Вариант 3 - Подвариант 8
1.xmcd
2.mcd
3.mcd
РГЗ №1 - Вариант 3 - Подвариант 8.doc
Титульный лист.doc

Вам все понравилось? Получите кэшбэк - 40 рублей на Ваш счёт при покупке. Поставьте оценку и напишите положительный комментарий к купленному файлу. После Вы получите деньги на ваш счет.