Для студентов по предмету Теоретические основы электротехники (ТОЭ)В электрической цепи, принципиальная схема которой изображена на рис., полупроводниковый диодВ электрической цепи, принципиальная схема которой изображена на рис., полупроводниковый диод
5,0053332
2025-03-132025-03-13СтудИзба
Задача: В электрической цепи, принципиальная схема которой изображена на рис., полупроводниковый диод
Описание
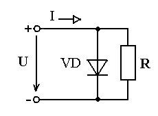
В электрической цепи, принципиальная схема которой изображена на рис., полупроводниковый диод 2Д106А включен параллельно с линейным резистором R= 1 Ом. Общий ток цепи I = 900 мА. Определить токи через каждый элемент схемы.
![]()

Характеристики решённой задачи
Просмотров
1
Качество
Идеальное компьютерное
Размер
258,33 Kb
Список файлов
14_z3_z4_z5-1-3.pdf

Если нужен другой вариант работы или отдельная задача из любой работы, пишите в комментарии