Для студентов по предмету Теоретические основы электротехники (ТОЭ)Задача 3.1 Вариант 87 по методичке БессоноваЗадача 3.1 Вариант 87 по методичке Бессонова
5,0051
2022-09-172022-09-17СтудИзба
Задача 3.1: Задача 3.1 Вариант 87 по методичке Бессонова вариант 87
Описание
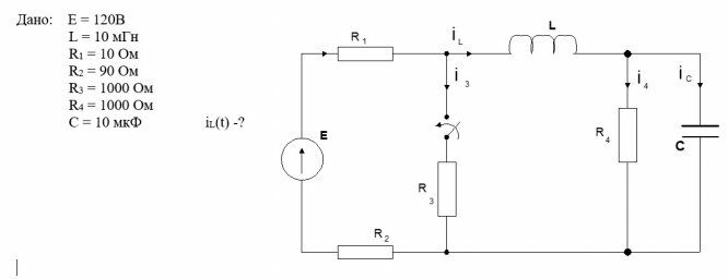
Переходные процессы в линейных электрических цепях. Задача на применение классического и операторного метода. Рассмотрен переходный процесс в цепи второго порядка. Составлено характеристическое уравнение, свободная составляющая тока. ![]()

Характеристики решённой задачи
Номер задания
Вариант
Программы
Теги
Просмотров
15
Качество
Идеальное компьютерное
Размер
119,5 Kb
Список файлов
ТОЭ_3.1.doc
