Для студентов по предмету Теоретические основы электротехники (ТОЭ)ЗАДАНИЕ №1 Расчет сложной электрической цепи постоянного токаЗАДАНИЕ №1 Расчет сложной электрической цепи постоянного тока
5,0053244
2022-07-192022-07-19СтудИзба
Задача ПрИн-266: ЗАДАНИЕ №1 Расчет сложной электрической цепи постоянного тока вариант 8
Описание
ЗАДАНИЕ №1
Расчет сложной электрической цепи постоянного тока
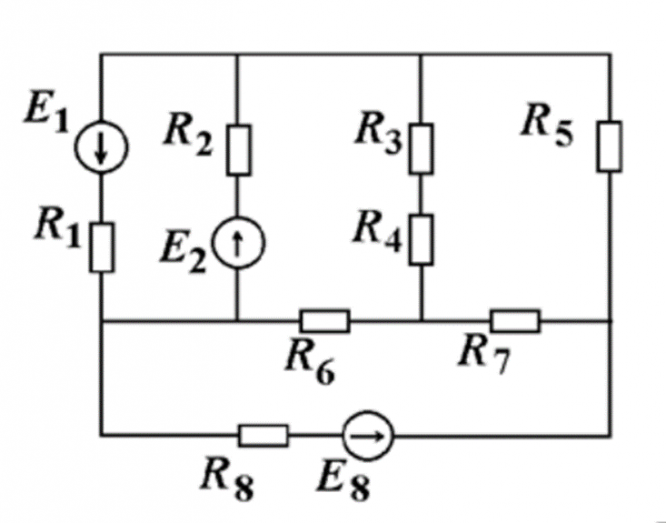
Электрические схемы, предлагаемые для расчета, пронумерованы (Рисунок 1-10). Соответствие варианта и расчетной схемы обозначено в таблице №1. Значения сопротивлений резисторов приведены в таблице №4 и №5. Значения ЭДС, действующих в ветвях, приведены в таблице №2 и №3 (Внутренними сопротивлениями источников ЭДС следует пренебречь.
Содержание работы
1. Рассчитать токи во всех ветвях электрической цепи
а) методом непосредственного применения правил Кирхгофа;
б) методом контурных токов;
в) методом узловых потенциалов.
2. Результаты расчетов свести в таблицу.
3. Составить и решить уравнение баланса мощностей
Расчет сложной электрической цепи постоянного тока
Электрические схемы, предлагаемые для расчета, пронумерованы (Рисунок 1-10). Соответствие варианта и расчетной схемы обозначено в таблице №1. Значения сопротивлений резисторов приведены в таблице №4 и №5. Значения ЭДС, действующих в ветвях, приведены в таблице №2 и №3 (Внутренними сопротивлениями источников ЭДС следует пренебречь.
Содержание работы
1. Рассчитать токи во всех ветвях электрической цепи
а) методом непосредственного применения правил Кирхгофа;
б) методом контурных токов;
в) методом узловых потенциалов.
2. Результаты расчетов свести в таблицу.
3. Составить и решить уравнение баланса мощностей

Файлы условия, демо
Характеристики решённой задачи
Семестр
Номер задания
Вариант
Просмотров
3
Качество
Идеальное компьютерное
Размер
637,13 Kb
Список файлов
Расчет схемы 8 вариант.docx

Если нужен другой вариант работы или отдельная задача из любой работы, пишите в комментарии