Для студентов по предмету Теоретические основы электротехники (ТОЭ)На среднем стержне Ш-образного магнитопровода, выполненного из электротехнической стали Э-21 (1311), расположена обмотка с числом витков W=660. ОпредеНа среднем стержне Ш-образного магнитопровода, выполненного из электротехнической стали Э-21 (1311), расположена обмотка с числом витков W=660. Опреде
5,00518095
2022-04-232022-04-23СтудИзба
На среднем стержне Ш-образного магнитопровода, выполненного из электротехнической стали Э-21 (1311), расположена обмотка с числом витков W=660. Определить величину тока в обмотке, необходимый для создания в воздушном зазоре напряженности магнитного п
Описание
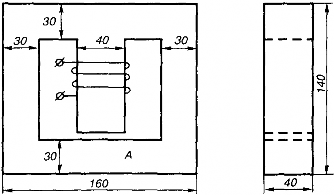
На среднем стержне Ш-образного магнитопровода, выполненного из электротехнической стали Э-21 (1311), расположена обмотка с числом витков W=660.
Определить величину тока в обмотке, необходимый для создания в воздушном зазоре напряженности магнитного поля Нзаз=12*105 А/м, длина воздушного зазора lзаз=5 мм, размеры магнитопровода даны в мм. Потоком рассеяния пренебречь.
Характеристики решённой задачи
Просмотров
6
Качество
Идеальное компьютерное
Размер
78,5 Kb
Список файлов
Задача.doc
