Для студентов по предмету Теоретические основы электротехники (ТОЭ)В сеть напряжением U=100 В и частотой f=100 Гц включена цепь, состоящая из последовательного соединения активного сопротивления и двух емкостных. ОпреВ сеть напряжением U=100 В и частотой f=100 Гц включена цепь, состоящая из последовательного соединения активного сопротивления и двух емкостных. Опре
5,0052
2022-04-202022-04-20СтудИзба
В сеть напряжением U=100 В и частотой f=100 Гц включена цепь, состоящая из последовательного соединения активного сопротивления и двух емкостных. Определить показания приборов, величину полной и реактивной мощностей. Построить векторную диаграмму, тр
Описание
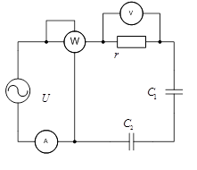
В сеть напряжением U=100 В и частотой f=100 Гц включена цепь, состоящая из последовательного соединения активного сопротивления и двух емкостных. Определить показания приборов, величину полной и реактивной мощностей. Построить векторную диаграмму, треугольники сопротивлений и мощностей. r=20 Ом, С1=160 мкФ, C2=280 мкФ. ![]()

Характеристики решённой задачи
Программы
Просмотров
13
Качество
Идеальное компьютерное
Размер
249,5 Kb
Список файлов
Задача.doc
