Для студентов УрФУ им. Ельцина по предмету Теоретические основы электротехники (ТОЭ)Задача 16Задача 16
5,0053
2022-03-032022-03-03СтудИзба
Задача: Задача 16
Бестселлер
Описание
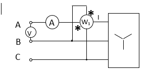
- Измерение мощности в трехфазных системах. Определить Zф нагрузки симметричной системы, соединенной звездой, активную и реактивную мощности нагрузки, если Uл = 220 В, Iл = 20 А, PW = 2520 Вт.
-
-
Характеристики решённой задачи
Учебное заведение
Семестр
Просмотров
27
Размер
29,37 Kb
Список файлов
Документ Microsoft Word.docx

Если нужен другой вариант работы или отдельная задача из любой работы, пишите в комментарии