Для студентов УрФУ им. Ельцина по предмету Теоретические основы электротехники (ТОЭ)Задача 12Задача 12
5,0053224
2022-03-032022-03-03СтудИзба
Задача: Задача 12
Описание
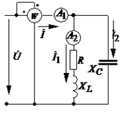
- Определить показания ваттметра и амперметров, если U=100 B, XL=10 Ом, R=5 Ом, ХС= 10 Ом.
-
Характеристики решённой задачи
Учебное заведение
Семестр
Просмотров
1
Размер
25,49 Kb
Список файлов
Рисунок19.png

Если нужен другой вариант работы или отдельная задача из любой работы, пишите в комментарии