Для студентов ТПУ по предмету Теоретические основы электротехники (ТОЭ)Исследование резонанса напряженийИсследование резонанса напряжений
5,0053309
2025-06-202025-06-20СтудИзба
Лабораторная работа 6: Исследование резонанса напряжений вариант 11
Описание
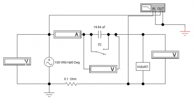
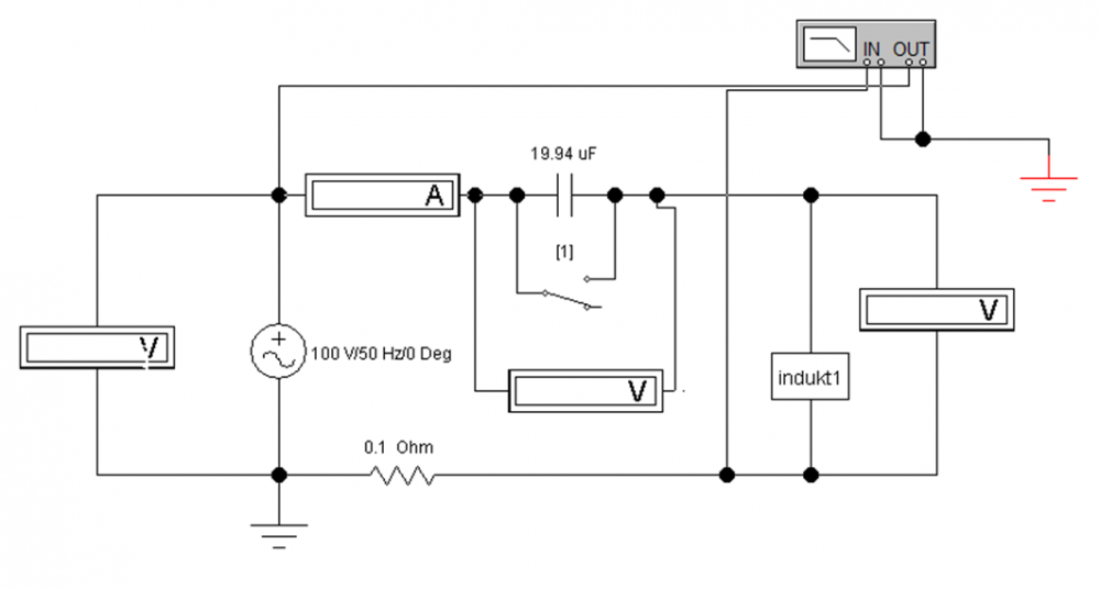
Цель работы: изучение и экспериментальное исследование резонанса в цепи с последовательным соединением катушки индуктивности и конденсатора.
![]()

Характеристики лабораторной работы
Учебное заведение
Номер задания
Вариант
Просмотров
2
Качество
Идеальное компьютерное
Размер
1,39 Mb
Список файлов
toe-lr-6.docx

Если нужен другой вариант работы или отдельная задача из любой работы, пишите в комментарии