Для студентов ИГЭУ им. Ленина по предмету Теоретические основы электротехники (ТОЭ)Электрические цепи при несинусоидальном токеЭлектрические цепи при несинусоидальном токе
5,00575
2025-03-162025-05-14СтудИзба
Лабораторная работа 2: Электрические цепи при несинусоидальном токе
Описание
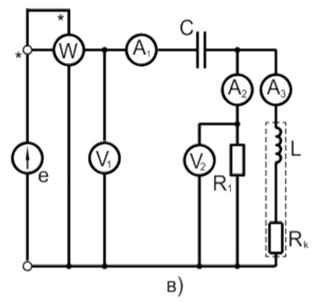
- 1. Исследование влияния нелинейного элемента на ее энергетические показатели.
- 2. Исследование электрической цепи при ее питании от источника несинусоидального напряжения.
Rk = 188 Ом
L = 100 мГн
С = 2,2 мкФ
f = 200 Гц
XL = 125,664 Ом
XC = 361,716 Ом

- 3. Гармонический анализ несинусоидального напряжения
- 4. Вывод
Характеристики лабораторной работы
Учебное заведение
Семестр
Номер задания
Программы
Теги
Просмотров
6
Качество
Идеальное компьютерное
Размер
1,17 Mb
Преподаватели
Список файлов
ТОЭ2.docx

🎓Помощь студентам Ивановских ВУЗов🎓 ❤️ Каждая приобретенная работа служит стимулом для добавления новых материалов и упрощает учебный процесс.