Для студентов ИГЭУ им. Ленина по предмету Теоретические основы электротехники (ТОЭ)Переходные процессы в электрических цепях с сосредоточенными параметрамиПереходные процессы в электрических цепях с сосредоточенными параметрами
5,00572
2025-03-162025-05-14СтудИзба
Лабораторная работа 1: Переходные процессы в электрических цепях с сосредоточенными параметрами
Описание
- 1. Исследование переходного процесса первого порядка с катушкой индуктивности при замыкании и размыкании ключа
R2 = 2,2 кОм
R3 = 1 кОм
R4 = 470 Ом
L = 100 мГн
R = 1 кОм
Rk = 188 Ом
- 2. Исследование переходного процесса первого порядка с конденсатором при замыкании и размыкании ключа
R2 = 2,2 кОм
R3 = 1 кОм
R4 = 470 Ом
C = 0,47 мкФ
R = 1 кОм
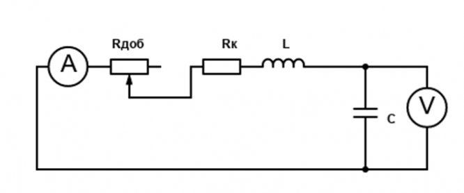
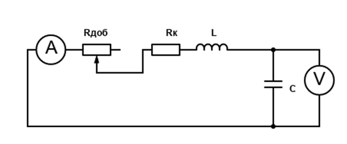
- 3. Исследование переходного процесса второго порядка

Характеристики лабораторной работы
Учебное заведение
Семестр
Номер задания
Программы
Теги
Просмотров
6
Качество
Идеальное компьютерное
Размер
3,58 Mb
Преподаватели
Список файлов
ТОЭ1.docx

🎓Помощь студентам Ивановских ВУЗов🎓 ❤️ Каждая приобретенная работа служит стимулом для добавления новых материалов и упрощает учебный процесс.