Лабораторная работа: Цепь постоянного тока
Описание
ОТЧЕТ ПО ЛАБОРАТОРНОЙ РАБОТЕ №1
ПО ДИСЦИПЛИНЕ
«ТЕОРЕТИЧЕСКИЕ ОСНОВЫ ЭЛЕКТРОТЕХНИКИ»
ЦЕПЬ ПОСТОЯННОГО ТОКА
Цель работы:
В работе экспериментально проверяются основные законы и принципы электрической цепи.
1. Подготовка к работе.
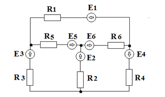
Исходная цепь представлена на рисунке Рисунок 1:

Рисунок 1 – Схема исследуемой цепи
Исходные данные представлены в таблице Таблица 1 (вариант 4):
Таблица 1 – Исходные данные
,, , | |||||||||
№ варианта | | | | | | | | | |
4 | 90 | 90 | 30 | 0 | 0 | | | 0 | 0 |
1.1. Первый закон Кирхгофа.
Алгебраическая сумма токов в любом узле любой цепи равна 0 – значения вытекающих токов берутся с противоположным знаком.
1.2. Принцип наложения.
Ток в любой ветви сложной схемы, содержащей несколько источников, равен алгебраической сумме частичных токов, возникающих в этой ветви от независимого действия каждого источника в отдельности.
Схемы экспериментальной проверки принципа наложения для третьей ветви aпредставлены на рисунке Рисунок 2.

Рисунок 2 – Схемы экспериментальной проверки принципа наложения
1.3. Принцип взаимности.
Согласно принципу взаимности, для любой линейной цепи ток в k-ветви, вызванный источником ЭДС , находящимся в m-ветви, равен току в m-ветви вызванному источником ЭДС , находящимся в k-ветви ( и численно равны).

Рисунок 3 – Схемы экспериментальной проверки принципа взаимности: слева – измерение , вызванного ЭДС ; справа – измерение , вызванного ЭДС
1.4. Метод эквивалентного генератора.
Метод эквивалентного генератора применяется для расчета тока в одной из ветвей схемы. Относительно данной ветви вся схема представляется двухполюсником, параметры которого , можно найти эквивалентированием. Эквивалентная схема состоит из одного контура и представлена на рисунке

Рисунок 4 – Эквивалентная схема по методу эквивалентного генератора
Формула вычисления тока в третьей ветви по методу эквивалентного генератора представлена ниже:
МГТУ им. Н.Э.Баумана
AlexInfinity


















