Главная » Учебные материалы » Теоретические основы электротехники (ТОЭ) » Домашние задания » Несколько классов/семестров » Расчёт линейного пассивного четырёхполюсника при подаче на его вход несинусоидального периодического напряжения
Для студентов по предмету Теоретические основы электротехники (ТОЭ)Расчёт линейного пассивного четырёхполюсника при подаче на его вход несинусоидального периодического напряженияРасчёт линейного пассивного четырёхполюсника при подаче на его вход несинусоидального периодического напряжения
5,0054059
2026-01-29СтудИзба

ДЗ: Расчёт линейного пассивного четырёхполюсника при подаче на его вход несинусоидального периодического напряжения

Новинка

Описание

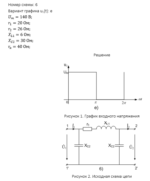
Заданы электрические схемы T- и П-образных симметричных четырёхполюсников, рис. 4.1. Входное напряжение u1(t) изменяется по несинусоидальному периодическому закону, график которого представлен на рис. 4.2. Четырёхполюсники нагружены на активное сопротивление нагрузки Rн. Числовые значения напряжений Um, величины сопротивлений при частоте основной гармоники приведены в таблице 4.
Требуется:
  1. Используя табличное разложение несинусоидальных периодических сигналов, разложить в ряд Фурье заданное входное напряжение, ограничившись определением первых трёх гармоник (членов ряда) плюс постоянная составляющая, если присутствует на заданном графике. Написать закон изменения мгновенного значения напряжения u1(t) и определить его действующее значение U1.
  2. Используя теорию четырёхполюсников, выразить в комплексной форме записи для k-ой гармоники зависимость комплексной амплитуды выходного напряжения Ů2mk от комплексной амплитуды входного напряжения Ů1mk.
  3. Определить коэффициенты заданного четырёхполюсника Ak и Bk для соответствующих гармоник входного напряжения, найти для каждой гармоники комплексную амплитуду выходного напряжения Ů2mk по формуле пункта 2.
  4. Написать закон изменения мгновенного значения напряжения u2(t) и определить его действующее значение U2.
  5. На одном рисунке в одном масштабе построить графики линейчатых спектров входного и выходного напряжений (постоянные составляющие на графике не показывать).
  6. Определить коэффициенты гармоник, амплитуды и искажения для входного и выходного напряжений.
  7. На основании п. 5 и п. 6 сделать вывод о фильтрующих свойствах заданной схемы четырёхполюсника.
  8. С помощью компьютера или вручную построить графики входного u1(t) и выходного u2(t) напряжений. На графиках показать первые три гармоники и суммарную кривую, полученную в результате графического сложения отдельных гармоник.

Характеристики домашнего задания

Просмотров
0
Качество
Идеальное компьютерное
Размер
50,37 Kb

Список файлов

0000_docx.docx
Картинка-подпись
Если нужен другой вариант работы или отдельная задача из любой работы, пишите в комментарии

Комментарии

Нет комментариев
Стань первым, кто что-нибудь напишет!
Поделитесь ссылкой:
Цена: 340 руб.
Расширенная гарантия +3 недели гарантии, +10% цены
Рейтинг автора
5 из 5
Поделитесь ссылкой:
Сопутствующие материалы

Подобрали для Вас услуги

Вы можете использовать домашнюю работу для примера, а также можете ссылаться на неё в своей работе. Авторство принадлежит автору работы, поэтому запрещено копировать текст из этой работы для любой публикации, в том числе в свою домашнюю работу в учебном заведении, без правильно оформленной ссылки. Читайте как правильно публиковать ссылки в своей работе.
Свежие статьи
Популярно сейчас
Зачем заказывать выполнение своего задания, если оно уже было выполнено много много раз? Его можно просто купить или даже скачать бесплатно на СтудИзбе. Найдите нужный учебный материал у нас!
Ответы на популярные вопросы
Да! Наши авторы собирают и выкладывают те работы, которые сдаются в Вашем учебном заведении ежегодно и уже проверены преподавателями.
Да! У нас любой человек может выложить любую учебную работу и зарабатывать на её продажах! Но каждый учебный материал публикуется только после тщательной проверки администрацией.
Вернём деньги! А если быть более точными, то автору даётся немного времени на исправление, а если не исправит или выйдет время, то вернём деньги в полном объёме!
Да! На равне с готовыми студенческими работами у нас продаются услуги. Цены на услуги видны сразу, то есть Вам нужно только указать параметры и сразу можно оплачивать.
Отзывы студентов
Ставлю 10/10
Все нравится, очень удобный сайт, помогает в учебе. Кроме этого, можно заработать самому, выставляя готовые учебные материалы на продажу здесь. Рейтинги и отзывы на преподавателей очень помогают сориентироваться в начале нового семестра. Спасибо за такую функцию. Ставлю максимальную оценку.
Лучшая платформа для успешной сдачи сессии
Познакомился со СтудИзбой благодаря своему другу, очень нравится интерфейс, количество доступных файлов, цена, в общем, все прекрасно. Даже сам продаю какие-то свои работы.
Студизба ван лав ❤
Очень офигенный сайт для студентов. Много полезных учебных материалов. Пользуюсь студизбой с октября 2021 года. Серьёзных нареканий нет. Хотелось бы, что бы ввели подписочную модель и сделали материалы дешевле 300 рублей в рамках подписки бесплатными.
Отличный сайт
Лично меня всё устраивает - и покупка, и продажа; и цены, и возможность предпросмотра куска файла, и обилие бесплатных файлов (в подборках по авторам, читай, ВУЗам и факультетам). Есть определённые баги, но всё решаемо, да и администраторы реагируют в течение суток.
Маленький отзыв о большом помощнике!
Студизба спасает в те моменты, когда сроки горят, а работ накопилось достаточно. Довольно удобный сайт с простой навигацией и огромным количеством материалов.
Студ. Изба как крупнейший сборник работ для студентов
Тут дофига бывает всего полезного. Печально, что бывают предметы по которым даже одного бесплатного решения нет, но это скорее вопрос к студентам. В остальном всё здорово.
Спасательный островок
Если уже не успеваешь разобраться или застрял на каком-то задание поможет тебе быстро и недорого решить твою проблему.
Всё и так отлично
Всё очень удобно. Особенно круто, что есть система бонусов и можно выводить остатки денег. Очень много качественных бесплатных файлов.
Отзыв о системе "Студизба"
Отличная платформа для распространения работ, востребованных студентами. Хорошо налаженная и качественная работа сайта, огромная база заданий и аудитория.
Отличный помощник
Отличный сайт с кучей полезных файлов, позволяющий найти много методичек / учебников / отзывов о вузах и преподователях.
Отлично помогает студентам в любой момент для решения трудных и незамедлительных задач
Хотелось бы больше конкретной информации о преподавателях. А так в принципе хороший сайт, всегда им пользуюсь и ни разу не было желания прекратить. Хороший сайт для помощи студентам, удобный и приятный интерфейс. Из недостатков можно выделить только отсутствия небольшого количества файлов.
Спасибо за шикарный сайт
Великолепный сайт на котором студент за не большие деньги может найти помощь с дз, проектами курсовыми, лабораторными, а также узнать отзывы на преподавателей и бесплатно скачать пособия.
Популярные преподаватели
Добавляйте материалы
и зарабатывайте!
Продажи идут автоматически
7002
Авторов
на СтудИзбе
261
Средний доход
с одного платного файла
Обучение Подробнее
{user_main_secret_data}