Для студентов по предмету Теоретические основы электротехники (ТОЭ)Анализ электрического состояния однофазных цепей синусоидального токаАнализ электрического состояния однофазных цепей синусоидального тока
5,0053158
2025-04-172025-04-17СтудИзба
ДЗ: Анализ электрического состояния однофазных цепей синусоидального тока
Описание
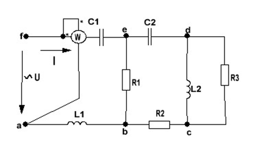
Задача2.1. К зажимам электрической цепи подключен источник синусоидального напряжения u=Umsin(wt+Yu), В частотой f =50 Гц. Амплитуда, начальная фаза напряжения и параметры элементов цепи заданы в таблице 2.1. Схемы замещения цепи приведены на рисунках 2.1 - 2.30.
Таблица2.1
схема рис. 2.11
Задание: 1. Начертить схему замещения электрической цепи, соответствующую варианту, рассчитать сопротивления реактивных элементов цепи.
2. Определить действующие значения токов во всех ветвях цепи.
3. Записать уравнение мгновенного значения тока источника.
4. Определить показание ваттметра и составить баланс активных и реактивных мощностей.
5. Рассчитать напряжения на каждом элементе цепи.
6. Построить векторную диаграмму токов, совмещенную с топографической векторной диаграммой напряжений.
![]()
Таблица2.1
Номер | Um, | Yu , | R1 | R2 | R3 | L1 | L2 | C1 | C2 |
группы | В | град. | Ом | мГн | мкФ | ||||
1 | 180 | 60 | 25 | 50 | 30 | 79,5 | 127,2 | 127,2 | 79,5 |
Задание: 1. Начертить схему замещения электрической цепи, соответствующую варианту, рассчитать сопротивления реактивных элементов цепи.
2. Определить действующие значения токов во всех ветвях цепи.
3. Записать уравнение мгновенного значения тока источника.
4. Определить показание ваттметра и составить баланс активных и реактивных мощностей.
5. Рассчитать напряжения на каждом элементе цепи.
6. Построить векторную диаграмму токов, совмещенную с топографической векторной диаграммой напряжений.

Характеристики домашнего задания
Просмотров
1
Качество
Идеальное компьютерное
Размер
168,15 Kb
Список файлов
3 задачи — копия.docx

Если нужен другой вариант работы или отдельная задача из любой работы, пишите в комментарии