Для студентов ВолГАУ по предмету Теоретические основы электротехники (ТОЭ)Расчёт электрических цепейРасчёт электрических цепей
5,0053309
2025-02-142025-02-14СтудИзба
ДЗ: Расчёт электрических цепей
Описание
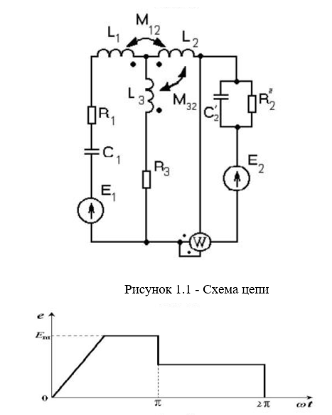
Задача 1.
Периодические несинусоидальные токи в линейных электрических цепях.
Исходные данные:
Сопротивления, Ом R1=4.5 R2=2.4 R3=1.5
Индуктивности, мГн L1=32 L2=19 L3=16
Емкости, мкФ C1=200 C2=100 C3=10^100
Амплитудные значения ЭДС, В Em1=16 Em2=10 Em3=0
Начальные фазы ЭДС, град ф1=60 ф2=-135
Частота, гЦ f=50
Задача 2.
Рисунок 2.1 - Расчетная схема трехфазного генератора
Задача 3.
Расчет трехфазной цепи соединением звезда-звезда без нулевого провода.
Расчет трехфазной цепи соединением звезда-звезда с нулевым проводом
Исходные данные(с нулевым проводом)
![]()
Периодические несинусоидальные токи в линейных электрических цепях.
Исходные данные:
Сопротивления, Ом R1=4.5 R2=2.4 R3=1.5
Индуктивности, мГн L1=32 L2=19 L3=16
Емкости, мкФ C1=200 C2=100 C3=10^100
Амплитудные значения ЭДС, В Em1=16 Em2=10 Em3=0
Начальные фазы ЭДС, град ф1=60 ф2=-135
Частота, гЦ f=50

Рисунок 2.1 - Расчетная схема трехфазного генератора

Расчет трехфазной цепи соединением звезда-звезда без нулевого провода.

Исходные данные(с нулевым проводом)

Характеристики домашнего задания
Учебное заведение
Программы
Просмотров
1
Качество
Файлы различного качества
Размер
1,57 Mb
Список файлов
kursovaya-14.docx

Если нужен другой вариант работы или отдельная задача из любой работы, пишите в комментарии