Курсовая работа: Анализ линейных цепей постоянного и переменного тока вариант 10

Описание

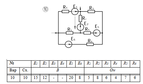
В соответствии со схемой сложной электрической цепи и параметрами элементов, выбранными по номеру варианта, требуется:
  1. Составить уравнения по законам Кирхгофа (не решая их).
  2. Найти токи ветвей методом контурных токов.
  3. Найти те же токи методом межузловых напряжений.
  4. Составить баланс мощностей для исходной схемы (с источником тока), подставляя в уравнение баланса числовые значения токов ветвей, найденных одним из методов.
  5. Результаты расчётов токов ветвей обоими методами свести в таблицу, сравнить между собой и сделать вывод.
  6. Найти ток ветви, указанный на схеме стрелкой, пользуясь теоремой об активном двухполюснике (принципом эквивалентного генератора).
  7. Построить потенциальную диаграмму для контура, содержащего максимальное число источников ЭДС.

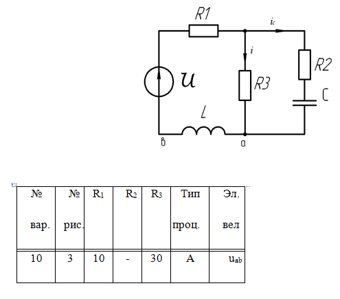
В цепях, схемы которых изображены, действуют источники напряжения с ЭДС, изменяющимися во времени по законам:
Требуется:
1. Построить временные графики ЭДС.
2. Рассчитать схему методами контурных токов и межузловых потенциалов.
3. Построить векторную диаграмму токов и топографическую диаграмму напряжений.
4. Определить показания ваттметров:
а) путем вычисления комплексных мощностей;
б) пользуясь диаграммами п.3.
Сравнить сумму показаний ваттметров с мощностью, выделяемых в резисторах цепи.
5. Построить временные графики напряжения и тока, относящихся к одному из ваттметров, и указать угол сдвига фаз
6. Считая узлы n и N закороченными, произвести расчет полученной схемы, определить любым способом показания ваттметров W1 и W2. Выполнить сравнительный анализ, аналогичный п.4.
7. Полагая, что в цепь из п.6 включены три ваттметра, определить любым способом показания и произвести анализ, аналогичный п.4.
8. Построить векторную диаграмму токов и топографическую диаграмму напряжений.
9. Вычислить указанную в последней колонке таблицы электрическую величину методом эквивалентного генератора.

Расчет переходного процесса и определение искомой величины в цепи постоянного тока классическим и операторным методами при изменении приложенного напряжения со значения E до E/2.
Для всех вариантов задания:
Требуется:
1. Подобрать такое значение сопротивление переменного резистора, которое обеспечивает заданный тип переходного процесса.
2. Рассчитать классическим методом переходной процесс для указанной электрической величины.
3. Рассчитать тот же переходной процесс операторным методом, пользуясь найденными в п.2 начальными условиями
4. Построить график изменения искомой величины в интервале от до ( - период собственных колебаний) в случае колебательного процесса и от до в случае апериодических процессов.

СОДЕРЖАНИЕ
1. АНАЛИЗ ЛИНЕЙНОЙ ЦЕПИ ПОСТОЯННОГО ТОКА.. 5
1.1. Уравнения по законам Кирхгофа. 6
1.2. Метод контурных токов. 7
1.3. Метод межузловых напряжений. 7
1.4. Баланс мощностей для исходной схемы.. 9
1.5. Сравнение результатов расчета. 9
1.6. Метод эквивалентного генератора. 9
1.7. Потенциальная диаграмма. 12
2. АНАЛИЗ ЛИНЕЙНОЙ ЦЕПИ СИНУСОИДАЛЬНОГО ТОКА.. 14
2.1. Построение графиков. 16
2.2. Расчет схемы методами контурных токов и межузловых потенциалов. 17
2.3. Векторная диаграмма токов и топографическая диаграмма напряжений. 19
2.4. Показания ваттметров. 21
2.5. Графики напряжения и тока. 24
2.6. Расчет токов при наличии нейтрального провода. 24
2.7. Активная мощность при наличии нейтрального провода. 26
3. РАСЧЕТ ПЕРЕХОДНЫХ ПРОЦЕССОВ В ЛИНЕЙНОЙ ЦЕПИ.. 31
3.1. Подбор значения сопротивления переменного резистора, которое обеспечивает заданный тип переходного процесса. 32
3.2. Расчет классическим методом переходного процесса. 32
3.3. Расчет переходного процесса операторным методом. 34
Начальные условия совпадают. 36
3.4. График изменения искомой величины. 36
Список литературы. 38

Характеристики курсовой работы

Учебное заведение
Вариант
Просмотров
4
Качество
Идеальное компьютерное
Размер
1007,68 Kb

Список файлов

v10_4f.docx
Картинка-подпись
Если нужен другой вариант работы или отдельная задача из любой работы, пишите в комментарии

Комментарии

Нет комментариев
Стань первым, кто что-нибудь напишет!
Поделитесь ссылкой:
Цена: 600 руб.
Расширенная гарантия +3 недели гарантии, +10% цены
Рейтинг автора
5 из 5
Поделитесь ссылкой:
Сопутствующие материалы

Подобрали для Вас услуги

Вы можете использовать курсовую работу для примера, а также можете ссылаться на неё в своей работе. Авторство принадлежит автору работы, поэтому запрещено копировать текст из этой работы для любой публикации, в том числе в свою курсовую работу в учебном заведении, без правильно оформленной ссылки. Читайте как правильно публиковать ссылки в своей работе.
Свежие статьи
Популярно сейчас
Как Вы думаете, сколько людей до Вас делали точно такое же задание? 99% студентов выполняют точно такие же задания, как и их предшественники год назад. Найдите нужный учебный материал на СтудИзбе!
Ответы на популярные вопросы
Да! Наши авторы собирают и выкладывают те работы, которые сдаются в Вашем учебном заведении ежегодно и уже проверены преподавателями.
Да! У нас любой человек может выложить любую учебную работу и зарабатывать на её продажах! Но каждый учебный материал публикуется только после тщательной проверки администрацией.
Вернём деньги! А если быть более точными, то автору даётся немного времени на исправление, а если не исправит или выйдет время, то вернём деньги в полном объёме!
Да! На равне с готовыми студенческими работами у нас продаются услуги. Цены на услуги видны сразу, то есть Вам нужно только указать параметры и сразу можно оплачивать.
Отзывы студентов
Ставлю 10/10
Все нравится, очень удобный сайт, помогает в учебе. Кроме этого, можно заработать самому, выставляя готовые учебные материалы на продажу здесь. Рейтинги и отзывы на преподавателей очень помогают сориентироваться в начале нового семестра. Спасибо за такую функцию. Ставлю максимальную оценку.
Лучшая платформа для успешной сдачи сессии
Познакомился со СтудИзбой благодаря своему другу, очень нравится интерфейс, количество доступных файлов, цена, в общем, все прекрасно. Даже сам продаю какие-то свои работы.
Студизба ван лав ❤
Очень офигенный сайт для студентов. Много полезных учебных материалов. Пользуюсь студизбой с октября 2021 года. Серьёзных нареканий нет. Хотелось бы, что бы ввели подписочную модель и сделали материалы дешевле 300 рублей в рамках подписки бесплатными.
Отличный сайт
Лично меня всё устраивает - и покупка, и продажа; и цены, и возможность предпросмотра куска файла, и обилие бесплатных файлов (в подборках по авторам, читай, ВУЗам и факультетам). Есть определённые баги, но всё решаемо, да и администраторы реагируют в течение суток.
Маленький отзыв о большом помощнике!
Студизба спасает в те моменты, когда сроки горят, а работ накопилось достаточно. Довольно удобный сайт с простой навигацией и огромным количеством материалов.
Студ. Изба как крупнейший сборник работ для студентов
Тут дофига бывает всего полезного. Печально, что бывают предметы по которым даже одного бесплатного решения нет, но это скорее вопрос к студентам. В остальном всё здорово.
Спасательный островок
Если уже не успеваешь разобраться или застрял на каком-то задание поможет тебе быстро и недорого решить твою проблему.
Всё и так отлично
Всё очень удобно. Особенно круто, что есть система бонусов и можно выводить остатки денег. Очень много качественных бесплатных файлов.
Отзыв о системе "Студизба"
Отличная платформа для распространения работ, востребованных студентами. Хорошо налаженная и качественная работа сайта, огромная база заданий и аудитория.
Отличный помощник
Отличный сайт с кучей полезных файлов, позволяющий найти много методичек / учебников / отзывов о вузах и преподователях.
Отлично помогает студентам в любой момент для решения трудных и незамедлительных задач
Хотелось бы больше конкретной информации о преподавателях. А так в принципе хороший сайт, всегда им пользуюсь и ни разу не было желания прекратить. Хороший сайт для помощи студентам, удобный и приятный интерфейс. Из недостатков можно выделить только отсутствия небольшого количества файлов.
Спасибо за шикарный сайт
Великолепный сайт на котором студент за не большие деньги может найти помощь с дз, проектами курсовыми, лабораторными, а также узнать отзывы на преподавателей и бесплатно скачать пособия.
Популярные преподаватели
Добавляйте материалы
и зарабатывайте!
Продажи идут автоматически
7279
Авторов
на СтудИзбе
243
Средний доход
с одного платного файла
Обучение Подробнее