Курсовая работа: Анализ линейной электрической цепи синусоидального тока в установившемся режиме
Описание
Содержание
Введение…………………………………………………………………….3
1.Анализ простейшей электрической цепи…………………...………...…4
1.1. Построение схемы цепи по ее кодировки исходных данных………...4
1.2.Расчет мгновенных токов и построение их графиков………………..4
1.3. Запись выражения мгновенных значений токов i1, i2, i3 и построение их графиков………………………………………………………………………..7
1.4.Проверка баланса активных и реактивных мощностей………………7
1.5.Построение векторной диаграммы токов и напряжений ……………8
1.6.Определение по диаграмме действующих напряжений……………...9
1.7.Нахождение мгновенного напряжения udf если источник ЭДС не задан, а известен ток i2=0.5sinωt………………………………………………….9
Заключение………………………………………………………………..25
Список литературы………………………………………………………..26
Введение
Целью выполнения курсовой работы является выработка таких навыков, как умение проводить анализ простых и сложных электрических цепей, определять комплексные и действующие значения токов по заданным параметрам, проверять баланс активных и реактивных мощностей, строить векторную диаграмму токов и топографическую диаграмму напряжений в одной координатной системе.
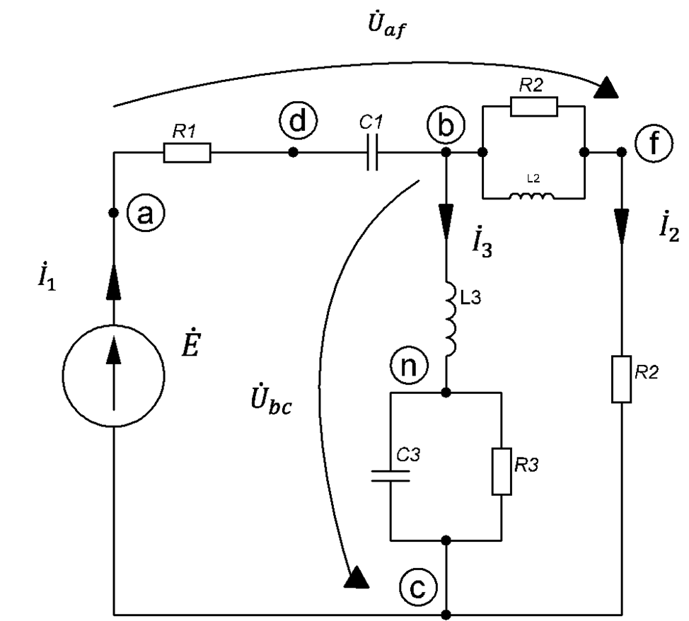
- Анализ простейшей электрической цепи
- Построение схемы цепи по ее кодировке исходных данных
Исходные данные:
E_m=6В φ_e=45 ° f=200 Гц
R_1=1 Ом R_2=1,5 Ом R_3=0,5 Ом
L_1=0,8 мГн L_2=1,19 мГн L_3=0,4 мГн
С_1=398 мкФ С_2=265 мкФ С_3=796 мкФ

Рисунок 1.1– Простая схема по исходным данным
ДВФУ
all_at_700

















