Для студентов КГЭУ по предмету Теоретические основы электротехники (ТОЭ)Расчет линейных электрических цепейРасчет линейных электрических цепей
5,0053248
2024-01-192024-01-19СтудИзба
Курсовая работа: Расчет линейных электрических цепей вариант 16
Описание
Номер группы 6 = Вариант 16
Задание № 1. Анализ линейной электрической цепи постоянного тока
Для электрической схемы, изображенной на рисунке 1 выполнить следующее:
1) Составить систему уравнений по законам Кирхгофа.
2) Составить уравнения по методу контурных токов в матричной форме и определить все неизвестные токи в ветвях.
3) Составить баланс мощности для заданной схемы.
4) Определить токи в ветвях методом узловых потенциалов и сравнить их со значениями, полученными в п. 2.
5) Рассчитать показания вольтметра по закону Ом.
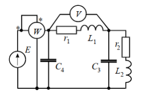
Задание №2. Анализ линейной электрической цепи синусоидального тока
Для электрической схемы, изображенной на рисунке 4 выполнить следующее:
1) Составить систему уравнений по законам Кирхгофа в дифференциальной форме.
2) Записать уравнения по законам Кирхгофа
3) Рассчитать мгновенные значения токов во всех ветвях:
- по законам Кирхгофа;
- методом контурных токов;
- методом узловых потенциалов;
4) Составить баланс активных, реактивных, комплексов полных мощностей.
5) Определить показания вольтметра и ваттметра
Задание № 3. Анализ трехфазных цепей при различных схемах соединения нагрузки
Рассчитать все токи и составить баланс комплексных мощностей


Задание № 1. Анализ линейной электрической цепи постоянного тока
Для электрической схемы, изображенной на рисунке 1 выполнить следующее:
1) Составить систему уравнений по законам Кирхгофа.
2) Составить уравнения по методу контурных токов в матричной форме и определить все неизвестные токи в ветвях.
3) Составить баланс мощности для заданной схемы.
4) Определить токи в ветвях методом узловых потенциалов и сравнить их со значениями, полученными в п. 2.
5) Рассчитать показания вольтметра по закону Ом.
Задание №2. Анализ линейной электрической цепи синусоидального тока
Для электрической схемы, изображенной на рисунке 4 выполнить следующее:
1) Составить систему уравнений по законам Кирхгофа в дифференциальной форме.
2) Записать уравнения по законам Кирхгофа
3) Рассчитать мгновенные значения токов во всех ветвях:
- по законам Кирхгофа;
- методом контурных токов;
- методом узловых потенциалов;
4) Составить баланс активных, реактивных, комплексов полных мощностей.
5) Определить показания вольтметра и ваттметра
Задание № 3. Анализ трехфазных цепей при различных схемах соединения нагрузки
Рассчитать все токи и составить баланс комплексных мощностей
Характеристики курсовой работы
Учебное заведение
Вариант
Просмотров
2
Размер
313,44 Kb
Список файлов
dlia_primera_14406471.pdf

Если нужен другой вариант работы или отдельная задача из любой работы, пишите в комментарии