Для студентов МАИ по предмету Теоретические основы электротехники (ТОЭ)расчетная работа по тоэ (Савостьянов)расчетная работа по тоэ (Савостьянов)
5,00550
2021-01-282021-01-28СтудИзба
Курсовая работа: расчетная работа по тоэ (Савостьянов)
Описание

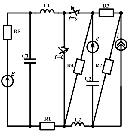
Элементы схемы имеют следующие параметры:E=6,5 В, Em=2,5 В, Im=0,3 А, , R1=81 Ом, R2=86 Ом, R3=90 Ом, R4=70 Ом, R5=55 Ом, L1=42 мГн, L2=32 мГн, C1=8,4 мкФ, C2=5,7 мкФ.
Характеристики курсовой работы
Учебное заведение
Семестр
Просмотров
26
Размер
636,19 Kb
Список файлов
Комментарии
Нет комментариев
Стань первым, кто что-нибудь напишет!
МАИ
vk_559697068














