Для студентов МАИ по предмету Теоретические основы электротехники (ТОЭ)Законы ома и кирхгофа в цепях постоянного токаЗаконы ома и кирхгофа в цепях постоянного тока
5,0052
2024-11-292025-11-28СтудИзба
Готовая лабораторная работа по тоэ № 1 "ЗАКОНЫ ОМА И КИРХГОФА В ЦЕПЯХ ПОСТОЯННОГО ТОКА"
Лабораторная работа 1: Законы ома и кирхгофа в цепях постоянного тока
Описание
Отчет по работе № 1 ЗАКОНЫ ОМА И КИРХГОФА В ЦЕПЯХ ПОСТОЯННОГО ТОКА
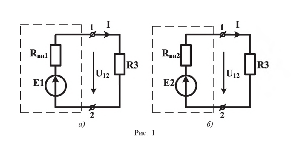
Цель работы: Экспериментальная проверка справедливости закона Ома, первого и второго законов Кирхгофа; определение внутренних сопротивлений источников напряжения.
Работа оценена на высший балл.
Показать/скрыть дополнительное описание
Цель работы: Экспериментальная проверка справедливости закона Ома, первого и второго законов Кирхгофа; определение внутренних сопротивлений источников напряжения.
Работа оценена на высший балл.
МАИ, ТОЭ, ЗАКОНЫ ОМА И КИРХГОФА В ЦЕПЯХ ПОСТОЯННОГО ТОКА.
Характеристики лабораторной работы
Учебное заведение
Семестр
Номер задания
Программы
Просмотров
41
Качество
Идеальное компьютерное
Размер
191,28 Kb
Преподаватели
Список файлов
отчет по тоэ.docx
Комментарии
Нет комментариев
Стань первым, кто что-нибудь напишет!
МАИ

















