Для студентов МАИ по предмету Теоретические основы электротехники (ТОЭ)расчетная работа по тоэ (Савостьянов)расчетная работа по тоэ (Савостьянов)
5,00551
2021-01-282021-01-28СтудИзба
Курсовая работа: расчетная работа по тоэ (Савостьянов)
Описание

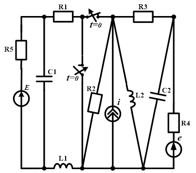
Элементы схемы имеют следующие параметры:E=6,5 В, Em=2 В, Im=0,1 А, , , , R1=89 Ом, R2=94 Ом, R3=84 Ом, R4=90 Ом, R5=70 Ом, L1=46 мГн, L2=36 мГн, C1=9,4 мкФ, C2=5,8 мкФ.
Характеристики курсовой работы
Учебное заведение
Семестр
Просмотров
23
Размер
634,79 Kb
Список файлов
Комментарии
Нет комментариев
Стань первым, кто что-нибудь напишет!
МАИ
vk_559697068












