Для студентов МАИ по предмету Теоретические основы электротехники (ТОЭ)расчетная работа по тоэ (Савостьянов)расчетная работа по тоэ (Савостьянов)
5,00551
2021-01-282021-01-28СтудИзба
Курсовая работа: расчетная работа по тоэ (Савостьянов)
Описание
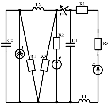
- Расчёт установившегося режима в линейной цепи под действием всех источников энергии.
-
Элементы схемы имеют следующие параметры:E=4 В, Em=3 В, Im=0,2 А,, R1=70 Ом, R2=90 Ом, R3=110 Ом, R4=95 Ом, R5=40 Ом, L1=58 мГн, L2=62 мГн, C1=4 мкФ, C2=3 мкФ
Характеристики курсовой работы
Учебное заведение
Семестр
Просмотров
44
Размер
611,26 Kb
Список файлов
Комментарии
Нет комментариев
Стань первым, кто что-нибудь напишет!

МАИ
vk_559697068

















